Accensioni multiple linea luci separata
Moderatori:
sebago,
MASSIMO-G,
lillo,
Mike
24 messaggi
• Pagina 2 di 3 • 1, 2, 3
0
voti
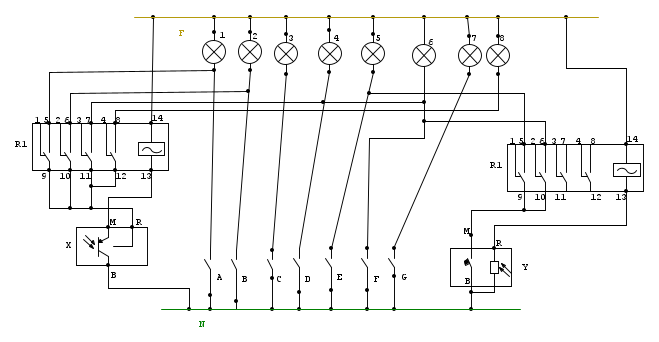
Quello che ti occorre è qualcosa del genere
dove KX è il relè a 4 contatti n.a. controllato dal crepuscolare X, e KY il relè a 2 contatti controllato dal rilevatore presenza Y.
KX sono i contatti del relè KX e KY i contatti del relè KY.
A, B, C, D, E, F, G sono gli interruttori manuali.
Saluti
dove KX è il relè a 4 contatti n.a. controllato dal crepuscolare X, e KY il relè a 2 contatti controllato dal rilevatore presenza Y.
KX sono i contatti del relè KX e KY i contatti del relè KY.
A, B, C, D, E, F, G sono gli interruttori manuali.
Saluti
W - U.H.F.
-

WALTERmwp
30,2k 4 8 13 - G.Master EY

- Messaggi: 8986
- Iscritto il: 17 lug 2010, 18:42
- Località: le 4 del mattino
0
voti
Come è stato già detto, poiché
"non vuoi spegnere da altri dispositivi una volta acceso"
"se chiudi per errore l'interruttore quando la luce è già accesa dal dispositivo automatico poi ti resta accesa"
(anche se l' accensione Automatica avviene durante quella manuale )
-
A mio avviso, per minimizzare questo rischio, è necessario adottare :
Interruttori Bipolari affiancando una Spia Bianca di accensione comandata dalla 2^ Via dell' Interruttore per richiamare l'attenzione sull' Azionamento manuale .
( oppure, per Comando da più punti, un Relé Passo Passo Bipolare con Pulsanti, che analogamente attivi le Spie di Accensione )
-
Buona giornata !
"non vuoi spegnere da altri dispositivi una volta acceso"
"se chiudi per errore l'interruttore quando la luce è già accesa dal dispositivo automatico poi ti resta accesa"
(anche se l' accensione Automatica avviene durante quella manuale )
-
A mio avviso, per minimizzare questo rischio, è necessario adottare :
Interruttori Bipolari affiancando una Spia Bianca di accensione comandata dalla 2^ Via dell' Interruttore per richiamare l'attenzione sull' Azionamento manuale .
( oppure, per Comando da più punti, un Relé Passo Passo Bipolare con Pulsanti, che analogamente attivi le Spie di Accensione )
-
Buona giornata !
0
voti
WALTERmwp ha scritto:Quello che ti occorre è qualcosa del genere (...)
Devo essere sincero, non ho capito molto dello schema proposto. Potresti gentilmente indicarmi un modello esatto di relé 2 e 4 contatti così mi vedo lo schema di questi e poi cerco di associarlo al tuo proposto?
Ultima modifica di
WALTERmwp il 23 ott 2023, 11:45, modificato 1 volta in totale.
Motivazione: Ridotta citazione, inutile la sua integrità; corretto tag utente
Motivazione: Ridotta citazione, inutile la sua integrità; corretto tag utente
1
voti
Non mi azzannate per quanto propongo ma è giusto per cambiare.
Tutti gli interruttori e le connessioni lampade arrivano alla scheda matrice di diodi.
Ho aggiunto anche un Lamp Test, magari può servire.
Diodi e ponte dimensionati alla bisogna.
Un vantaggio del circuito è la semplice "programmazione" (altro che Logo!).
Certo che ci vorrebbe coraggio per implementare una cosa del genere a casa propria.
Tutti gli interruttori e le connessioni lampade arrivano alla scheda matrice di diodi.
Ho aggiunto anche un Lamp Test, magari può servire.
Diodi e ponte dimensionati alla bisogna.
Un vantaggio del circuito è la semplice "programmazione" (altro che Logo!).
Certo che ci vorrebbe coraggio per implementare una cosa del genere a casa propria.
0
voti
cosa non ti è chiaro?sps ha scritto:Devo essere sincero, non ho capito molto dello schema proposto (...)
qui ad esempio un link per i prodotti Finder.sps ha scritto:(...) Potresti gentilmente indicarmi un modello esatto di relé 2 e 4 contatti così mi vedo lo schema di questi e poi cerco di associarlo al tuo proposto? (...)
Potresti prendere il relè 55.34 a quattro contatti(in scambio); lo stesso modello, anche se sovradimensionato per numero di contatti disponibili, lo potresti usare anche per il rilevatore presenza, così ti rimangono altri due(contatti) di riserva per eventuali variazioni o espansioni del cablaggio.
I relè vanno montati su zoccoli e questi su guida da 35 mm: potresti prendere il 94.84.2(colore blu).
A pag. 14 del pdf trovi la piedinatura dello zoccolo.
In alternativa puoi cercare tra altri prodotti.
Saluti
p.s.
non l'avevo precisato ma il crepuscolare ed il rilevatore presenza devono avere un contatto adeguato a pilotare le bobine dei relè.
W - U.H.F.
-

WALTERmwp
30,2k 4 8 13 - G.Master EY

- Messaggi: 8986
- Iscritto il: 17 lug 2010, 18:42
- Località: le 4 del mattino
0
voti
Questo rende più facili successive modifiche alle impostazioni iniziali .
-
Ovviamente, in questa versione a Matrice, Crepuscolare e Sensore di movimento devono restituire un Contatto Pulito .
-
A questo punto, volendo utilizzare indifferentemente qualsiasi tipo di Lampada, si possono accendere interponendo altrettanti Relé ad 1 Via .
Inoltre i Diodi sarebbero soggetti al solo Assorbimento della Bobina .
-
Buon pranzo !
-
Ovviamente, in questa versione a Matrice, Crepuscolare e Sensore di movimento devono restituire un Contatto Pulito .
-
A questo punto, volendo utilizzare indifferentemente qualsiasi tipo di Lampada, si possono accendere interponendo altrettanti Relé ad 1 Via .
Inoltre i Diodi sarebbero soggetti al solo Assorbimento della Bobina .
-
Buon pranzo !
0
voti
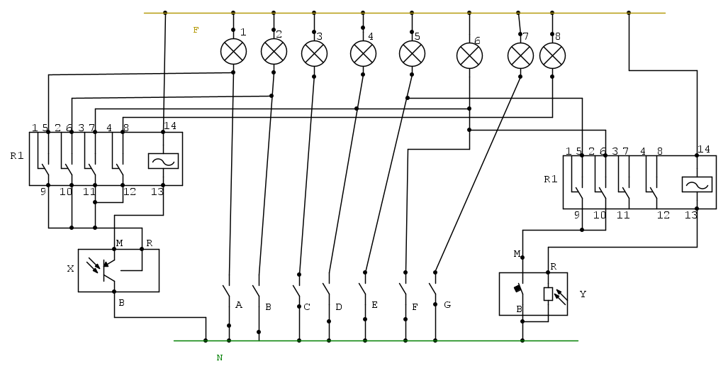
Secondo lo schema del Finder 55.34 (indicato come R1) come suggerito, ho il seguente schema:
da notare che dai 4 contatti del relé se ne tirano fuori 5 per alimentare 5 linee di luci. Nello specifico una linea può avere massimo 1500W secondo le specifiche del relé. Lo schema è tutto corretto?
Che significa che per il crepuscolare o sensore di presenza bisogna trovare quello adatto?
Uno classico non va bene? Ad esempio https://www.amazon.it/interruttore-crepuscolare-montaggio-superficie-regolabile/dp/B07TN6ZDFZ/ref=sr_1_3_sspa?keywords=crepuscolare&qid=1698082469&sr=8-3-spons&sp_csd=d2lkZ2V0TmFtZT1zcF9hdGY&th=1 o similare?
Non ho capito la soluzione con i diodi.
Se c'è qualche indicazione di prodotti specifici posso provare una configurazione da verificare. Grazie
da notare che dai 4 contatti del relé se ne tirano fuori 5 per alimentare 5 linee di luci. Nello specifico una linea può avere massimo 1500W secondo le specifiche del relé. Lo schema è tutto corretto?
Che significa che per il crepuscolare o sensore di presenza bisogna trovare quello adatto?
Uno classico non va bene? Ad esempio https://www.amazon.it/interruttore-crepuscolare-montaggio-superficie-regolabile/dp/B07TN6ZDFZ/ref=sr_1_3_sspa?keywords=crepuscolare&qid=1698082469&sr=8-3-spons&sp_csd=d2lkZ2V0TmFtZT1zcF9hdGY&th=1 o similare?
Non ho capito la soluzione con i diodi.
Se c'è qualche indicazione di prodotti specifici posso provare una configurazione da verificare. Grazie
0
voti
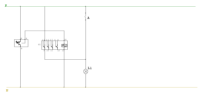
No, è tutto sbagliato, già a partire dalla fase diretta sulle lampade.
Questo è come va collegato il primo relé:
Questo è come va collegato il primo relé:
Una domanda ben posta è già mezza risposta.
0
voti
sps ha scritto:Secondo lo schema del Finder 55.34 (indicato come R1) come suggerito, ho il seguente schema (...)
Ti riporto lo schema con i riferimenti dei morsetti degli zoccoli dei relè, evidenziati con i pallini.
Il conteggio però prevede cinque(se si vuole evitare di mettere una lampada in parallelo alla bobina del relè KX) e non quattro contatti perché tante sono le lampade da accendere con il crepuscolare; quello che hai indicato nel tuo link dovrebbe andar bene.
Dunque, i relé dovrebbero essere tre: KX, KX2 e KY.
Tre contatti del KX sono dedicati a tre lampade mentre il quarto contatto viene riservato per pilotare il relé KX2; di questo si usano due contatti per le altre due lampade.
Rimane da capire se il rilevatore presenza può pilotare un relé, così come è in grado di farlo il crepuscolare.
Adesso, con i riferimenti degli zoccoli dei relé, riesci a interpretarlo?
Saluti
W - U.H.F.
-

WALTERmwp
30,2k 4 8 13 - G.Master EY

- Messaggi: 8986
- Iscritto il: 17 lug 2010, 18:42
- Località: le 4 del mattino
0
voti
Il circuito mi sembra chiaro ma semplicemente, rispetto al mio schema, avete invertito l'ordine di collegamento tra F e N. Cioè ad esempio, avete spostato gli interruttori del relé R1 e manuali (A, B, C, ecc...) sulla parte della F, mentre io avevo messo le luci sulla F e gli interruttori sul N. Ugualmente avete messo i sensori sono sulla F, mentre io li avevo messi sul lato N. Non ho però capito però perché è sbagliato e perché non può funzionare?
Perché è sbagliato l'ordine di connessione così come riportato da me?
Ho comunque rivisto lo schema secondo quando indicato da
WALTERmwp ma anche qui ho invertito l'ordine di connessione del pin 13 e 14 sulla bobina del relé. Va bene lo stesso o anche qui l'inversione non va bene e perché? Prima di completarlo tutto ho bisogno di capire.
Avrei un'altra domanda extra sull'argomento, mai citata prima. Se l'edificio è alimentato con tensione trifase ~380 V, e capita che le linee luci comandate da relé e interruttori sono alimentate da fasi diverse, ci sono problemi? Ad esempio se la linea luci L1 e la linea L8 sono alimentate con due fasi diverse, funziona lo stesso lo schema proposto? Oppure occorre necessariamente che le luci comandate dallo stesso relé R1 siano collegate alla stessa fase?
Attendo delucidazioni per procedere
Grazie
Perché è sbagliato l'ordine di connessione così come riportato da me?
Ho comunque rivisto lo schema secondo quando indicato da
Avrei un'altra domanda extra sull'argomento, mai citata prima. Se l'edificio è alimentato con tensione trifase ~380 V, e capita che le linee luci comandate da relé e interruttori sono alimentate da fasi diverse, ci sono problemi? Ad esempio se la linea luci L1 e la linea L8 sono alimentate con due fasi diverse, funziona lo stesso lo schema proposto? Oppure occorre necessariamente che le luci comandate dallo stesso relé R1 siano collegate alla stessa fase?
Attendo delucidazioni per procedere
Grazie
24 messaggi
• Pagina 2 di 3 • 1, 2, 3
Torna a Impianti, sicurezza e quadristica
Chi c’è in linea
Visitano il forum: Nessuno e 188 ospiti

Elettrotecnica e non solo (admin)
Un gatto tra gli elettroni (IsidoroKZ)
Esperienza e simulazioni (g.schgor)
Moleskine di un idraulico (RenzoDF)
Il Blog di ElectroYou (webmaster)
Idee microcontrollate (TardoFreak)
PICcoli grandi PICMicro (Paolino)
Il blog elettrico di carloc (carloc)
DirtEYblooog (dirtydeeds)
Di tutto... un po' (jordan20)
AK47 (lillo)
Esperienze elettroniche (marco438)
Telecomunicazioni musicali (clavicordo)
Automazione ed Elettronica (gustavo)
Direttive per la sicurezza (ErnestoCappelletti)
EYnfo dall'Alaska (mir)
Apriamo il quadro! (attilio)
H7-25 (asdf)
Passione Elettrica (massimob)
Elettroni a spasso (guidob)
Bloguerra (guerra)











