Salve a tutti,
se possibile mi piacerebbe ricevere un aiuto nel risolvere questo dubbio/problema:
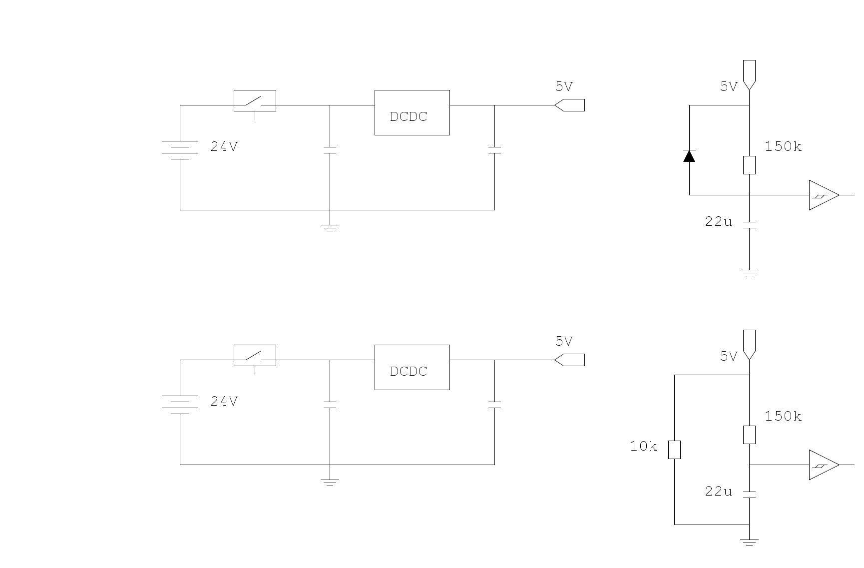
ho un certo circuito con una certa logica (nell'immagine è presente solo una minima parte, ma che spero sia indicativa) dove devo fare scattare un integrato dopo un certo tot di tempo tramite la costante tempo RC indicata nello schematico. Il mio problema sorge quando devo spengere e riaccendere velocemente la scheda, in quanto devo trovare un modo per far scaricare velocemente la capacità da 22uF. Nel funzionamento attuale ho messo soltanto quella resistenza da 10k ma giustamente è ancora troppo lenta la scarica. Avevo quindi pensato a inserire un diodo come nella seconda immagine ma mi sorge il seguente dubbio: quando stacco l'alimentazione, il pin di ingresso dell'alimentazione non va a 0V ma rimane fluttuante (dato che è come se staccassi proprio il cavo) e non va a 0V neanche l'uscita del DCDC (almeno dall'idea che mi sono fatto); e inoltre non vorrei far scaricare il condensatore attraverso l'uscita del DCDC perché dovrebbe essere comunque dannoso per il convertitore stesso.
E inoltre vorrei capire se i condensatore di ingresso del DCDC ha modo di scaricarsi attraverso lo stesso o meno.
Come posso risolvere?
Grazie
Scarica condensatore tramite diodo - problema DCDC
Moderatori:
carloc,
g.schgor,
BrunoValente,
IsidoroKZ
17 messaggi
• Pagina 1 di 2 • 1, 2
0
voti
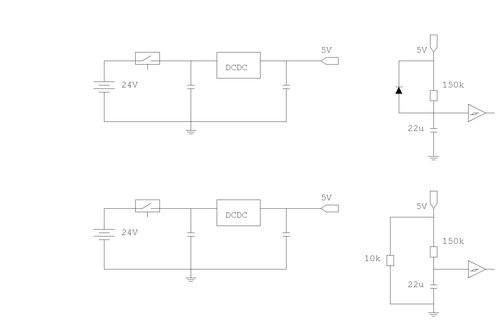
Mantieni il diodo in parallelo ai 150 k; in parallelo alla alimentazione, riduci il 10K a 1k, almeno scaricherai 10 volte più velocemente.
Purtroppo consumerai 5V/1kohm = 5 mA in più durante il funzionamento.
Come compromesso, a pari transitorio porta il 22 uF a 10 uF,
il 150k a 330k,
il 1K a 2,2 kohm, la corrente in più si riduce a 2,5 mA.
Se avessi disegnato lo schema in Fidocadj, avrei potuto modificartelo e forse sarei più chiaro.

Purtroppo consumerai 5V/1kohm = 5 mA in più durante il funzionamento.
Come compromesso, a pari transitorio porta il 22 uF a 10 uF,
il 150k a 330k,
il 1K a 2,2 kohm, la corrente in più si riduce a 2,5 mA.
Se avessi disegnato lo schema in Fidocadj, avrei potuto modificartelo e forse sarei più chiaro.

0
voti
Ciao, non saprò darti delle dritte veramente valide, ma parlandone verrà avanti qualcuno più bravo.
Ci sono alcune cose che però andrebbero chiarite:
-Il tempo che deve impiegare prima che il relay si attivi.
-Quanto tempo deve stare attivato.
-Quanto tempo deve passare tra il primo ed il secondo impulso al relay.
- hai messo la resistenza da 10k tra positivo e negativo dell'alimentazione, per scaricare il condensatore, a questo punto il condensatore si ritrova anche 150k in serie alla resistenza.
Prova a descrivere come deve funzionare tutto il circuito, da chi attiva il temporizzatore al carico in uscita.
Ci sono alcune cose che però andrebbero chiarite:
-Il tempo che deve impiegare prima che il relay si attivi.
-Quanto tempo deve stare attivato.
-Quanto tempo deve passare tra il primo ed il secondo impulso al relay.
- hai messo la resistenza da 10k tra positivo e negativo dell'alimentazione, per scaricare il condensatore, a questo punto il condensatore si ritrova anche 150k in serie alla resistenza.
Prova a descrivere come deve funzionare tutto il circuito, da chi attiva il temporizzatore al carico in uscita.
Alex
https://www.facebook.com/Elettronicaeelettrotecnica
<< vedi di pigliare arditamente in mano, il dizionario che ti suona in bocca,
se non altro è schietto e paesano.
(Giuseppe Giusti) <<
https://www.facebook.com/Elettronicaeelettrotecnica
<< vedi di pigliare arditamente in mano, il dizionario che ti suona in bocca,
se non altro è schietto e paesano.
(Giuseppe Giusti) <<
0
voti
Qualcosa rimarrà pur collegato all'alimentazione, quindi il condensatore da 22u si troverà ad alimentare il carico attraverso il diodo. Eventualmente puoi collegare una resistenza in parallelo all'alimentazione in modo che garantisca un assorbimento minimo
0
voti
Un tempo tra stacca-attacca uguale a 0 è impossibile da ottenere, pensa solo alla velocità di commutazione del relè. Quello che stai riscontrando è un limite di quella tipologia di circuito.
Una curiosità, il circuito lo usi per limitare la corrente di spunto ?
Aggiungo:
Quanta complessità circuitale puoi accettare ? 1,2 10 componenti
Sei disponibile a dissipare potenza per ottenere ciò che vuoi ?
Sul relè hai altri contatti ?
Schemi fidocadj

Una curiosità, il circuito lo usi per limitare la corrente di spunto ?
Aggiungo:
Quanta complessità circuitale puoi accettare ? 1,2 10 componenti
Sei disponibile a dissipare potenza per ottenere ciò che vuoi ?
Sul relè hai altri contatti ?
Schemi fidocadj

0
voti
MarcoD ha scritto:Mantieni il diodo in parallelo ai 150 k; in parallelo alla alimentazione, riduci il 10K a 1k, almeno scaricherai 10 volte più velocemente.
Purtroppo consumerai 5V/1kohm = 5 mA in più durante il funzionamento.
Come compromesso, a pari transitorio porta il 22 uF a 10 uF,
il 150k a 330k,
il 1K a 2,2 kohm, la corrente in più si riduce a 2,5 mA.
Se avessi disegnato lo schema in Fidocadj, avrei potuto modificartelo e forse sarei più chiaro.
Dovrei aver capito, ti ringrazio. Però una domanda: se lascio la resistenza da 10k e metto comunque il diodo dovrei avere comunque un tempo comunque più veloce di scarica, dato che "bypasso" i 150k con il diodo, giusto?
0
voti
se lascio la resistenza da 10k e metto comunque il diodo dovrei avere comunque un tempo comunque più veloce di scarica, dato che "bypasso" i 150k con il diodo, giusto?
Si, giusto.

1
voti
rbacchi ha scritto:Qualcosa rimarrà pur collegato all'alimentazione, quindi il condensatore da 22u si troverà ad alimentare il carico attraverso il diodo. Eventualmente puoi collegare una resistenza in parallelo all'alimentazione in modo che garantisca un assorbimento minimo
Ciao! grazie per la risposta intanto.
Si, a questo punto farei così effettivamente, come mi ha consigliato anche MarcoD
0
voti
ThEnGi ha scritto:Un tempo tra stacca-attacca uguale a 0 è impossibile da ottenere, pensa solo alla velocità di commutazione del relè. Quello che stai riscontrando è un limite di quella tipologia di circuito.
Una curiosità, il circuito lo usi per limitare la corrente di spunto ?
Aggiungo:
Quanta complessità circuitale puoi accettare ? 1,2 10 componenti
Sei disponibile a dissipare potenza per ottenere ciò che vuoi ?
Sul relè hai altri contatti ?
Schemi fidocadj![]()
Grazie per la risposta.
Penso di aver sbagliato simbolo, non è un relè quello a sinistra, era solo per indicare che c'è una sorta di interruttore.
Per quanto riguarda la prima domanda, no, non lo uso per quello.
Inoltre diciamo che meno dissipo potenza e meglio è, però ora mi è venuta la curiosità: che circuito mi avresti proposto, a prescindere dalla complessità?
0
voti
ciccio728 ha scritto:E inoltre vorrei capire se i condensatore di ingresso del DCDC ha modo di scaricarsi attraverso lo stesso o meno.
Mi sapreste dare informazioni su questo per caso?
E in generale, tutti quei condensatori che magari si trovano vicino a integrati, tipo quelli di bypass, in che modo si scaricano? Attraverso l'integrato stesso o attraverso le loro resistenze parassite? E in caso lo facessero attraverso l'integrato, in che modo lo fanno?
17 messaggi
• Pagina 1 di 2 • 1, 2
Chi c’è in linea
Visitano il forum: Nessuno e 80 ospiti

Elettrotecnica e non solo (admin)
Un gatto tra gli elettroni (IsidoroKZ)
Esperienza e simulazioni (g.schgor)
Moleskine di un idraulico (RenzoDF)
Il Blog di ElectroYou (webmaster)
Idee microcontrollate (TardoFreak)
PICcoli grandi PICMicro (Paolino)
Il blog elettrico di carloc (carloc)
DirtEYblooog (dirtydeeds)
Di tutto... un po' (jordan20)
AK47 (lillo)
Esperienze elettroniche (marco438)
Telecomunicazioni musicali (clavicordo)
Automazione ed Elettronica (gustavo)
Direttive per la sicurezza (ErnestoCappelletti)
EYnfo dall'Alaska (mir)
Apriamo il quadro! (attilio)
H7-25 (asdf)
Passione Elettrica (massimob)
Elettroni a spasso (guidob)
Bloguerra (guerra)







