Ciao a tutti!
Rieccomi dopo qualche tempo con una nuova richiesta d'aiuto dopo essermi impantanato nella mia nuova piccola avventura.
Una ventina di giorni fa ho acquistato da un signore l'amplificatore in oggetto. Questo signore, ha smontato completamente l'amplificatore (schede e ferramenta) forse per sostituire i cavi o per un parziale recap, non lo so! Me l'ha spedito dandomi come unica nota: "non si è più acceso". All'arrivo ho notato molta cura nell'imballaggio ma anche tanti cavi e cavetti saldati qua e là. Alla prima scheda ho notato un errore di connessione ed un condensatore saldato al contrario... Dissaldo tutti i cavi e ricomincio da capo. Dopo due settimane, schemi, tester, componenti bruciati e "Santi" sono riuscito a farlo suonare.
Nessun guasto sui transistor di potenza ma ho trovato molti componenti danneggiati su alimentazione e protezione oltre
a piste bruciate o componenti mal collegati.
Al momento ho quattro problemi e qui spero qualcuno mi possa aiutare o dare spunti:
1 - Quando do tensione, i relè scattano immediata e sento
un forte "bumps" negli altoparlanti (sono quelli da banco);
2 - stesso problema quando spengo ma qui forse i relè scattano lentamente, tolgo tensione "bump" e dopo poco sento il click del relè;
3 - Il pulsante "Mute" non disattiva l'audio. Tutti i led di controllo sono ok, la sezione Toni e Balnce funziona.Su Q301 (transistor su circuito mute) vedo una variazione di tensione alla pressione del pulsante ma non succede nulla;
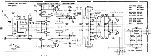
4 - il l'amplificatore phono che viene alimentato da +24 V e -24V non ha - 24 V. Quando premo PhonoEq ottengo +24 V sul regolatore di tensione (tensione d'arrivo intorno ai 34V)ma sul 79m24 non arriva abbastanza tensione per fornire i - 24 V (-2,7V). I componenti li ho testati e sembrano ok, ho anche sostituito i regolatori inutilmente ma ovviamente qualcosa non va!
Ho fatto mille test e controlli, non so più che fare...
Qualcuno ha voglia di perdere un po' di tempo con me?
Ho gli schemi da condividere, ditemi da dove partire!
Ringrazio in anticipo.
Riassemblare Pioneer A-757 mkII
Moderatore:
IsidoroKZ
13 messaggi
• Pagina 1 di 2 • 1, 2
0
voti
Temevo una risposta così... Speravo in: "conosco l'ampli, vai qui, vai lì, misura questo, toglie quello e... Voilà, tutto funziona".
Ma ci spero sempre!
Intanto continuo la ricerca.
Ieri ho notato, per il problema dei - 24 V assenti, che staccando la scheda Phono (in modalità PhonoEq) l'alimentatore fornisce +38V e - 30V, sarebbero sufficienti per i 24 V volt necessari ma il Service mi indica tensioni intorno ai 40V e di pari valore (sia + che -), quindi già qui, qualcosa non torna, 8V di differenza sono troppi (penso). Un componente sta funzionando male!
Continuo.
Grazie comunque per la lettura, io aggiungerò informazioni man mano che capisco/risolvo il problema.
Ciao
Ma ci spero sempre!
Intanto continuo la ricerca.
Ieri ho notato, per il problema dei - 24 V assenti, che staccando la scheda Phono (in modalità PhonoEq) l'alimentatore fornisce +38V e - 30V, sarebbero sufficienti per i 24 V volt necessari ma il Service mi indica tensioni intorno ai 40V e di pari valore (sia + che -), quindi già qui, qualcosa non torna, 8V di differenza sono troppi (penso). Un componente sta funzionando male!
Continuo.
Grazie comunque per la lettura, io aggiungerò informazioni man mano che capisco/risolvo il problema.
Ciao
-

Luridbeatle
215 2 6 - Frequentatore

- Messaggi: 256
- Iscritto il: 19 ago 2018, 10:34
0
voti
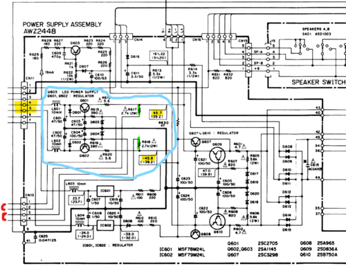
Ho battuto passo passo il circuito d'alimentazione cercando di capire in che momento la tensione passa da -44V a -30V sul ramo di Q602. Ho scollegato il carico del circuito dai pin 4 e 5 (la scheda PhonoEQ Amp) per concetrarmi su questo, cerchiato in azzurro:
Ho verificato i condensatori, le resistenze e sostituiti i diodi (zener da 39V e due rettificatori), ho anche cambito Q601 e Q602 con una nuova coppia ma la differenza di 8V resta, -30V su D602 e +38V su D601.
Su R617 e R618 la tensione non varia mai sia a circuito chiuso (pulsante su CN13) che aperto, quindi escludo un crollo di altri componeti a monte.
Vorrei solo capire se può essere normale...
Se poi ricolelgo il PhonoEQ (dal connettore CN11 si arriva al connettore CN2), ho 24 V precisi in uscita da 78m24, mentre sul ramo negativo un crollo a -2,7V ed in usicta su 79m24 addirittura una tensione positiva di circa 8V (ho provato a sostituire i regolatori, diodi ed i 4 condensatori). Questo lo schema della PhonoEQ:
Lascio sempre qui, se qualcuno con più esperienza riesci a chiarirmi le idee o darmi qualche spunto...
Ho verificato i condensatori, le resistenze e sostituiti i diodi (zener da 39V e due rettificatori), ho anche cambito Q601 e Q602 con una nuova coppia ma la differenza di 8V resta, -30V su D602 e +38V su D601.
Su R617 e R618 la tensione non varia mai sia a circuito chiuso (pulsante su CN13) che aperto, quindi escludo un crollo di altri componeti a monte.
Vorrei solo capire se può essere normale...
Se poi ricolelgo il PhonoEQ (dal connettore CN11 si arriva al connettore CN2), ho 24 V precisi in uscita da 78m24, mentre sul ramo negativo un crollo a -2,7V ed in usicta su 79m24 addirittura una tensione positiva di circa 8V (ho provato a sostituire i regolatori, diodi ed i 4 condensatori). Questo lo schema della PhonoEQ:
Lascio sempre qui, se qualcuno con più esperienza riesci a chiarirmi le idee o darmi qualche spunto...
-

Luridbeatle
215 2 6 - Frequentatore

- Messaggi: 256
- Iscritto il: 19 ago 2018, 10:34
0
voti
Le tensioni in alternata e in continua a monte del raddrizzamento e dei regolatori sono corrette? Sia a vuoto che a carico?
"Non farei mai parte di un club che accettasse la mia iscrizione" (G. Marx)
-

claudiocedrone
21,3k 4 7 9 - Master EY

- Messaggi: 15300
- Iscritto il: 18 gen 2012, 13:36
0
voti
Ciao, le tensioni sono come da schema, una piccola differenza di un paio di volt ma bilanciata e non penso rilevante.
La cosa che non comprendo è perché a vuoto mi trovo sulle due induttanze (anche prima) questa cavolo di differenza di 8V. Le tensioni sono speculari e se non inserisco il PhonoEq a riposo identiche (ovviamente in positivo e negativo). Quando inserisco il PhonoEQ, trovo su D601 circa 38V con differenza in millivolt tra anodo e catodo mentre su D602 -30V sul catodo e -38V sull'anodo (ora non ricordo i millivolt ed ho arrotondato!). È questa cosa che non comprendo, visto il circuito ed i componenti mi aspetto di vedere situazioni speculari tra + e -. Cosa su questo circuito può influenzare la tensione negativa? Q610? Cambiato anche se funzionante (come zener ed i condensatori)... Forse i diodi raddrizzatori D617/D620 anche se non bruciati posso avere problemi? Però il resto del circuito è funzionante.
Ora ho parcheggiato l'amplificatore perché parto con l'installazione dell'impianto solare a casa (devo modificare impianto elettrico e tutto il resto) ma tra qualche giorno lo rimetto sul tavolo e riprendo...
Ti ringrazio per tutti gli spunti che riesci a darmi ed appena possibile torno a replicare con misurazioni precise.
Buona giornata.
La cosa che non comprendo è perché a vuoto mi trovo sulle due induttanze (anche prima) questa cavolo di differenza di 8V. Le tensioni sono speculari e se non inserisco il PhonoEq a riposo identiche (ovviamente in positivo e negativo). Quando inserisco il PhonoEQ, trovo su D601 circa 38V con differenza in millivolt tra anodo e catodo mentre su D602 -30V sul catodo e -38V sull'anodo (ora non ricordo i millivolt ed ho arrotondato!). È questa cosa che non comprendo, visto il circuito ed i componenti mi aspetto di vedere situazioni speculari tra + e -. Cosa su questo circuito può influenzare la tensione negativa? Q610? Cambiato anche se funzionante (come zener ed i condensatori)... Forse i diodi raddrizzatori D617/D620 anche se non bruciati posso avere problemi? Però il resto del circuito è funzionante.
Ora ho parcheggiato l'amplificatore perché parto con l'installazione dell'impianto solare a casa (devo modificare impianto elettrico e tutto il resto) ma tra qualche giorno lo rimetto sul tavolo e riprendo...
Ti ringrazio per tutti gli spunti che riesci a darmi ed appena possibile torno a replicare con misurazioni precise.
Buona giornata.
-

Luridbeatle
215 2 6 - Frequentatore

- Messaggi: 256
- Iscritto il: 19 ago 2018, 10:34
0
voti
Luridbeatle ha scritto:Ora ho parcheggiato l'amplificatore perché parto con l'installazione dell'impianto solare a casa (devo modificare impianto elettrico e tutto il resto) ma tra qualche giorno lo rimetto sul tavolo e riprendo...
Ottima idea, spesso interrompere la ricerca di un guasto azzera il percorso mentale usato fino a quel momento e, alla ripresa del lavoro, di fare ragionamenti diversi che possono portare alla soluzione del problema.
0
voti
edgar ha scritto:Ottima idea, spesso interrompere la ricerca di un guasto azzera il percorso mentale usato fino a quel momento e, alla ripresa del lavoro, di fare ragionamenti diversi che possono portare alla soluzione del problema.
Si hai ragione, è probabile che mi sia infilato in loop mentale.
Mi prendo qualche giorno e poi torno in argomento.
Grazie
-

Luridbeatle
215 2 6 - Frequentatore

- Messaggi: 256
- Iscritto il: 19 ago 2018, 10:34
1
voti
Luridbeatle ha scritto:...Quando inserisco il PhonoEQ, trovo su D601 circa 38V con differenza in millivolt tra anodo e catodo mentre su D602 -30V sul catodo e -38V sull'anodo. È questa cosa che non comprendo
Evidentemente non sai come funzionano i transistor!
In pratica stai dicendo che tra base ed emettitore di Q602, che è un PNP, ci sono 8V in polarizzazione diretta, cioè che la base è più negativa dell'emettitore di ben 8V
... questo dovrebbe indurti a pensare che Q602 sia defunto senza ombra di dubbio, non credi?Se è vero che lo hai sostituito allora si è rotto di nuovo, oppure lo hai montato con i piedini invertiti, oppure c'è un falso contatto, oppure le misure che hai eseguito non sono corrette.
-

BrunoValente
39,6k 7 11 13 - G.Master EY

- Messaggi: 7796
- Iscritto il: 8 mag 2007, 14:48
13 messaggi
• Pagina 1 di 2 • 1, 2
Torna a Elettronica e spettacolo
Chi c’è in linea
Visitano il forum: Nessuno e 8 ospiti

Elettrotecnica e non solo (admin)
Un gatto tra gli elettroni (IsidoroKZ)
Esperienza e simulazioni (g.schgor)
Moleskine di un idraulico (RenzoDF)
Il Blog di ElectroYou (webmaster)
Idee microcontrollate (TardoFreak)
PICcoli grandi PICMicro (Paolino)
Il blog elettrico di carloc (carloc)
DirtEYblooog (dirtydeeds)
Di tutto... un po' (jordan20)
AK47 (lillo)
Esperienze elettroniche (marco438)
Telecomunicazioni musicali (clavicordo)
Automazione ed Elettronica (gustavo)
Direttive per la sicurezza (ErnestoCappelletti)
EYnfo dall'Alaska (mir)
Apriamo il quadro! (attilio)
H7-25 (asdf)
Passione Elettrica (massimob)
Elettroni a spasso (guidob)
Bloguerra (guerra)

