Salve a tutti.
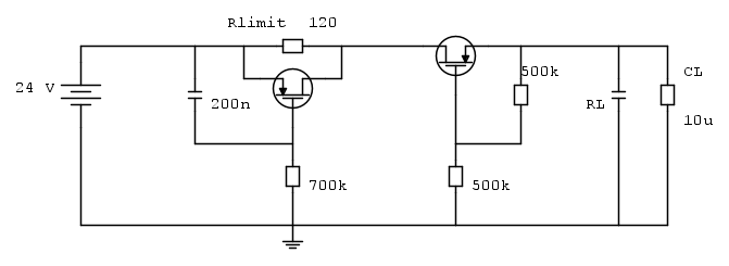
Vorrei chiedere che ne pensate di questo semplice circuito per limitare la corrente di inrush e per proteggere da inversione di polarità. Lo metterei prima di un DCDC (buck) che solitamente hanno dei condensatori in ingresso da qualche uF. Dopo aver consultato un bel po' di roba, mi è venuto in mente di fare una cosa del genere. La parte a sinistra funge da softstart (di solito ho visto che si fa con i relay), dove il mosfet va a cortocircuitare la resistenza Rlimit dopo che ha fatto il suo lavoro di limitazione della corrente nel condensatore. La parte a destra funge solo da protezione per l'inversione di polarità. In simulazione con LTspice sembra funzionare, allego qualche immagine e lo schema in fidocad.
Può essere uno schema che funziona bene nella realtà secondo voi?
Soft start + protezione inversione polarità con mosfet
Moderatori:
carloc,
g.schgor,
BrunoValente,
IsidoroKZ
12 messaggi
• Pagina 1 di 2 • 1, 2
0
voti
1
voti
aggiungo qui il file fidocad
Ultima modifica di
Franco012 il 13 nov 2023, 16:29, modificato 1 volta in totale.
Motivazione: Corretto inserimento disegno con FidoCadJ. Eliminato l'allegato.
Motivazione: Corretto inserimento disegno con FidoCadJ. Eliminato l'allegato.
0
voti
Se ti possono servire, qui ci sono un po di informazioni e dati sull'uso dei mosfet come protezione dalle inversioni di polarita' https://www.infineon.com/dgdl/Reverse-B ... 1887722615 
"Sopravvivere" e' attualmente l'unico lusso che la maggior parte dei Cittadini italiani,
sia pure a costo di enormi sacrifici, riesce ancora a permettersi.
sia pure a costo di enormi sacrifici, riesce ancora a permettersi.
-

Etemenanki
9.522 3 6 10 - Master

- Messaggi: 5948
- Iscritto il: 2 apr 2021, 23:42
- Località: Dalle parti di un grande lago ... :)
0
voti
di base, se penso ad un mosfet in cui inverto la polarità, devo perforza supporre che se esiste un diodo in antiparallelo questro andrà a portare in uscita una bella tensione inversa, quindi avrei un danno, se invece non ho questo diodo internamente al mosfet, non so cosa può capitare al povero mosfet, non ho mai provato.
sto a vedere gli sviluppi, così mi faccio un idea.
saluti.
sto a vedere gli sviluppi, così mi faccio un idea.
saluti.
-

lelerelele
4.899 3 7 9 - Master

- Messaggi: 5505
- Iscritto il: 8 giu 2011, 8:57
- Località: Reggio Emilia
0
voti
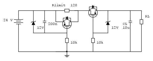
rbacchi ha scritto:Io metterei uno zener da 15v fra gate e source per non dare 24 V al gate
Giusto, vero, grazie. Per il resto secondo voi può essere valido come circuito?
0
voti
Se cerchi una soluzione integrata puoi usare hot-swap/e-fuse, sono molto comuni per lo start-up di convertitori DC/DC, specie per quelli non regolati.
A parte il breakdown source-gate comunque il tuo schema dovrebbe andare bene, io ti suggerirei di usare gli zener così, in modo da pilotare i MOS con una Vgs che garantisca minima RdsON.
Stai attento alla potenza che dissipa la resistenza di limitazione: considera di metterne un paio in parallelo oppure di usare una (o più) resistenza di potenza.
Non so che correnti ci farai passare, ma occhio alla dissipazione termica dei transistori in steady state: i PMOS hanno generalmente RdsON più alta rispetto ai fratelli NMOS.
È data dalla carica delle capacità di canale drain-source (Coss) del secondo PMOS: anche se i MOS sono spenti, se metti una capacità tra il drain e il source di ogni MOS noterai che si crea una maglia capacitiva che carica sia la Cout sia la Coss.
A parte il breakdown source-gate comunque il tuo schema dovrebbe andare bene, io ti suggerirei di usare gli zener così, in modo da pilotare i MOS con una Vgs che garantisca minima RdsON.
Stai attento alla potenza che dissipa la resistenza di limitazione: considera di metterne un paio in parallelo oppure di usare una (o più) resistenza di potenza.
Non so che correnti ci farai passare, ma occhio alla dissipazione termica dei transistori in steady state: i PMOS hanno generalmente RdsON più alta rispetto ai fratelli NMOS.
la corrente nel condensatore quando c'è polarità inversa, vorrei capire da dove esce fuori, anche se piccola. E questa causa anche piccoli picchi di tensione su Vout
È data dalla carica delle capacità di canale drain-source (Coss) del secondo PMOS: anche se i MOS sono spenti, se metti una capacità tra il drain e il source di ogni MOS noterai che si crea una maglia capacitiva che carica sia la Cout sia la Coss.
0
voti
Grazie mille per il commento. Si, mi stavo anche informando per questi controllori che dici tu, in particolare il TPS2640 che mi sembra valido per le correnti e le tensioni che mi servono, 24 V per circa massimo 1A. Solo che volevo fare qualcosa di più "casereccio", per capire meglio le cose 

Ultima modifica di
gill90 il 15 nov 2023, 14:04, modificato 1 volta in totale.
Motivazione: Rimossa citazione integrale del messaggio, non serve riportarlo per intero
Motivazione: Rimossa citazione integrale del messaggio, non serve riportarlo per intero
0
voti
gill90 ha scritto:la corrente nel condensatore quando c'è polarità inversa, vorrei capire da dove esce fuori, anche se piccola. E questa causa anche piccoli picchi di tensione su Vout
È data dalla carica delle capacità di canale drain-source (Coss) del secondo PMOS: anche se i MOS sono spenti, se metti una capacità tra il drain e il source di ogni MOS noterai che si crea una maglia capacitiva che carica sia la Cout sia la Coss.
Ma è un qualcosa che potrebbe dare fastidio/danneggiare il carico? Che sarebbe un DCDC della recom https://www.mouser.it/ProductDetail/REC ... 0JXg%3D%3D e tutto il circuito che gli sta appresso
12 messaggi
• Pagina 1 di 2 • 1, 2
Chi c’è in linea
Visitano il forum: Nessuno e 193 ospiti

Elettrotecnica e non solo (admin)
Un gatto tra gli elettroni (IsidoroKZ)
Esperienza e simulazioni (g.schgor)
Moleskine di un idraulico (RenzoDF)
Il Blog di ElectroYou (webmaster)
Idee microcontrollate (TardoFreak)
PICcoli grandi PICMicro (Paolino)
Il blog elettrico di carloc (carloc)
DirtEYblooog (dirtydeeds)
Di tutto... un po' (jordan20)
AK47 (lillo)
Esperienze elettroniche (marco438)
Telecomunicazioni musicali (clavicordo)
Automazione ed Elettronica (gustavo)
Direttive per la sicurezza (ErnestoCappelletti)
EYnfo dall'Alaska (mir)
Apriamo il quadro! (attilio)
H7-25 (asdf)
Passione Elettrica (massimob)
Elettroni a spasso (guidob)
Bloguerra (guerra)





