Buongiorno a tutti,
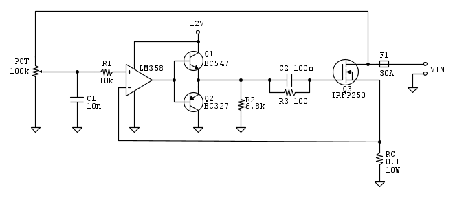
Sono alle prese con un carico elettronico ed ho trovato in rete questo schema:
che è in configurazione a resistenza costante e alimentando il potenziometro con tensione costante diventerebbe anche a corrente costante ma per ora non è importante, la mia domanda è un'altra, sicuramente molto banale per alcuni ma spero vorrete aiutarmi comunque.
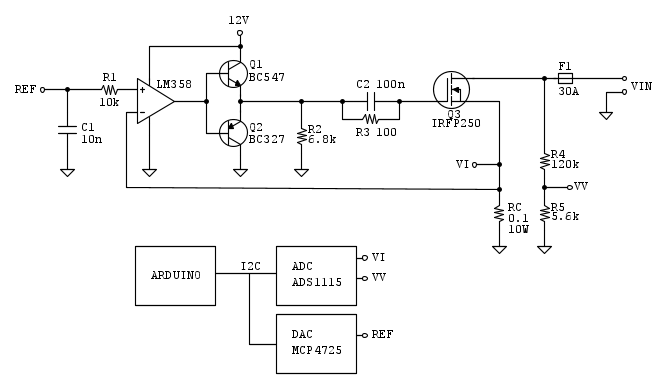
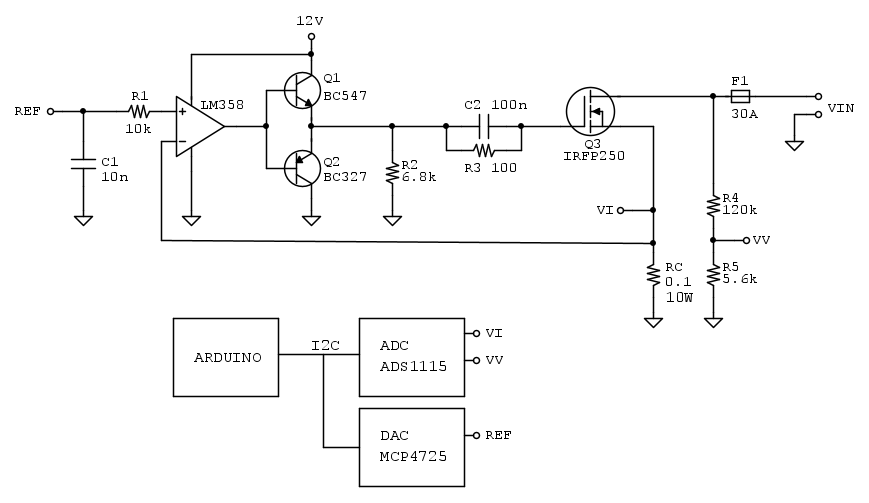
Mi piacerebbe "digitalizzare" il tutto per poter gestire comodamente il soft start e lo storage dei dati tensione, corrente, potenza ,ecc...
Ho pensato di trasformare il circuito in questo modo:
Come caratteristiche vorrei ottenere
Vmax = 100V
Imax = 20/30A
col partitore R4/R5 alimentando il sistema a 100V, VV arriva al massimo a 4.45V
con un massimo di 30A VI arriva al massimo a 3V
quindi usando un ADC posso leggere in maniera abbastanza precisa i valori di tensione e corrente e col DAC generare la tensione di riferimento.
Il mio dubbio più grande è questo:
Poniamo che il tutto stia lavorando e RC si brucia ma senza far saltare il fusibile, come posso proteggere arduino dac e adc dalla sovratensione?
uno zener?
un doppio diodo?
Avete consigli?
Carico elettronico
Moderatori:
carloc,
g.schgor,
BrunoValente,
IsidoroKZ
1
voti
Il consiglio e` di non usare un processore per chiudere il loop intorno all'elemento di potenza: il processore e` troppo lento per misurare la grandezza di uscita e comandare il MOS. Funzionerebbe bene solo per il funzionamento a corrente costante.
Inoltre 30A su Rc le fanno dissipare 90W. Mi sembra un valore molto elevato.
Inoltre 30A su Rc le fanno dissipare 90W. Mi sembra un valore molto elevato.
Per usare proficuamente un simulatore, bisogna sapere molta più elettronica di lui
Plug it in - it works better!
Il 555 sta all'elettronica come Arduino all'informatica! (entrambi loro malgrado)
Se volete risposte rispondete a tutte le mie domande
Plug it in - it works better!
Il 555 sta all'elettronica come Arduino all'informatica! (entrambi loro malgrado)
Se volete risposte rispondete a tutte le mie domande
0
voti
Guarda questo thread e segui anche I link indicati nei post:
Carico elettronico attivo DC
viewtopic.php?f=48&t=86513
Carico elettronico attivo DC
viewtopic.php?f=48&t=86513
0
voti
Usa un potenziometro digitale.
-

PietroBaima
90,7k 7 12 13 - G.Master EY

- Messaggi: 12206
- Iscritto il: 12 ago 2012, 1:20
- Località: Londra
0
voti
Il primo dubbio che mi pongo è questo, se ho 80V su 20A, sono la bellezza di 1600W, è impensabile un mosfet che li possa dissipare, (che io conosca), come minimo devi usare in uscita parallelo di BJT oppure IGBT.wimatech ha scritto:Come caratteristiche vorrei ottenere
Vmax = 100V
Imax = 20/30A
Credo che il secondo scoglio, sia il tipo di variazine che intendi caricare, se DC, oppure variazioni lente, oppure picchi, oppure gradini, oppure HF, nei vari casi direi che analizzerei bene il circuito basilare da utilizzare per il carico.
Il resto verrebbe dopo.
saluti.
-

lelerelele
4.899 3 7 9 - Master

- Messaggi: 5505
- Iscritto il: 8 giu 2011, 8:57
- Località: Reggio Emilia
0
voti
Cerco di rispondere a tutti:
Mi scuso per l'errore di battitura, RC non è da 10W ma da 100W.
Ho pensato al uC perché intendo usare questo carico su alimentatori DC che nel caso in cui imposti la funzione resistenza costante dovrebbe solo "rincorrere" le variazioni di tensione ma presumo che come dici tu probabilmente sarebbe comunque lento.
Ci ho pensato anch'io ma gli unici che conosco accettano una tensione massima di 5V e andrei a bruciarlo applicando una tensione maggiore, se ne conoscete di utilizzabili in questa applicazione potete indicarmeli?
Ovviamente se consideriamo la tensione massima e la corrente massima andiamo ben oltre i limiti soportabili dal mosfet, potrei sempre fare più circuiti paralleli con più mosfet ma infatti ho pensato al uC e al softstart per gestire appunto la potenza massima assorbita.
Ora vado a leggermelo grazie
IsidoroKZ ha scritto:il processore e` troppo lento per misurare la grandezza di uscita e comandare il MOS. Funzionerebbe bene solo per il funzionamento a corrente costante.
Inoltre 30A su Rc le fanno dissipare 90W. Mi sembra un valore molto elevato.
Mi scuso per l'errore di battitura, RC non è da 10W ma da 100W.
Ho pensato al uC perché intendo usare questo carico su alimentatori DC che nel caso in cui imposti la funzione resistenza costante dovrebbe solo "rincorrere" le variazioni di tensione ma presumo che come dici tu probabilmente sarebbe comunque lento.
PietroBaima ha scritto:Usa un potenziometro digitale.
Ci ho pensato anch'io ma gli unici che conosco accettano una tensione massima di 5V e andrei a bruciarlo applicando una tensione maggiore, se ne conoscete di utilizzabili in questa applicazione potete indicarmeli?
lelerelele ha scritto:Il primo dubbio che mi pongo è questo, se ho 80V su 20A, sono la bellezza di 1600W, è impensabile un mosfet che li possa dissipare, (che io conosca), come minimo devi usare in uscita parallelo di BJT oppure IGBT.wimatech ha scritto:Come caratteristiche vorrei ottenere
Vmax = 100V
Imax = 20/30A
Credo che il secondo scoglio, sia il tipo di variazine che intendi caricare, se DC, oppure variazioni lente, oppure picchi, oppure gradini, oppure HF, nei vari casi direi che analizzerei bene il circuito basilare da utilizzare per il carico.
Il resto verrebbe dopo.
saluti.
Ovviamente se consideriamo la tensione massima e la corrente massima andiamo ben oltre i limiti soportabili dal mosfet, potrei sempre fare più circuiti paralleli con più mosfet ma infatti ho pensato al uC e al softstart per gestire appunto la potenza massima assorbita.
elfo ha scritto:Guarda questo thread e segui anche I link indicati nei post:
Carico elettronico attivo DC
viewtopic.php?f=48&t=86513
Ora vado a leggermelo grazie
0
voti
wimatech ha scritto:PietroBaima ha scritto:Usa un potenziometro digitale.
Ci ho pensato anch'io ma gli unici che conosco accettano una tensione massima di 5V e andrei a bruciarlo applicando una tensione maggiore, se ne conoscete di utilizzabili in questa applicazione potete indicarmeli?
Ci sono dei digipot che sopportano tensioni elevate, ma in questo caso non ne hai bisogno e poi sono costosi.
Ti è sufficiente partizionare la tensione di ingresso al digipot e poi aggiustarti con le amplificazioni dopo.
-

PietroBaima
90,7k 7 12 13 - G.Master EY

- Messaggi: 12206
- Iscritto il: 12 ago 2012, 1:20
- Località: Londra
0
voti
Puoi fare una cosa simile a questa, dove il GPIO del uC sono programmati per dare o alta impedenza oppure GND.
Fai attenzione di assicurare che almeno una R sia sempre a massa e che alle altre, in HiZ, non arrivi una tensione superiore a Vcc (ma questo deve essere vero anche per il potenziometro digitale).
QUESTO ANCHE DURANTE LE COMMUTAZIONI (prima metti a GND l'altra R poi stacchi la precedente).
Così con poca spesa risolvi.
Fai attenzione di assicurare che almeno una R sia sempre a massa e che alle altre, in HiZ, non arrivi una tensione superiore a Vcc (ma questo deve essere vero anche per il potenziometro digitale).
QUESTO ANCHE DURANTE LE COMMUTAZIONI (prima metti a GND l'altra R poi stacchi la precedente).
Così con poca spesa risolvi.
-

PietroBaima
90,7k 7 12 13 - G.Master EY

- Messaggi: 12206
- Iscritto il: 12 ago 2012, 1:20
- Località: Londra
0
voti
PietroBaima ha scritto:Puoi fare una cosa simile a questa, dove il GPIO del uC sono programmati per dare o alta impedenza oppure GND.
Fai attenzione di assicurare che almeno una R sia sempre a massa e che alle altre, in HiZ, non arrivi una tensione superiore a Vcc (ma questo deve essere vero anche per il potenziometro digitale).
QUESTO ANCHE DURANTE LE COMMUTAZIONI (prima metti a GND l'altra R poi stacchi la precedente).
Così con poca spesa risolvi.
Scusa se non faccio lo schema con fido ma ce l'ho pronto e lo posto direttamente.
Avevo pensato ad una cosa simile facendo così:
Dove RV3 è un pot elettronico
D1 uno zener da 5V
e i contatti che bypassano le resistenze dei relè comandati da uC
0
voti
Mamma mia che complicazione, la soluzione che ti ho dato è molto più semplice...
Lo zener non serve, poi devi aggiustare l'amplificazione.
Calcola bene la transimpedenza.
Lo zener non serve, poi devi aggiustare l'amplificazione.
Calcola bene la transimpedenza.
-

PietroBaima
90,7k 7 12 13 - G.Master EY

- Messaggi: 12206
- Iscritto il: 12 ago 2012, 1:20
- Località: Londra
Chi c’è in linea
Visitano il forum: Nessuno e 277 ospiti

Elettrotecnica e non solo (admin)
Un gatto tra gli elettroni (IsidoroKZ)
Esperienza e simulazioni (g.schgor)
Moleskine di un idraulico (RenzoDF)
Il Blog di ElectroYou (webmaster)
Idee microcontrollate (TardoFreak)
PICcoli grandi PICMicro (Paolino)
Il blog elettrico di carloc (carloc)
DirtEYblooog (dirtydeeds)
Di tutto... un po' (jordan20)
AK47 (lillo)
Esperienze elettroniche (marco438)
Telecomunicazioni musicali (clavicordo)
Automazione ed Elettronica (gustavo)
Direttive per la sicurezza (ErnestoCappelletti)
EYnfo dall'Alaska (mir)
Apriamo il quadro! (attilio)
H7-25 (asdf)
Passione Elettrica (massimob)
Elettroni a spasso (guidob)
Bloguerra (guerra)





pigreco]=π