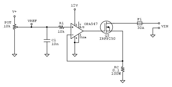
gill90 ha scritto:R2 è inutile, puoi anche toglierla.
R3 invece fa male, quella DEVI toglierla.
Fatto
gill90 ha scritto:Dato che tu però utilizzi l'OPAMP prevalentemente in AC (carichi/scarichi la capacità di gate del MOS) non andrà mai in overtemperature
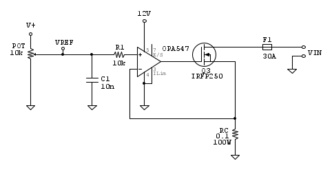
Come in AC? il tutto io lo voglio usare in DC per testare alimentatori DC e batterie.
gill90 ha scritto:devi metterci un sensore vicino ai componenti che scaldano (MOS e resistenza di sense) per avere un controllo di temperatura.
Si ho intenzione i montare dei sensori di temperatura e usare il valore che restituiscono per andare a gestire l'accensione e lo spegnimento delle ventole.
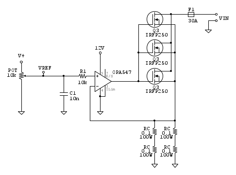
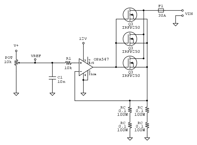
gill90 ha scritto:Fossi in te io metterei più MOSFET in parallelo a pilotare una (o più) resistenze di sense
così?
gill90 ha scritto:Se scegli di usare più MOS piazzali tutti su un unico dissipatore (come diceThEnGi) per evitare breakdown termici, altrimenti se usi un dissipatore diverso per ognuno rischi che ti si brucino.
In casa ho parecchie alette di raffreddamento per CPU con annesse ventole e pensavo di montare ogni singolo mosfet su un aletta ventilata ma se dite che è una pessima idea opto per l'unica aletta singola comune a tutti e ovviamente ventilata

Elettrotecnica e non solo (admin)
Un gatto tra gli elettroni (IsidoroKZ)
Esperienza e simulazioni (g.schgor)
Moleskine di un idraulico (RenzoDF)
Il Blog di ElectroYou (webmaster)
Idee microcontrollate (TardoFreak)
PICcoli grandi PICMicro (Paolino)
Il blog elettrico di carloc (carloc)
DirtEYblooog (dirtydeeds)
Di tutto... un po' (jordan20)
AK47 (lillo)
Esperienze elettroniche (marco438)
Telecomunicazioni musicali (clavicordo)
Automazione ed Elettronica (gustavo)
Direttive per la sicurezza (ErnestoCappelletti)
EYnfo dall'Alaska (mir)
Apriamo il quadro! (attilio)
H7-25 (asdf)
Passione Elettrica (massimob)
Elettroni a spasso (guidob)
Bloguerra (guerra)



pigreco]=π


