Problema con filtro p basso ad alimentazione singola
Moderatori:
carloc,
g.schgor,
BrunoValente,
IsidoroKZ
0
voti
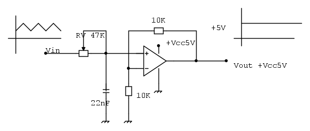
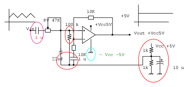
Buongiorno, posto di seguito un problema con un filtrto passsa basso ad operazionale ad alimentazione singola a +Vcc 5V.
Mi succede che se in ingresso metto un segnale ad onda triangolare come disegnato nello schema
in uscita dovrei ottenere un segnale ed invece no e non capisco perche dato che da reale i componenti sono stati collegati bene .
Per fafore potete aiutarmi a capire percè non funziona?
Posto di seguito lo schemino con Fidocad:
Mi succede che se in ingresso metto un segnale ad onda triangolare come disegnato nello schema
in uscita dovrei ottenere un segnale ed invece no e non capisco perche dato che da reale i componenti sono stati collegati bene .
Per fafore potete aiutarmi a capire percè non funziona?
Posto di seguito lo schemino con Fidocad:
0
voti
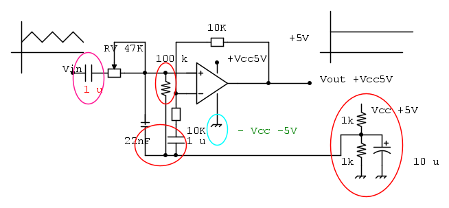
Puoi fare due modifiche in alternativa:
1) Modifica "rossa" - puoi mantenere l'alimentazione singola
2) Modifica "celeste" - puoi mantenere il circuito originale ma devi avere alimentazione duale
Qual e' il modello di Op-Amp che utilizzi?
1) Modifica "rossa" - puoi mantenere l'alimentazione singola
2) Modifica "celeste" - puoi mantenere il circuito originale ma devi avere alimentazione duale
Qual e' il modello di Op-Amp che utilizzi?
0
voti
L'LM324 lavora bene anche a 5V (alimentazione "totale" tra V+ e V-)
Tensione minima di alimentazione "totale" 3 V
Se hai un Op-Amp (dei quattro disponibili nel chip) disponibile il circuito puo' essere "raffinato" (complicato
)
Tensione minima di alimentazione "totale" 3 V
Se hai un Op-Amp (dei quattro disponibili nel chip) disponibile il circuito puo' essere "raffinato" (complicato
0
voti
I valori indicati per il segnale di ingresso (e di uscita) somo i massimi possibili.
Il generatore deve essere in grado di fornire i livelli di segnale indicati con accoppiamento in DC
Il generatore deve essere in grado di fornire i livelli di segnale indicati con accoppiamento in DC
0
voti
elfo ha scritto:Puoi fare due modifiche in alternativa:
1) Modifica "rossa" - puoi mantenere l'alimentazione singola
2) Modifica "celeste" - puoi mantenere il circuito originale ma devi avere alimentazione duale
Qual e' il modello di Op-Amp che utilizzi?
Allora con tale complessità circuitale non riescio più a far stare i componenti aggiuntivi: quindi posso tenere per buono l'ultimo schema che hai postato per il mio caso ?
0
voti
alien75 ha scritto:Allora con tale complessità circuitale non riescio più a far stare i componenti aggiuntivi: quindi posso tenere per buono l'ultimo schema che hai postato per il mio caso ?
NO!
Se non ci dici "per bene" a_cosa_serve_cosa_deve_fare_quali_sono_le_specifiche_del_circuito qualunque circuito e' "sbagliato".
Risulta da documenti (se sei interessato posso ritrovare il documento) che in Tektronix - durante una peer review di uno schema - una intera parte di circuito fu omessa perche' inutile.
E' il tuo caso?
1
voti
Allora il segnale di ingresso proviene da un sommatore invertente a 5 ingressi.
Dal sommatore provengono 5 sinusoidi e tale sommatore è ad alimentazione singola
e per esigenze progettuali non posso utilizzare la duale per il progetto complessivo.
Si tratta di un progetto di sintetizzatore a 5 armoniche che utilizza potenzioemtri digitali,
i quali non possono essere invertiti di tensione, quindi devo applicare segnali solo positivi ai loro capi altrimenti si bruciano.
Utilizzo l'MCP4251 come potenziometro digitale.
A sua volta pure la RV dello schemino di filtro è un pot. digitale MCP4251.
Fino all'uscita del sommatore tutto funziona alla perfezione: tale sommatore riceve i segnali da degli oscillatori fatti a sua volta con gli operazionali, mi manca sistemare il filtro.
Che ne dici?
Questo filtro serve per fare l'effetto CUT-OFF del segnale proveniente dal sommatore.
Dal sommatore provengono 5 sinusoidi e tale sommatore è ad alimentazione singola
e per esigenze progettuali non posso utilizzare la duale per il progetto complessivo.
Si tratta di un progetto di sintetizzatore a 5 armoniche che utilizza potenzioemtri digitali,
i quali non possono essere invertiti di tensione, quindi devo applicare segnali solo positivi ai loro capi altrimenti si bruciano.
Utilizzo l'MCP4251 come potenziometro digitale.
A sua volta pure la RV dello schemino di filtro è un pot. digitale MCP4251.
Fino all'uscita del sommatore tutto funziona alla perfezione: tale sommatore riceve i segnali da degli oscillatori fatti a sua volta con gli operazionali, mi manca sistemare il filtro.
Che ne dici?
Questo filtro serve per fare l'effetto CUT-OFF del segnale proveniente dal sommatore.
0
voti
alien75 ha scritto:Allora il segnale di ingresso proviene da un sommatore invertente a 5 ingressi.
Dal sommatore provengono 5 sinusoidi e tale sommatore è ad alimentazione singola
E' realizzato cosi?
Completa lo schema con le alimentazioni e i livelli di segnale in ingresso ed uscita riferiti a massa.
alien75 ha scritto:Utilizzo l'MCP4251 come potenziometro digitale.
A sua volta pure la RV dello schemino di filtro è un pot. digitale MCP4251.
Fino all'uscita del sommatore tutto funziona alla perfezione: tale sommatore riceve i segnali da degli oscillatori fatti a sua volta con gli operazionali, mi manca sistemare il filtro.
Che ne dici?
Questo filtro serve per fare l'effetto CUT-OFF del segnale proveniente dal sommatore.
Hai pensato di utilizzare uno Switched-Capacitor Filter al posto di pot. digitale + Op-Amp es MAX7409/MAX7410?
0
voti
Ecco il completamento: come vedi devo alzare l'ingresso non invertente da 2,5v per non tagliare il segnale. Ho pensato ai potenzioemtri digitali perché più adatti al caso: ormai l'ho realizzato e pensato così e lo tengo coi pot. digitali.
Ora devo capire come completare il filtro collegato all'uscita di tale sommatore.
Chi c’è in linea
Visitano il forum: Nessuno e 239 ospiti

Elettrotecnica e non solo (admin)
Un gatto tra gli elettroni (IsidoroKZ)
Esperienza e simulazioni (g.schgor)
Moleskine di un idraulico (RenzoDF)
Il Blog di ElectroYou (webmaster)
Idee microcontrollate (TardoFreak)
PICcoli grandi PICMicro (Paolino)
Il blog elettrico di carloc (carloc)
DirtEYblooog (dirtydeeds)
Di tutto... un po' (jordan20)
AK47 (lillo)
Esperienze elettroniche (marco438)
Telecomunicazioni musicali (clavicordo)
Automazione ed Elettronica (gustavo)
Direttive per la sicurezza (ErnestoCappelletti)
EYnfo dall'Alaska (mir)
Apriamo il quadro! (attilio)
H7-25 (asdf)
Passione Elettrica (massimob)
Elettroni a spasso (guidob)
Bloguerra (guerra)






