Cos'è ElectroYou | Login Iscriviti

ElectroYou - la comunità dei professionisti del mondo elettrico

Problema con filtro p basso ad alimentazione singola

Elettronica lineare e digitale: didattica ed applicazioni

Moderatori: Foto Utentecarloc, Foto Utenteg.schgor, Foto UtenteBrunoValente, Foto UtenteIsidoroKZ

0
voti

[51] Re: Problema con filtro p basso ad alimentazione singola

Messaggioda Foto UtenteMarcoD » 11 dic 2023, 20:12

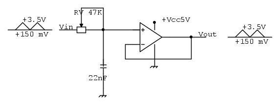
Quando inserisci schemi, devi inserirli fra: che ottieni dal bottone fcd. Se non lo fai compaiono come twesto ascii e li deve correggere il lettore, ossia io.

Ci deve essere un malinteso o uno spaventoso errore banale.... :evil:
I canali dell'oscilloscopio dell'immagine sono predisposti per misure AC o DC ? Dalla brutta immagine storta non si distingue la traccia gialla da quella blu. Non servono 10 triangoli piccoli, ma visualizzane solo 3 grandi, si deve leggere la basa tempi in msecondi /quadretto e la scala verticale in volt/quadretto e se i canali sono in AC o DC e il riferimento di tensione zero, altrimenti lìimmagine è una perdita di tempo. :evil:
Riporta i valori delle tensioni continua V1 e V2 per differenti posizioni del potenziometro. Esempio:
V1 V2
------------
0,0 ?
1,0 ?
2,0 ?
3,0 eccetera
4,0
5,0

Avatar utente
Foto UtenteMarcoD
12,2k 5 9 13
Master EY
Master EY
 
Messaggi: 6696
Iscritto il: 9 lug 2015, 16:58
Località: Torino

0
voti

[52] Re: Problema con filtro p basso ad alimentazione singola

Messaggioda Foto Utentealien75 » 11 dic 2023, 21:51

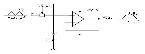
MarcoD ha scritto:Quando inserisci schemi, devi inserirli fra: che ottieni dal bottone fcd. Se non lo fai compaiono come twesto ascii e li deve correggere il lettore, ossia io.

Ci deve essere un malinteso o uno spaventoso errore banale.... :evil:
I canali dell'oscilloscopio dell'immagine sono predisposti per misure AC o DC ? Dalla brutta immagine storta non si distingue la traccia gialla da quella blu. Non servono 10 triangoli piccoli, ma visualizzane solo 3 grandi, si deve leggere la basa tempi in msecondi /quadretto e la scala verticale in volt/quadretto e se i canali sono in AC o DC e il riferimento di tensione zero, altrimenti lìimmagine è una perdita di tempo. :evil:
Riporta i valori delle tensioni continua V1 e V2 per differenti posizioni del potenziometro. Esempio:
V1 V2
------------
0,0 ?
1,0 ?
2,0 ?
3,0 eccetera
4,0
5,0



Ecco i valori:

V1____V2
0,0V 0,0V
1,0V 1,0V
2,0V 2,0V
3,0V 3,0V
4,0V 3,64V
4,69V 3,64V
Avatar utente
Foto Utentealien75
1 1 4 8
Sostenitore
Sostenitore
 
Messaggi: 590
Iscritto il: 31 lug 2011, 14:08

0
voti

[53] Re: Problema con filtro p basso ad alimentazione singola

Messaggioda Foto Utenteelfo » 11 dic 2023, 21:56

alien75 ha scritto:Ecco i valori:

V1____V2
0,0V 0,0V
1,0V 1,0V
2,0V 2,0V
3,0V 3,0V
4,0V 3,64V
4,69V 3,64V

Post [5]
elfo ha scritto:I valori indicati per il segnale di ingresso (e di uscita) somo i massimi possibili.
Avatar utente
Foto Utenteelfo
6.819 4 5 7
G.Master EY
G.Master EY
 
Messaggi: 2828
Iscritto il: 15 lug 2016, 13:27

0
voti

[54] Re: Problema con filtro p basso ad alimentazione singola

Messaggioda Foto Utentealien75 » 12 dic 2023, 20:00

Ho fatto delle prove su bread-board e poi la stessa prova sulla millefori del progetto.
Riporto lo schema in questione:


Le tracce della bread-board sono le seguenti: traccia gialla segnale di ingresso, traccia blue segnale di uscita.
Ho poi fatto la stessa prova con lo stesso schema con la millefori del progetto: segnale giallo=ingresso, segnale blue=uscita
La prima traccia riguarda lo schema realizzato con la millefori del progetto, mentre la seconda riguarda il disegno fatto con breadboard.
Osservando la seconda traccia c'è un problema con le alimentazioni.
Allegati
millefori.png
beadboard.png
Avatar utente
Foto Utentealien75
1 1 4 8
Sostenitore
Sostenitore
 
Messaggi: 590
Iscritto il: 31 lug 2011, 14:08

0
voti

[55] Re: Problema con filtro p basso ad alimentazione singola

Messaggioda Foto Utenteelfo » 12 dic 2023, 20:11

Ti stai rendendo conto che in ingresso all'Op-Amp applichi valori di tensione oltre i limiti di linearita' (3.5 V max con 5 V di alimentazione?

Nella seconda schermata applichi all'ingresso addirittura una tensione negativa (traccia gialla).
Avatar utente
Foto Utenteelfo
6.819 4 5 7
G.Master EY
G.Master EY
 
Messaggi: 2828
Iscritto il: 15 lug 2016, 13:27

-1
voti

[56] Re: Problema con filtro p basso ad alimentazione singola

Messaggioda Foto Utentealien75 » 12 dic 2023, 20:58

elfo ha scritto:Ti stai rendendo conto che in ingresso all'Op-Amp applichi valori di tensione oltre i limiti di linearita' (3.5 V max con 5 V di alimentazione?

Nella seconda schermata applichi all'ingresso addirittura una tensione negativa (traccia gialla).


Si infatti è una cosa assurda, comuque voglio chiudere il post perché mi è venuta un'idea:
il filtro passabasso nel sinth lo posso simulare da software con il programma dentro l'ARDUINO
che gestirà i potenziometri digitali.
Quindi elimino il filtro passa basso ed affido tutto ad un software dentro ad ARDUINOUNO.
Chiudo la discussione e grazie.
Avatar utente
Foto Utentealien75
1 1 4 8
Sostenitore
Sostenitore
 
Messaggi: 590
Iscritto il: 31 lug 2011, 14:08

0
voti

[57] Re: Problema con filtro p basso ad alimentazione singola

Messaggioda Foto Utenteclaudiocedrone » 12 dic 2023, 22:32

Prego :mrgreen:
"Non farei mai parte di un club che accettasse la mia iscrizione" (G. Marx)
Avatar utente
Foto Utenteclaudiocedrone
21,3k 4 7 9
Master EY
Master EY
 
Messaggi: 15302
Iscritto il: 18 gen 2012, 13:36

1
voti

[58] Re: Problema con filtro p basso ad alimentazione singola

Messaggioda Foto UtenteMarcoD » 13 dic 2023, 9:12

Abbandonare un problema non risolto non mi pare una buona idea dal punto di vista didattico.

il filtro passabasso nel sinth lo posso simulare da software con il programma dentro l'ARDUINO

E' possibile se le tue competenze software sono maggiori di quelle hardware, dipende poi dalla frequenza di taglio del filtro che imposti, poi un piccolo filtro analogico in ingresso serve sempre per evitare l'aliasing (creazione di immagini per ripiegamento dello spettro).
Però mi pare un prodotto dell'UCAS (Ufficio Complicazione Affari Semplici) :-)

Un ultimo consiglio non richiesto :-) :
Se nel sintetizzatore non ti interessa sintetizzare anche il livello di tensione continua, disaccoppia gli stadi con un condensatore da 0,1 o 1 uF in serie, ti togli molti problemi. ;-)
Avatar utente
Foto UtenteMarcoD
12,2k 5 9 13
Master EY
Master EY
 
Messaggi: 6696
Iscritto il: 9 lug 2015, 16:58
Località: Torino

Precedente

Torna a Elettronica generale

Chi c’è in linea

Visitano il forum: Nessuno e 57 ospiti