Doppio bipolo con trasformatore e resistenza a cavallo
Moderatori:
carloc,
g.schgor,
BrunoValente,
IsidoroKZ
15 messaggi
• Pagina 2 di 2 • 1, 2
0
voti
Scusami tanto Renzo, la mia attenzione era più incentrata sullo svolgimento dell'esercizio (l'esame si fa vicino) e me ne sono dimenticato. Ad ogni modo, puoi spiegarti meglio? Se la corrente su R1 è nulla, come abbiamo visto, perché "dipende" da a cosa è collegata la rete?
0
voti
Credo che Renzo voglia dirti questo, cosa che potresti (se il prof è perfido) incontrare all'esame:
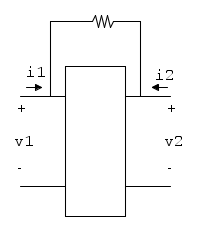
cosa succede se colleghi il "doppio bipolo" così?
cambia se metti o togli R1?
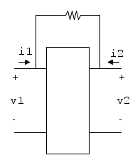
cosa succede se colleghi il "doppio bipolo" così?
cambia se metti o togli R1?
-

PietroBaima
90,7k 7 12 13 - G.Master EY

- Messaggi: 12206
- Iscritto il: 12 ago 2012, 1:20
- Località: Londra
0
voti
In quel caso penso che debba rimanere (?)
Cioè ad intuito mi viene da dire così, probabilmente perché la corrente che entra nel blocco centrale è influenzata da quella resistenza.
Cioè ad intuito mi viene da dire così, probabilmente perché la corrente che entra nel blocco centrale è influenzata da quella resistenza.
0
voti
PietroBaima ha scritto:Credo che Renzo voglia dirti questo, ...
Diciamo che, lasciando per i1 e i2 le convenzioni del post iniziale, più in generale
"Il circuito ha sempre ragione" (Luigi Malesani)
15 messaggi
• Pagina 2 di 2 • 1, 2
Chi c’è in linea
Visitano il forum: Nessuno e 35 ospiti

Elettrotecnica e non solo (admin)
Un gatto tra gli elettroni (IsidoroKZ)
Esperienza e simulazioni (g.schgor)
Moleskine di un idraulico (RenzoDF)
Il Blog di ElectroYou (webmaster)
Idee microcontrollate (TardoFreak)
PICcoli grandi PICMicro (Paolino)
Il blog elettrico di carloc (carloc)
DirtEYblooog (dirtydeeds)
Di tutto... un po' (jordan20)
AK47 (lillo)
Esperienze elettroniche (marco438)
Telecomunicazioni musicali (clavicordo)
Automazione ed Elettronica (gustavo)
Direttive per la sicurezza (ErnestoCappelletti)
EYnfo dall'Alaska (mir)
Apriamo il quadro! (attilio)
H7-25 (asdf)
Passione Elettrica (massimob)
Elettroni a spasso (guidob)
Bloguerra (guerra)


pigreco]=π