Buongiorno a tutti e buone feste!
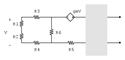
Ho un dubbio per quanto riguarda la risoluzione di un esercizio in cui viene richiesto il calcolo dell'impedenza equivalente a dei morsetti. Supponiamo di avere il seguente circuito:
Il blocco grigio indica che ci sono ancora tanti altri componenti, supponiamo solo resistori; la mia domanda è, come tratto il generatore di tensione controllato?
Impedenza equivalente con generatore pilotato
Moderatori:
g.schgor,
IsidoroKZ
15 messaggi
• Pagina 1 di 2 • 1, 2
0
voti
Stacca il pezzo a valle del grigiume e fai un equivalente Thevenin oppure... (TO BE CONTINUED)
-

PietroBaima
90,7k 7 12 13 - G.Master EY

- Messaggi: 12206
- Iscritto il: 12 ago 2012, 1:20
- Località: Londra
0
voti
Quell'oppure mi intriga, specialmente se più veloce ed efficiente 
0
voti
Hai i valori dei componenti?
-

PietroBaima
90,7k 7 12 13 - G.Master EY

- Messaggi: 12206
- Iscritto il: 12 ago 2012, 1:20
- Località: Londra
0
voti
Oddio in realtà no, questo era un esempio di una rete che mi era capitata fra le mani, simile, ma non ricordo i valori. Sono importanti?
0
voti
Se te li chiedo sì 
-

PietroBaima
90,7k 7 12 13 - G.Master EY

- Messaggi: 12206
- Iscritto il: 12 ago 2012, 1:20
- Località: Londra
0
voti
No intendo dire, a titolo di esempio possiamo considerare anche resistenze arbitrarie, no?
Supponiamo R1=R2=2, R3=R4=R6=1, R5=3, gm=2
Supponiamo R1=R2=2, R3=R4=R6=1, R5=3, gm=2
1
voti
ok, voglio vedere se riesci a visualizzare una cosa.
Supponiamo che V sia 4V. Scelgo 4V solo perché è un valore comodo per i conti.
Il circuito diventa questo:
Se noti, I1+I2=7A
mentre il generatore pilotato deve assorbire -8A, che è impossibile.
Ovviamente puoi ripetere questo ragionamento per ogni valore di V e troverai sempre che la rete è impossibile, a meno che V sia zero.
L'unica soluzione possibile è che V sia zero.
Se V è zero significa che il generatore pilotato di corrente eroga 0A qualunque tensione gli è posta, per cui complessivamente il tratto di rete si comporta come un circuito aperto.
Ti trovi?
Supponiamo che V sia 4V. Scelgo 4V solo perché è un valore comodo per i conti.
Il circuito diventa questo:
Se noti, I1+I2=7A
mentre il generatore pilotato deve assorbire -8A, che è impossibile.
Ovviamente puoi ripetere questo ragionamento per ogni valore di V e troverai sempre che la rete è impossibile, a meno che V sia zero.
L'unica soluzione possibile è che V sia zero.
Se V è zero significa che il generatore pilotato di corrente eroga 0A qualunque tensione gli è posta, per cui complessivamente il tratto di rete si comporta come un circuito aperto.
Ti trovi?
-

PietroBaima
90,7k 7 12 13 - G.Master EY

- Messaggi: 12206
- Iscritto il: 12 ago 2012, 1:20
- Località: Londra
1
voti
voltvolt ha scritto:Buongiorno a tutti e buone feste!
Buona Pasqua anche a te!
Spero che questo incipit ti abbia fatto sollevare un sopracciglio
La stessa cosa mi e` capitata guardando il tuo schema: il smbolo del generatore pilotato e` di un generatore di tensione, ma il suo guadagno indica che genera una corrente. Com'e` la versione corretta?
Nel frattempo vado a farmi la gita di ferragosto
Per usare proficuamente un simulatore, bisogna sapere molta più elettronica di lui
Plug it in - it works better!
Il 555 sta all'elettronica come Arduino all'informatica! (entrambi loro malgrado)
Se volete risposte rispondete a tutte le mie domande
Plug it in - it works better!
Il 555 sta all'elettronica come Arduino all'informatica! (entrambi loro malgrado)
Se volete risposte rispondete a tutte le mie domande
0
voti
IsidoroKZ ha scritto: Nel frattempo vado a farmi la gita di ferragosto![]()
![]()
Anche in Australia è un po' presto, da loro mancano ancora un paio di mesi!
15 messaggi
• Pagina 1 di 2 • 1, 2
Torna a Elettrotecnica generale
Chi c’è in linea
Visitano il forum: Nessuno e 9 ospiti

Elettrotecnica e non solo (admin)
Un gatto tra gli elettroni (IsidoroKZ)
Esperienza e simulazioni (g.schgor)
Moleskine di un idraulico (RenzoDF)
Il Blog di ElectroYou (webmaster)
Idee microcontrollate (TardoFreak)
PICcoli grandi PICMicro (Paolino)
Il blog elettrico di carloc (carloc)
DirtEYblooog (dirtydeeds)
Di tutto... un po' (jordan20)
AK47 (lillo)
Esperienze elettroniche (marco438)
Telecomunicazioni musicali (clavicordo)
Automazione ed Elettronica (gustavo)
Direttive per la sicurezza (ErnestoCappelletti)
EYnfo dall'Alaska (mir)
Apriamo il quadro! (attilio)
H7-25 (asdf)
Passione Elettrica (massimob)
Elettroni a spasso (guidob)
Bloguerra (guerra)

pigreco]=π

