, visto che
è in serie con (1)?Comunque sono aperto a tutte le considerazioni, quindi spiega pure!
Moderatori:
g.schgor,
IsidoroKZ
, visto che
è in serie con (1)?

PietroBaima ha scritto:Per la R equivalente
La tensione equivalente è ovviamente nulla.




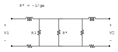
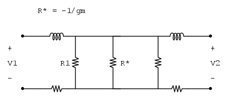
PietroBaima ha scritto:Se vuoi vedere un po' di roba strana con i generatori pilotati prova a fare l'equivalente di questi circuiti:


Torna a Elettrotecnica generale
Visitano il forum: Nessuno e 77 ospiti