Se di cosa dispongo avevo scrittp:
Si sto usando vecchi altoparlanti che uso per prove, posseggo un oscilloscopio ma di quelli piccoli e ad un canale.
Appena posso ne comprerò uno serio.
NAD 326BEE dopo 5 si attiva la protezione
Moderatori:
carloc,
g.schgor,
BrunoValente,
IsidoroKZ
0
voti
0
voti
Questo l'ho capito, l'altra domanda che ti ostini a non voler leggere è:
BrunoValente ha scritto:Non mi è chiaro nello schema quale dei due canali risulti guasto, quello sopra o quello sotto?
-

BrunoValente
39,6k 7 11 13 - G.Master EY

- Messaggi: 7796
- Iscritto il: 8 mag 2007, 14:48
0
voti
Anche qui avevo risposto mettendo anche l'immagine.
Comunque il canale sinistro LEFT, quello sopra vedendo lo schema.
Scusa se non sono stato chiaro.
Comunque il canale sinistro LEFT, quello sopra vedendo lo schema.
Scusa se non sono stato chiaro.
0
voti
paologio ha scritto:ero a correre, ho fatto 34 km.
Bravo
-

SediciAmpere
4.187 5 5 8 - Master

- Messaggi: 4847
- Iscritto il: 31 ott 2013, 15:00
0
voti
paologio ha scritto:Anche qui avevo risposto mettendo anche l'immagine.
Comunque il canale sinistro LEFT, quello sopra vedendo lo schema.
Scusa se non sono stato chiaro.
Tranquillo... ma dall'immagine come avrei potuto capire che si trattava di quello in alto?
Comunque se vogliamo indagare ti consiglio di fare delle misure di tensione procedendo come di seguito.
Collega l'altoparlante in modo che la protezione non intervenga, imposta il volume a zero e accendi l'amplificatore.
Imposta il tester per misure di tensioni DC e collega il puntale nero stabilmente allo zero volt di alimentazione dell'amplificatore (con un coccodrillo o simile) e con il puntale rosso misura le tensioni nei punti elencati di seguito, poi fai una tabellina con i risultati e postala.
1) collettore di Q145
2) base di Q145
3) emettitore di Q145
4) collettore di Q151
5) base di Q151
6) emettitore di Q151
7) collettore di Q345
8) base di Q345
9) emettitore di Q345
10) collettore di Q351
11) base di Q351
12) emettitore di Q351
13) punto in comune tra R240 e R239
14) punto in comune tra R440 e R439
-

BrunoValente
39,6k 7 11 13 - G.Master EY

- Messaggi: 7796
- Iscritto il: 8 mag 2007, 14:48
0
voti
Al post n° 29
Però in seguito dici che è il sx che non va, del resto lo indichi anche nel post 51.
Io sinceramente non sono arrivato a capire qual è il canale che non va.
Però se gli altri non avallano questo, prendi le mie scuse che non sono riuscito a seguire tutto il post.
In ogni modo quando metterai le tensioni che ti ha chiesto @Bruno Valente, non ci saranno perplessità.
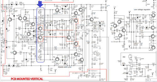
Io ti chiederei anche di misurare alcune tensioni nel punto che ti ho indicato nello schema allegato.
Sono 8 nodi, su questo amplificatore, in genere sono molti meno, però a me hanno sempre dato degli attimi spunti.
paologio ha scritto:Aggiornamento.
Ho provato a scollegare l'alimentazione del canale destro e con solo il sinistro funziona bene e non va in protezione.
Se collego solo il canale destro gracchia e dopo un po va in protezione.
A questo punto potrei smontare i finali incriminati per testarli? o invertirli?
Che consigli mi date?
Però in seguito dici che è il sx che non va, del resto lo indichi anche nel post 51.
Io sinceramente non sono arrivato a capire qual è il canale che non va.
Però se gli altri non avallano questo, prendi le mie scuse che non sono riuscito a seguire tutto il post.
In ogni modo quando metterai le tensioni che ti ha chiesto @Bruno Valente, non ci saranno perplessità.
Io ti chiederei anche di misurare alcune tensioni nel punto che ti ho indicato nello schema allegato.
Sono 8 nodi, su questo amplificatore, in genere sono molti meno, però a me hanno sempre dato degli attimi spunti.
Alex
https://www.facebook.com/Elettronicaeelettrotecnica
<< vedi di pigliare arditamente in mano, il dizionario che ti suona in bocca,
se non altro è schietto e paesano.
(Giuseppe Giusti) <<
https://www.facebook.com/Elettronicaeelettrotecnica
<< vedi di pigliare arditamente in mano, il dizionario che ti suona in bocca,
se non altro è schietto e paesano.
(Giuseppe Giusti) <<
0
voti
Ecco i risultati delle misure richieste
1) collettore di Q145 +47.6v
2) base di Q145 -40.7v
3) emettitore di Q145 +47.2v
4) collettore di Q151 -40.7v
5) base di Q151 -45.9v
6) emettitore di Q151 -46.5v
7) collettore di Q345 -40.7v
8) base di Q345 +47.2v
9) emettitore di Q345 +47.6v
10) collettore di Q351 -46.4
11) base di Q351 -45.8
12) emettitore di Q351 -40.6
13) punto in comune tra R240 e R239 -40.2v
14) punto in comune tra R440 e R439 -40.2v
Ribadisco che il canale che non va è il sinistro LEFT
1) collettore di Q145 +47.6v
2) base di Q145 -40.7v
3) emettitore di Q145 +47.2v
4) collettore di Q151 -40.7v
5) base di Q151 -45.9v
6) emettitore di Q151 -46.5v
7) collettore di Q345 -40.7v
8) base di Q345 +47.2v
9) emettitore di Q345 +47.6v
10) collettore di Q351 -46.4
11) base di Q351 -45.8
12) emettitore di Q351 -40.6
13) punto in comune tra R240 e R239 -40.2v
14) punto in comune tra R440 e R439 -40.2v
Ribadisco che il canale che non va è il sinistro LEFT
0
voti
Ho letto le misure, ho dato un controllo veloce perché ora vado a cena, ma ci sono un paio di cose che a me non tornano.
1) Sull'Emitter di Q145, hai -40V ! Controlla R 243 da 56 Ohm.
2).Hai scritto ai punti 13 & 14 >>>>13) punto in comune tra R240 e R239 -40.2v
14) punto in comune tra R440 e R439 -40.2v
Ma come è possibile che allora un canale funzioni bene ? Con una tensione DC di 40 V ?
A dopo
1) Sull'Emitter di Q145, hai -40V ! Controlla R 243 da 56 Ohm.
2).Hai scritto ai punti 13 & 14 >>>>13) punto in comune tra R240 e R239 -40.2v
14) punto in comune tra R440 e R439 -40.2v
Ma come è possibile che allora un canale funzioni bene ? Con una tensione DC di 40 V ?
A dopo
Alex
https://www.facebook.com/Elettronicaeelettrotecnica
<< vedi di pigliare arditamente in mano, il dizionario che ti suona in bocca,
se non altro è schietto e paesano.
(Giuseppe Giusti) <<
https://www.facebook.com/Elettronicaeelettrotecnica
<< vedi di pigliare arditamente in mano, il dizionario che ti suona in bocca,
se non altro è schietto e paesano.
(Giuseppe Giusti) <<
0
voti
Bel casino!
Il transistor Q145 è sicuramente rotto perché ha una tensione di oltre 80V tra base ed emettitore.
Il resistore R240 è sicuramente rotto perché ha una tensione di oltre 80V ai suoi capi.
Il resistore R239 sembra buono.
Il transistor Q151 sembra buono.
Il transistor Q345 forse è buono.
Il resistore R440 sembra buono.
Il resistore 439 sembra rotto perché ha una tensione di 6V ai suoi capi(*)
Il transistor Q351 ha delle tensioni strane/impossibili(*)
(*)
Suppongo tu abbia invertito le due tensioni di emettitore e di collettore di Q351, se è cosi allora sia Q351 che R439 potrebbe essere entrambi buoni.
In ogni caso credo sia probabile che siano rotti anche altri componenti a monte dei finali
Il transistor Q145 è sicuramente rotto perché ha una tensione di oltre 80V tra base ed emettitore.
Il resistore R240 è sicuramente rotto perché ha una tensione di oltre 80V ai suoi capi.
Il resistore R239 sembra buono.
Il transistor Q151 sembra buono.
Il transistor Q345 forse è buono.
Il resistore R440 sembra buono.
Il resistore 439 sembra rotto perché ha una tensione di 6V ai suoi capi(*)
Il transistor Q351 ha delle tensioni strane/impossibili(*)
(*)
Suppongo tu abbia invertito le due tensioni di emettitore e di collettore di Q351, se è cosi allora sia Q351 che R439 potrebbe essere entrambi buoni.
In ogni caso credo sia probabile che siano rotti anche altri componenti a monte dei finali
-

BrunoValente
39,6k 7 11 13 - G.Master EY

- Messaggi: 7796
- Iscritto il: 8 mag 2007, 14:48
0
voti
Verifica di nuovo perché ho il sospetto che abbia invertito le misure delle tensioni anche su Q145
-

BrunoValente
39,6k 7 11 13 - G.Master EY

- Messaggi: 7796
- Iscritto il: 8 mag 2007, 14:48
Chi c’è in linea
Visitano il forum: Nessuno e 212 ospiti

Elettrotecnica e non solo (admin)
Un gatto tra gli elettroni (IsidoroKZ)
Esperienza e simulazioni (g.schgor)
Moleskine di un idraulico (RenzoDF)
Il Blog di ElectroYou (webmaster)
Idee microcontrollate (TardoFreak)
PICcoli grandi PICMicro (Paolino)
Il blog elettrico di carloc (carloc)
DirtEYblooog (dirtydeeds)
Di tutto... un po' (jordan20)
AK47 (lillo)
Esperienze elettroniche (marco438)
Telecomunicazioni musicali (clavicordo)
Automazione ed Elettronica (gustavo)
Direttive per la sicurezza (ErnestoCappelletti)
EYnfo dall'Alaska (mir)
Apriamo il quadro! (attilio)
H7-25 (asdf)
Passione Elettrica (massimob)
Elettroni a spasso (guidob)
Bloguerra (guerra)

