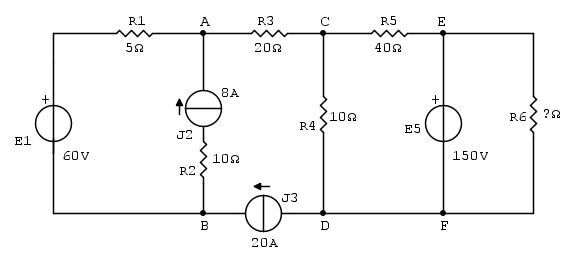
mi trovo davanti questo circuito e dovrei ricavare R6
Moderatori:
g.schgor,
IsidoroKZ
0
voti
mi trovo davanti questo circuito e dovrei ricavare i valori quelli che sono, ma mi manca la resistenza R6, come posso fare?
Ultima modifica di
toskgiver il 23 gen 2024, 12:21, modificato 3 volte in totale.
3
voti
R6 è in parallelo ad un generatore di tensione, per cui l'unico modo per ricavarla è sapere la corrente che ci passa attraverso, oppure qualche grandezza sua derivata, per esempio la potenza che dissipa.
Senza uno di questi dati è impossibile ricavarla.
Tutto il circuito a sinistra di E5 è inutile per ricavare il valore di R6.
Senza uno di questi dati è impossibile ricavarla.
Tutto il circuito a sinistra di E5 è inutile per ricavare il valore di R6.
-

PietroBaima
90,7k 7 12 13 - G.Master EY

- Messaggi: 12206
- Iscritto il: 12 ago 2012, 1:20
- Località: Londra
0
voti
In realtà dovrei ricavare la potenza erogata dal generatore ideale di tensione E5, ma senza conoscere il valore della resistenza R6 non riesco. Considerato il circuito, esiste un altro modo?
tutto quello che devo trovare sarebbe:
• la potenza W3 utilizzata nel resistore R3
• la potenza W1 utilizzata nel resistore R1
• la potenza WJ3 erogata dal generatore ideale
di corrente J3
• la potenza WE5 erogata dal generatore ideale di tensione E5
tutto quello che devo trovare sarebbe:
• la potenza W3 utilizzata nel resistore R3
• la potenza W1 utilizzata nel resistore R1
• la potenza WJ3 erogata dal generatore ideale
di corrente J3
• la potenza WE5 erogata dal generatore ideale di tensione E5
3
voti
toskgiver ha scritto:In realtà dovrei ricavare la potenza erogata dal generatore ideale di tensione E5
Quindi devi trovare la corrente erogata da E5. Ti basta questo.
Purtroppo se non sai quanto vale R6 è impossibile.
La potenza dissipata da R6 vale:

Quindi NON dipende da niente altro che da E5.
Quindi, come dicevo, tutto il circuito a sinistra di E5 è inutile per trovare la potenza dissipata da R6.
Se tu avessi la corrente che circola in R6, per esempio, potresti ricavarne il valore in questo modo:

Mi spiace ma non è proprio possibile fare in nessuna altra maniera se non questa.
Ciao
Pietro
-

PietroBaima
90,7k 7 12 13 - G.Master EY

- Messaggi: 12206
- Iscritto il: 12 ago 2012, 1:20
- Località: Londra
0
voti
2
voti
Ma cosa semplifichi?
Se non ha R6 la potenza generata da E5 non potrà mai trovarla!
Se non ha R6 la potenza generata da E5 non potrà mai trovarla!
-

PietroBaima
90,7k 7 12 13 - G.Master EY

- Messaggi: 12206
- Iscritto il: 12 ago 2012, 1:20
- Località: Londra
0
voti
Nella mia ignoranza R6 mi sembrava messa lì allo scopo di indicare un ipotetico carico per il circuito, senza un' indicazione di quale esso sia, certo se si tratta di una specie di "compito da svolgere" la cosa cambia di significato
K
K
-

Kagliostro
6.396 4 5 7 - Master

- Messaggi: 4830
- Iscritto il: 19 set 2012, 11:32
0
voti
si è più per capire come ragioniamo
0
voti
ma magri il generatore possiamo considerarlo come zero resistenza
3
voti
Qua si vaneggia.
-

PietroBaima
90,7k 7 12 13 - G.Master EY

- Messaggi: 12206
- Iscritto il: 12 ago 2012, 1:20
- Località: Londra
Torna a Elettrotecnica generale
Chi c’è in linea
Visitano il forum: Nessuno e 6 ospiti

Elettrotecnica e non solo (admin)
Un gatto tra gli elettroni (IsidoroKZ)
Esperienza e simulazioni (g.schgor)
Moleskine di un idraulico (RenzoDF)
Il Blog di ElectroYou (webmaster)
Idee microcontrollate (TardoFreak)
PICcoli grandi PICMicro (Paolino)
Il blog elettrico di carloc (carloc)
DirtEYblooog (dirtydeeds)
Di tutto... un po' (jordan20)
AK47 (lillo)
Esperienze elettroniche (marco438)
Telecomunicazioni musicali (clavicordo)
Automazione ed Elettronica (gustavo)
Direttive per la sicurezza (ErnestoCappelletti)
EYnfo dall'Alaska (mir)
Apriamo il quadro! (attilio)
H7-25 (asdf)
Passione Elettrica (massimob)
Elettroni a spasso (guidob)
Bloguerra (guerra)

pigreco]=π
