Cos'è ElectroYou | Login Iscriviti

ElectroYou - la comunità dei professionisti del mondo elettrico

UPS per Spi esterno

Fonti energetiche e produzione e fornitura dell'energia elettrica.

Moderatori: Foto Utentesebago, Foto Utentemario_maggi

0
voti

[11] Re: UPS per Spi esterno

Messaggioda Foto Utentefirefox » 18 dic 2022, 13:23

GioArca67 ha scritto:Ho letto male e quindi scritto male. Intendevo dire no!
Faccio anch'io come dice Attilio.
È quel che dicevo all'inizio.
Grazie per la precisazione Foto Utenteattilio.

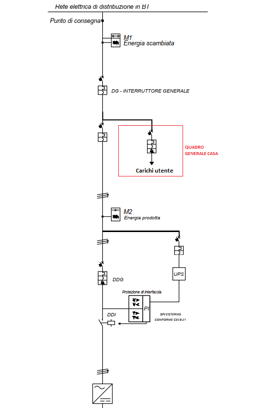
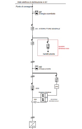
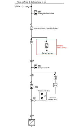
In base a quanto abbiamo detto, per comprenderci meglio, ho aggiornare lo schema.
Credo sia corretta la posizione dell'UPS addesso, siete d'accordo?
Allegati
ESEMPIO SCHEMA UPS.png
Avatar utente
Foto Utentefirefox
39 1 2 6
Frequentatore
Frequentatore
 
Messaggi: 231
Iscritto il: 13 ott 2012, 18:03

0
voti

[12] Re: UPS per Spi esterno

Messaggioda Foto Utentefirefox » 7 gen 2023, 18:09

firefox ha scritto:
GioArca67 ha scritto:Ho letto male e quindi scritto male. Intendevo dire no!
Faccio anch'io come dice Attilio.
È quel che dicevo all'inizio.
Grazie per la precisazione Foto Utenteattilio.

In base a quanto abbiamo detto, per comprenderci meglio, ho aggiornare lo schema.
Credo sia corretta la posizione dell'UPS addesso, siete d'accordo?



Oltre alla nuova posizione dell'UPS (ipotizzo sia corretta) ho inserito nello schema anche un magnetotermico differenziale per la sua protezione: considerando che l'UPS nella scheda tecnica ha un potenza in uscita pari a 600 VA, questo avrà corrente nominale pari a 6 A e corrente differenziale nominale pari a 30 mA.

Pareri?
Allegati
ESEMPIO SCHEMA UPS.png
Avatar utente
Foto Utentefirefox
39 1 2 6
Frequentatore
Frequentatore
 
Messaggi: 231
Iscritto il: 13 ott 2012, 18:03

0
voti

[13] Re: UPS per Spi esterno

Messaggioda Foto UtenteBlaster » 30 gen 2024, 21:00

A proposito di UPS (credo che l'ultimo schema postato da @firefox sia corretto in termini di alimentazione dell'UPS stessa) mi è sorto un dubbio.
Se la tensione di rete risulta assente l'inverter dell'impianto fotovoltaico cessa di funzionare. L'UPS in base alla CEI 0-21 deve alimentare la protezione interfaccia esterna per almeno 5s se viene meno la tensione di alimentazione ma se si verifica tale condizione l'impianto ftv già non funzionerà più e il DDI sarà aperto essendo asservito alla protezione di interfaccia.

Alla luce di tali considerazioni per quale motivo si deve utilizzare l'UPS? Mi sfugge sicuramente qualcosa.

Inoltre come UPS si potrebbe usare un calssico gruppo di continuità per PC? Per la protezione dell'UPS serve un semplice magnetotermico o un magnetotermico differenziale con Idn=30 mA?
Avatar utente
Foto UtenteBlaster
20 1 5
Frequentatore
Frequentatore
 
Messaggi: 168
Iscritto il: 14 apr 2018, 18:07

0
voti

[14] Re: UPS per Spi esterno

Messaggioda Foto UtenteDanielex » 3 feb 2024, 17:07

Blaster ha scritto:
Alla luce di tali considerazioni per quale motivo si deve utilizzare l'UPS? Mi sfugge sicuramente qualcosa.



L'UPS deve alimentare il SPI e nient'altro.

Ovviamente il SPI sgancia indipendentemente dalla presenza della sua alimentazione (verifica con la voltmetrica).

Il motivo chiedilo al CEI...

O_/
Avatar utente
Foto UtenteDanielex
5.344 3 4 8
Master
Master
 
Messaggi: 3870
Iscritto il: 21 feb 2008, 18:18

0
voti

[15] Re: UPS per Spi esterno

Messaggioda Foto UtenteGioArca67 » 3 feb 2024, 18:06

Io faccio alimentare anche il/i DDI, altrimenti non mi sembra abbia alcun senso.

In genere l'alimentazione dell'SPI tramite UPS ha motivo di essere: il controllo che effettua è più elaborato di un semplice controllo ON-OFF lato rete e se non ha una alimentazione pulita, dei semplici buchi di rete/glitch potrebbero far spegnere l'SPI e disconnettere numerosi impianti di produzione d'un colpo.

Considera che già ora 100ms sono 5 cicli di rete ed un dispositivo elettronico non rimane acceso per tutto questo tempo senza un backup di alimentazione (condensatori? ok, ma devono esserci).
Inoltre in futuro potrebbero modificare i tempi di intervento, magari ampliando i tempi sulle soglie inferiori.
Avatar utente
Foto UtenteGioArca67
4.580 4 6 9
Master EY
Master EY
 
Messaggi: 4591
Iscritto il: 12 mar 2021, 9:36

0
voti

[16] Re: UPS per Spi esterno

Messaggioda Foto UtenteBlaster » 4 feb 2024, 11:27

GioArca67 ha scritto:Io faccio alimentare anche il/i DDI, altrimenti non mi sembra abbia alcun senso.

In genere l'alimentazione dell'SPI tramite UPS ha motivo di essere: il controllo che effettua è più elaborato di un semplice controllo ON-OFF lato rete e se non ha una alimentazione pulita, dei semplici buchi di rete/glitch potrebbero far spegnere l'SPI e disconnettere numerosi impianti di produzione d'un colpo.

Quindi fondamentalmente l'UPS consente di prevenire possibili spegnimenti "non voluti" della protezione di interfaccia.

Per quanto riguarda la scelta dell'UPS, oltre a quelli proposti dalla casa produttrice della protezione di interfaccia, si potrebbe optare per un classico gruppo di continuità per PC da 300VA?
Per la protezione dell'UPS basta un semplice magnetotermico o un magnetotermico differenziale con Idn=30 mA?
Avatar utente
Foto UtenteBlaster
20 1 5
Frequentatore
Frequentatore
 
Messaggi: 168
Iscritto il: 14 apr 2018, 18:07

0
voti

[17] Re: UPS per Spi esterno

Messaggioda Foto UtenteMike » 4 feb 2024, 12:07

Blaster ha scritto:Quindi fondamentalmente l'UPS consente di prevenire possibili spegnimenti "non voluti" della protezione di interfaccia.


Esatto, il SPI deve poter funzionare sempre a qualsiasi condizione.

Blaster ha scritto:Per quanto riguarda la scelta dell'UPS, oltre a quelli proposti dalla casa produttrice della protezione di interfaccia, si potrebbe optare per un classico gruppo di continuità per PC da 300VA?


Sì, ci sono dei "UPS" dedicati al SPI che hanno un'autonomia limitata ma superiore ai 5 secondi richiesti e sfruttano i condensatori invece delle batterie, ma hanno un costo elevato rispetto a un normalissimo UPS.

Blaster ha scritto:Per la protezione dell'UPS basta un semplice magnetotermico o un magnetotermico differenziale con Idn=30 mA?


Devi ragionare come con qualsiasi altra utenza elettrica. Se il circuito e i componenti sono a doppio isolamento basta un MT, viceversa, sei in classe 1. Se alimenta una presa, sicuramente differenziale.
--
Michele Lysander Guetta
--
"Non pensare mai al dolore, al pericolo o ai nemici un momento più lungo del necessario per combatterli." — Ayn Rand
Avatar utente
Foto UtenteMike
55,6k 7 10 12
G.Master EY
G.Master EY
 
Messaggi: 17005
Iscritto il: 1 ott 2004, 18:25
Località: Conegliano (TV)

0
voti

[18] Re: UPS per Spi esterno

Messaggioda Foto UtenteGioArca67 » 5 feb 2024, 10:27

Se gli UPS usati sono a doppio isolamento metto due fusibili
Avatar utente
Foto UtenteGioArca67
4.580 4 6 9
Master EY
Master EY
 
Messaggi: 4591
Iscritto il: 12 mar 2021, 9:36

0
voti

[19] Re: UPS per Spi esterno

Messaggioda Foto UtenteBlaster » 13 feb 2024, 18:14

Mike ha scritto:
Blaster ha scritto:Quindi fondamentalmente l'UPS consente di prevenire possibili spegnimenti "non voluti" della protezione di interfaccia.


Esatto, il SPI deve poter funzionare sempre a qualsiasi condizione.

Blaster ha scritto:Per quanto riguarda la scelta dell'UPS, oltre a quelli proposti dalla casa produttrice della protezione di interfaccia, si potrebbe optare per un classico gruppo di continuità per PC da 300VA?


Sì, ci sono dei "UPS" dedicati al SPI che hanno un'autonomia limitata ma superiore ai 5 secondi richiesti e sfruttano i condensatori invece delle batterie, ma hanno un costo elevato rispetto a un normalissimo UPS.

Blaster ha scritto:Per la protezione dell'UPS basta un semplice magnetotermico o un magnetotermico differenziale con Idn=30 mA?


Devi ragionare come con qualsiasi altra utenza elettrica. Se il circuito e i componenti sono a doppio isolamento basta un MT, viceversa, sei in classe 1. Se alimenta una presa, sicuramente differenziale.


Grazie per i chiarimenti.
Avatar utente
Foto UtenteBlaster
20 1 5
Frequentatore
Frequentatore
 
Messaggi: 168
Iscritto il: 14 apr 2018, 18:07

Precedente

Torna a Energia e qualità dell'energia

Chi c’è in linea

Visitano il forum: Nessuno e 17 ospiti