Cos'è ElectroYou | Login Iscriviti

ElectroYou - la comunità dei professionisti del mondo elettrico

[PIC16F887] Scheda di programmazione

Tipologie, strumenti di sviluppo, hardware e progetti

Moderatore: Foto UtentePaolino

0
voti

[1] [PIC16F887] Scheda di programmazione

Messaggioda Foto UtenteArcherix » 24 gen 2024, 20:07

Ciao a tutti,
mi sono appena iscritto e spero di non contravvenire a qualche regola cominciando a scrivere qui.
Dato che sono nuovo, premetto che:
- non sono del settore, ho qualche conoscenza di base anche se non molte, esperienza poca ma voglia abbastanza per fare qualcosa di buono
- sull'argomento ho già cercato su internet e ho già comprato una mini -dice di essere- scheda universale, senza risolvere la questione
- è più di una decina di giorni che ci sbatto la testa ma senza risultato, e solo dopo diversi tentativi vengo quindi a chiedere aiuto qui sperando che per voi esperti sia risolvibile.

Da diverso tempo mi sono incuriosito sui PIC e ultimamente mi è sorta l'esigenza di un timer di grosse dimensioni, ho quindi decido di combinare le due cose e ho acquistato led resistenze condensatori ecc, un programmatore pickit3 e dei PIC16F887 per via dei 40 pin che mi danno l'idea di poter gestire tante serie di led. La mia intenzione è quella creare l'equivalente dei display a 7 segmenti, ma con 7 serie di led.

Il punto è che non ho una scheda per programmare/provare i PIC e i tentativi fatti finora mi portano solo ad avere (nella migliore delle ipotesi) , da parte di MPLAB X IDE 6.15, questo:

Connecting to MPLAB PICkit 3...

Currently loaded firmware on PICkit 3
Firmware Suite Version.....01.56.09
Firmware type..............Midrange

Target voltage detected
Target device PIC16F887 found.
Device Revision ID = 2

Device Erased...

Programming...

The following memory area(s) will be programmed:
program memory: start address = 0x0, end address = 0x7ff
Programming/Verify complete


E' il risultato migliore che riesca a raggiungere, tuttavia il led collegato al piedino non lampeggia mentre invece lampeggia il led status del pickit3....
Ho visto che il lampeggiare del led status dovrebbe indicare un errore nelle correnti, ma oltre a questo non so proprio andare avanti nel trovare la soluzione...
Il mio circuito su breadboard è alimentato da una batteria 12v la cui corrente viene 'trasformata' da un lm7805. I suoi 5v e GRD alimentano:
- il PIC due volte, 5v in pin 11 e 32 e GND in pin 12 e 31
- il pickit3
- il piedino 1 master clear, riceve 5v attraverso una resistenza 10k e led verde e manda a GND con pulsante temporaneo
I cinque collegamenti pickit3 - piedini li ho controllati mille volte e mi sembrano corretti.

Qualcuno sa dirmi dove sbaglio, se c'è un progetto di circuito testato e funzionante, se ci sono settaggi migliori, o qualsiasi altro tentativo... :?: :?: :?:
Avatar utente
Foto UtenteArcherix
5 3
 
Messaggi: 5
Iscritto il: 22 gen 2024, 23:32

0
voti

[2] Re: [PIC16F887] Scheda di programmazione

Messaggioda Foto Utenteblueice80 » 24 gen 2024, 23:34

Difficile aiutarti se non posti il codice...
In ogni caso, per iniziare ti consiglio il tutorial di Laurtec e un pic18
Avatar utente
Foto Utenteblueice80
663 1 2 5
Stabilizzato
Stabilizzato
 
Messaggi: 497
Iscritto il: 19 apr 2012, 22:22

0
voti

[3] Re: [PIC16F887] Scheda di programmazione

Messaggioda Foto UtenteArcherix » 25 gen 2024, 0:04

Grazie del consiglio, mi sono iscritto e approfondirò con la guida indicata appena sarò attivato.

Il codice per ora è solo un test base e vuole far lampeggiare un singolo led al pin 20, può generare un errore al programmatore?

Codice: Seleziona tutto
main.c

[i]/*#include <pic16f877.h>*/
#include <xc.h>
//#include <delay.c>

#define _XTAL_FREQ 1000000 // questo è utilizzato dalle routine di ritardo contenute in Delay.C
__CONFIG (HS & WDTDIS & PWRTEN & BORDIS & LVPDIS & DUNPROT & WRTEN & DEBUGDIS & UNPROTECT);

void main(void) {
   
    while(1){
        PORTDbits.RD1 = 1;
        __delay_ms(500);
        PORTDbits.RD1 = 0;
        __delay_ms(500);
    }
   
    return;
}[/i]


Codice: Seleziona tutto
conbits.h

[i]#ifndef XC_HEADER_TEMPLATE_H
#define   XC_HEADER_TEMPLATE_H

// PIC16F887 Configuration Bit Settings

// 'C' source line config statements

// CONFIG1
#pragma config FOSC = INTRC_NOCLKOUT// Oscillator Selection bits (INTOSCIO oscillator: I/O function on RA6/OSC2/CLKOUT pin, I/O function on RA7/OSC1/CLKIN)
#pragma config WDTE = OFF       // Watchdog Timer Enable bit (WDT disabled and can be enabled by SWDTEN bit of the WDTCON register)
#pragma config PWRTE = OFF      // Power-up Timer Enable bit (PWRT disabled)
#pragma config MCLRE = ON       // RE3/MCLR pin function select bit (RE3/MCLR pin function is MCLR)
#pragma config CP = OFF         // Code Protection bit (Program memory code protection is disabled)
#pragma config CPD = OFF        // Data Code Protection bit (Data memory code protection is disabled)
#pragma config BOREN = OFF      // Brown Out Reset Selection bits (BOR disabled)
#pragma config IESO = ON        // Internal External Switchover bit (Internal/External Switchover mode is enabled)
#pragma config FCMEN = OFF      // Fail-Safe Clock Monitor Enabled bit (Fail-Safe Clock Monitor is disabled)
#pragma config LVP = ON         // Low Voltage Programming Enable bit (RB3/PGM pin has PGM function, low voltage programming enabled)

// CONFIG2
#pragma config BOR4V = BOR40V   // Brown-out Reset Selection bit (Brown-out Reset set to 4.0V)
#pragma config WRT = OFF        // Flash Program Memory Self Write Enable bits (Write protection off)

// #pragma config statements should precede project file includes.
// Use project enums instead of #define for ON and OFF.

#include <xc.h>

// TODO Insert appropriate #include <>

// TODO Insert C++ class definitions if appropriate

// TODO Insert declarations

// Comment a function and leverage automatic documentation with slash star star
/**
    <p><b>Function prototype:</b></p>
 
    <p><b>Summary:</b></p>

    <p><b>Description:</b></p>

    <p><b>Precondition:</b></p>

    <p><b>Parameters:</b></p>

    <p><b>Returns:</b></p>

    <p><b>Example:</b></p>
    <code>

    </code>

    <p><b>Remarks:</b></p>
*/
// TODO Insert declarations or function prototypes (right here) to leverage
// live documentation

#ifdef   __cplusplus
extern "C" {
#endif /* __cplusplus */

    // TODO If C++ is being used, regular C code needs function names to have C
    // linkage so the functions can be used by the c code.

#ifdef   __cplusplus
}
#endif /* __cplusplus */

#endif   /* XC_HEADER_TEMPLATE_H */[/i]
Ultima modifica di Foto UtenteWALTERmwp il 26 gen 2024, 3:39, modificato 2 volte in totale.
Motivazione: Inserito codice tra i tag "Code" separando i due presunti files
Avatar utente
Foto UtenteArcherix
5 3
 
Messaggi: 5
Iscritto il: 22 gen 2024, 23:32

0
voti

[4] Re: [PIC16F887] Scheda di programmazione

Messaggioda Foto UtenteWALTERmwp » 26 gen 2024, 3:27

Ciao @Archerix.
Archerix ha scritto:(...) Il codice per ora è solo un test base e vuole far lampeggiare un singolo led al pin 20, può generare un errore al programmatore? (...)

Cosa significa "può generare un errore al programmatore?"?
Il programmatore(presumo ti riferisca al PICkit 3) serve per programmare il target, ovvero il microcontrollore.
Una volta programmato occorre osservare il comportamento e verificare se quanto fatto risponde alle aspettative.
Dovresti poi inserire in un post lo schema dei collegamenti(usando FidoCadJ(qui trovi la guida essenziale)) che hai realizzato sulla breadboard.

Il codice che hai riportato mi pare un po' pasticciato, suggerirei di fare un po' di ordine.
Se non erro nella interpretazione hai scritto due files: main.c e conbits.h.
In tal caso suggerirei questi interventi:
i) riportare l'include di conbits.h in main.c,
ii) commentare nel main.c la linea #include <xc.h>,
iii) la define di _XTAL_FREQ va spostata in modo da precedere la #include <xc.h>,
iV) in main.c la linea __CONFIG ... va commentata.
Una volta fatti ripeterei compilazione e programmazione del micro.

Per ora potrebbe bastare; poi, eventualmente, in base al microcontrollore(non ho guardato il datasheet) e ai riscontri si possono fare altre considerazioni.

Saluti

p.s.
Archerix ha scritto:(...) Il mio circuito su breadboard è alimentato da una batteria 12v la cui corrente viene 'trasformata' da un lm7805 (...)
non viene trasformata la corrente, esegui una "regolazione" della tensione di alimentazione.

Archerix ha scritto:(...) Il mio circuito su breadboard è alimentato da una batteria 12v la cui corrente viene 'trasformata' da un lm7805. I suoi 5v e GRD alimentano:
- il PIC due volte, 5v in pin 11 e 32 e GND in pin 12 e 31
- il pickit3 (...)
il PICkit 3 deve essere alimentato tramite la porta USB del PC.

Archerix ha scritto:(...) Qualcuno sa dirmi dove sbaglio, se c'è un progetto di circuito testato e funzionante, se ci sono settaggi migliori, o qualsiasi altro tentativo...
se riporti lo schema di quanto hai realizzato è più semplice farsi un'idea.
W - U.H.F.
Avatar utente
Foto UtenteWALTERmwp
30,2k 4 8 13
G.Master EY
G.Master EY
 
Messaggi: 8986
Iscritto il: 17 lug 2010, 18:42
Località: le 4 del mattino

0
voti

[5] Re: [PIC16F887] Scheda di programmazione

Messaggioda Foto UtenteArcherix » 4 feb 2024, 12:58

Ciao WALTERmwp grazie anche a te per le indicazioni. Ti rispondo per punti prima di tornare a voi con alcune elaborazioni, che però non hanno prodotto una soluzione..
- per programmatore intendevo il PICkit3 sì, che alimento via USB e per il quale ho settato di non erogare i 5V verso il PIC. Questo perché mi sembra di capire che l'alimentazione di questo PIC (e dei suo consimili con 2 pin per 5V e due pin a terra) sia un po' oltre le capacità del PICkit3. Alimento tutto con il regolatore lm7805, sia le due vie del PIC sia la linea a 5V che entra nel PICkit3.
- imparare ad usare un software per gli schemi non è un problema, il problema è se riesco a graficare correttamente.. :roll:
- il conbits.h ora l'ho eliminato e ho integrato le istruzioni pragma in main.c, elimino così un possibile errore di richiamo di un file esterno ed ho tutto riunito (non parliamo di grandi codici... :roll: )
- #include <xc.h> è tutta la libreria del compilatore xc , non so cosa commentare..ho visto che include la funzione delay che poi è l'unica che utilizzo, quindi non devo aggiungere altre definizioni per questa funzione..
- _XTAL_FREQ ho corretto e spostato sopra, poi in realtà ho trovato un esempio della microchip che lo mette dopo, onestamente non saprei quale delle due versioni seguire ma in entambe non funziona
- la linea __CONFIG l'ho eliminata in quanto replica di tutti i pragma messi
Ti ringrazio quindi di avermi dato le imbeccate per poter approfondire e migliorare, tuttavia per ora il risultato è il medesimo.

Posto quindi il codice aggiornato, con anche dei lnk presi in considerazione:
Codice: Seleziona tutto
//ricorda http://www.microcontroller.it/Tutorials/PIC/config.htm

//gli include li metto in cima a tutto come da migliore tradizione
#include <stdio.h>
#include <stdlib.h>
#include <xc.h>
#include <pic16f887.h>
#define _XTAL_FREQ 4000000 // questo è utilizzato dalle routine di ritardo contenute in Delay.C ----> Sito Microchip mette dopo include xc.h
//https://onlinedocs.microchip.com/oxy/GUID-BB433107-FD4E-4D28-BB58-9D4A58955B1A-en-US-5/GUID-4756AF01-B8F7-4CBC-9430-BBDF48641A83.html
//la funzione __delay_ms è inclusa nel PIC, non è necessario caricare altre librerie

//define consigliato su https://forum.microchip.com/s/topic/a5C3l000000MMMwEAO/t316046
#define OFF 0
#define ON 1

//Riporto contenuto di conbits.h che mi da problemi nell'includere
//   indento doppio if proposto nel file conbits consigliato su internet, faccio definizioni in modo più diretto
//   // This is a guard condition so that contents of this file are not included
//   // more than once. 
//   #ifndef XC_HEADER_TEMPLATE_H
//   #define   XC_HEADER_TEMPLATE_H
//      // CONFIG1
#pragma config FOSC = INTRC_NOCLKOUT// Oscillator Selection bits (INTOSCIO oscillator: I/O function on RA6/OSC2/CLKOUT pin, I/O function on RA7/OSC1/CLKIN) --- oscilllatore interno
#pragma config WDTE = ON        // Watchdog Timer Enable bit (WDT enabled) --- non si capisce, una rogna da tenere spenta
#pragma config PWRTE = OFF      // Power-up Timer Enable bit (PWRT disabled) --- timer di power-on (quale uso?))
#pragma config MCLRE = ON       // RE3/MCLR pin function select bit (RE3/MCLR pin function is MCLR) -- usare pin come solo programmatore o anche I/O
#pragma config CP = OFF         // Code Protection bit (Program memory code protection is disabled) --- protezione dalla lettura del programma  su chip
#pragma config CPD = OFF        // Data Code Protection bit (Data memory code protection is disabled)
#pragma config BOREN = OFF      // Brown Out Reset Selection bits (BOR disabled)
#pragma config IESO = OFF       // Internal External Switchover bit (Internal/External Switchover mode is disabled)
#pragma config FCMEN = ON       // Fail-Safe Clock Monitor Enabled bit (Fail-Safe Clock Monitor is enabled)
#pragma config LVP = OFF        // Low Voltage Programming Enable bit (RB3 pin has digital I/O, HV on MCLR must be used for programming)
//   // CONFIG2
#pragma config BOR4V = BOR40V   // Brown-out Reset Selection bit (Brown-out Reset set to 4.0V)
#pragma config WRT = OFF        // Flash Program Memory Self Write Enable bits (Write protection off)
//   // #pragma config statements should precede project file includes.
//   // Use project enums instead of #define for ON and OFF.
//   //#include <xc.h> // include processor files - each processor file is guarded. 
//   #endif   /* XC_HEADER_TEMPLATE_H */



void main(){ // io metterei così, internet esagera così --> (int argc, char** argv) {

    while(1){
        PORTDbits.RD1 = 1;
        __delay_ms(500);
        PORTDbits.RD1 = 0;
        __delay_ms(500);
    }
   
    //da int metto void main e commento questo return (1); //io metterei così, internet esagera così --> EXIT_SUCCESS);
}


A fianco di questo, ho modificato anche il circuito creando:
- in prima battuta, una copia adattata del circuito di Laurtec pg 119. Un sotto circuito per stabilizzare i 5v del regolatore più un sotto circuito snellito per programmare. Questo, nonostante diversi tentativi e modifiche non ha prodotto risultato.
- una versione ultra semplificata trovata qui https://programmazionemicro.altervista.org/1-progetto-pic18f45k50-lampeggio-led/ dove in pratica si collegano direttamente i pin ed il MLCR senza ulteriori elaborazioni. Anche questo non ha prodotto risultato.

Ciò che continuo ad ottenere è sempre questo:
Codice: Seleziona tutto
Connecting to MPLAB PICkit 3...

Currently loaded firmware on PICkit 3
Firmware Suite Version.....01.56.09
Firmware type..............Midrange

Target voltage detected
Target device PIC16F887 found.
Device Revision ID = 2

Device Erased...

Programming...

The following memory area(s) will be programmed:
program memory: start address = 0x0, end address = 0x7ff
configuration memory
Programming/Verify complete


Possibile che una cosa che sembra così banale stia diventando così complicata????
Non si capisce nemmeno se sia un errore del codice o del circuito..dove sbaglio? E soprattutto, dove trovo una soluzione per uscire dal pantano? Di versioni del progettino ce ne sono diverse ma in nessuna trovo una soluzione.. #-o
Avatar utente
Foto UtenteArcherix
5 3
 
Messaggi: 5
Iscritto il: 22 gen 2024, 23:32

0
voti

[6] Re: [PIC16F887] Scheda di programmazione

Messaggioda Foto UtenteThEnGi » 4 feb 2024, 14:04

Archerix ha scritto:
Codice: Seleziona tutto
.......
Programming/Verify complete



La programmazione è avvenuta correttamente ora bisogna capire se è il codice o il circuito.

Infine "scommenta" un po' il tuo copia incolla :mrgreen:
è inleggibile :shock: per esempio definisci ON/OFF poi non li usi.... Togliere

Non ho tempo e conoscenza per fare il debug di tutto, ma mi sembrano troppe impostazioni per far solo lampeggiare il led :?:

Posta il circuito che hai realizato ! Il circuito magari completo di valori
Infine una foto allegata allo schema può aiutare.

Nel tuttoria che hai postato non si cita nessun condensatore, mettine almeno uno sull'alimentazione
Indicaticamente 100nF + 10uF per alimentazione e uno da 100nF sul pin di reset.
EDIT: I valori non sono critici se al posto di quello da 10uF ne hai uno da 1 o 4.7 uF va bene lo stesso, non so cosa prevede la microchip
EDIT 2 : Al 7805 li hai messi i condensatori ?

Con il condensatore sul pin di reset forse il pickit non riesce a programmare toglilo e poi rimettilo :ok:

O_/
Avatar utente
Foto UtenteThEnGi
2.230 3 6 9
Expert EY
Expert EY
 
Messaggi: 2228
Iscritto il: 6 ott 2022, 18:43

0
voti

[7] Re: [PIC16F887] Scheda di programmazione

Messaggioda Foto UtenteArcherix » 5 feb 2024, 0:21

Ciao ThEnGi, grazie. Sì anche a me quella frase dà la stessa impressione ma su youtube mi pare di aver visto un rigo di ulteriore conferma che non compare. Magari sbaglio..ma se è la conferma di una corretta scrittura allora il problema si riduce al codice, no?
Per il codice, ora provo a modificarlo per pulirlo. Su ON/OFF, ho incrociato, in uno tra gli esempi, chi li associava a 1/0 per evitare errori e quindi ho inserito quelle definizioni per evitare possibili errori nei pragma.
In tutto ciò, comunque, non mai segnalazioni di errore dall'IDE.

Per il circuito, ho installato il programma e proverò a fare gli schemi. Il circuito semplice non ha nulla come nel tutorial, in quello più complicato derivato da Laurtec i condensatori sono due da 25v 47uF e due 104 . Le foto non sto riuscendo ad allegarle, riproverò.
Al pin che dovrebbe operare c'è solo la resistenza ed il led, se la scrittura del PIC è avvenuta non dovrebbe funzionare? :roll:
Avatar utente
Foto UtenteArcherix
5 3
 
Messaggi: 5
Iscritto il: 22 gen 2024, 23:32

0
voti

[8] Re: [PIC16F887] Scheda di programmazione

Messaggioda Foto UtenteWALTERmwp » 5 feb 2024, 1:48

Archerix ha scritto:(...) Questo perché mi sembra di capire che l'alimentazione di questo PIC (e dei suo consimili con 2 pin per 5V e due pin a terra) sia un po' oltre le capacità del PICkit3. Alimento tutto con il regolatore lm7805, sia le due vie del PIC sia la linea a 5V che entra nel PICkit3 (...)
va bene alimentare il circuito sulla breadboard con una fonte esterna; tieni presente che "la linea a 5V che entra nel PICkit3" viene controllata dal PICkit3 per stabilire se il microcontrollore è, appunto, alimentato.

Archerix ha scritto:(...) - il conbits.h ora l'ho eliminato e ho integrato le istruzioni pragma in main.c, elimino così un possibile errore di richiamo di un file esterno ed ho tutto riunito (non parliamo di grandi codici... :roll: )
ti suggerisco di conservare il file conbits.h, quindi di tornare alla distinzione come accennata nel tuo post #3; un include in più non è un problema a livello di compilazione, ti serve invece per impostare il tuo lavoro, dare un ordine; questo a prescindere da un'eventuale complessità che, comunque, nel corso dell'ampliamento del tuo progetto si presume andrà in crescendo.

Archerix ha scritto:(...) - #include <xc.h> è tutta la libreria del compilatore xc , non so cosa commentare..ho visto che include la funzione delay che poi è l'unica che utilizzo, quindi non devo aggiungere altre definizioni per questa funzione (...)
ti ho suggerito semplicemente di commentare quella "riga" dell'include perché risultava duplicata.

Archerix ha scritto:(...) - _XTAL_FREQ ho corretto e spostato sopra, poi in realtà ho trovato un esempio della microchip che lo mette dopo, onestamente non saprei quale delle due versioni seguire ma in entambe non funziona (...)
ma stai usando un quarzo esterno(MHz ?) o vuoi untilizzare quello interno?

Archerix ha scritto:(...) - la linea __CONFIG l'ho eliminata in quanto replica di tutti i pragma messi (...)
corretto.

Archerix ha scritto:(...) A fianco di questo, ho modificato anche il circuito creando:
- in prima battuta, una copia adattata del circuito di Laurtec pg 119. Un sotto circuito per stabilizzare i 5v del regolatore più un sotto circuito snellito per programmare. Questo, nonostante diversi tentativi e modifiche non ha prodotto risultato (...)
mi permetto: così, a mio parere, non va bene.
Non serve inseguire la riproduzione di schemi o parti di essi in assenza di un criterio.
Inoltre, sovrapporre più modifiche, per di più sia hardware che software, è poco funzionale, c'è la difficoltà a determinare gli effetti di ogni variazione apportata.

Seguirti in questo modo non è semplice, oltretutto senza lo schema di quanto hai cablato; trova il modo di farci vedere come sono collegati i componenti.

Archerix ha scritto:(...) Ciò che continuo ad ottenere è sempre questo (...)
come è stato osservato il micro viene programmato: l'errore è nel cablaggio(o nell'alimentazione) o nel programma.
Per esempio, considerato che vuoi accendere un led, occorre configurare il pin di I/O in causa come un Output.
Forse mi è sfuggito ma non mi pare siano state configurate le porte; in tal caso, dopo gli #include dei file,
dovresti aggiungere le seguenti righe
Codice: Seleziona tutto
//IMPOSTA TUTTE LE PORTE COME USCITE
    TRISA=0b00000000;
    TRISB=0b00000000;
    TRISC=0b00000000;
    TRISD=0b00000000;

Facci sapere ...

Saluti
W - U.H.F.
Avatar utente
Foto UtenteWALTERmwp
30,2k 4 8 13
G.Master EY
G.Master EY
 
Messaggi: 8986
Iscritto il: 17 lug 2010, 18:42
Località: le 4 del mattino

1
voti

[9] Re: [PIC16F887] Scheda di programmazione

Messaggioda Foto UtenteArcherix » 6 feb 2024, 0:29

Ah, non sapevo che fosse per controllare, ero convinto che fosse un'alimentazione supplementare..

Sì sono d'accordo che il conbits vada tenuto per una questione metodologica e di ordine, era solo un tentativo per escludere passaggi. Ora riproverò con il file separato, posso infatti finalmente dire che la situazione si è risolta grazie all'inserimento del tuo codice WALTERmwp! Grandeee!! :D e grazie a tutti per l'aiuto.

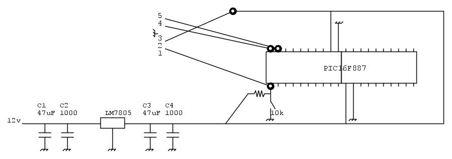
Nel mentre, comunque, ho disegnato il circuito nella versione più elaborata (quella con i condensatori come indirizzava ThEnGi e adattata da Laurtec di bluice80) e che ha funzionato. Ve lo condivido (però vi avviso, non è bello come gli altri.. #-o ).



IMG_3676.jpg

IMG_3675.jpg


Spero di postare il tutto in maniera corretta..
Grazie per avermi salvato :D e ora, vediamo cosa ne viene fuori... ;-)
Avatar utente
Foto UtenteArcherix
5 3
 
Messaggi: 5
Iscritto il: 22 gen 2024, 23:32

0
voti

[10] Re: [PIC16F887] Scheda di programmazione

Messaggioda Foto UtenteWALTERmwp » 6 feb 2024, 12:06

Prego @Archerix, buona continuazione.

Saluti
W - U.H.F.
Avatar utente
Foto UtenteWALTERmwp
30,2k 4 8 13
G.Master EY
G.Master EY
 
Messaggi: 8986
Iscritto il: 17 lug 2010, 18:42
Località: le 4 del mattino


Torna a Realizzazioni, interfacciamento e nozioni generali.

Chi c’è in linea

Visitano il forum: Nessuno e 11 ospiti