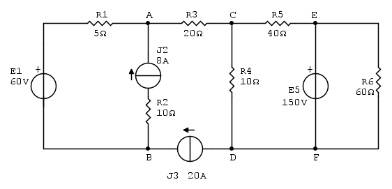
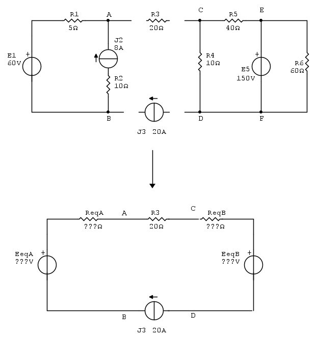
Per la rete in regime stazionario riportata nella figura di seguito determinare:
1. la potenza W3 utilizzata nel resistore R3
2. la potenza W1 utilizzata nel resistore R1
3. la potenza WJ3 erogata dal generatore ideale di corrente J3
4. la potenza WE5 erogata dal generatore ideale di tensione E5
Vi chiedo di supportarmi per impostare al meglio una soluzione. Grazie mille già ora per il supporto. Scusate se c'è qualche errore formale nello schema di rete fatto con FidoCadJ.

Elettrotecnica e non solo (admin)
Un gatto tra gli elettroni (IsidoroKZ)
Esperienza e simulazioni (g.schgor)
Moleskine di un idraulico (RenzoDF)
Il Blog di ElectroYou (webmaster)
Idee microcontrollate (TardoFreak)
PICcoli grandi PICMicro (Paolino)
Il blog elettrico di carloc (carloc)
DirtEYblooog (dirtydeeds)
Di tutto... un po' (jordan20)
AK47 (lillo)
Esperienze elettroniche (marco438)
Telecomunicazioni musicali (clavicordo)
Automazione ed Elettronica (gustavo)
Direttive per la sicurezza (ErnestoCappelletti)
EYnfo dall'Alaska (mir)
Apriamo il quadro! (attilio)
H7-25 (asdf)
Passione Elettrica (massimob)
Elettroni a spasso (guidob)
Bloguerra (guerra)










