Progettazione, esercizio, manutenzione, sicurezza, leggi, normative...
Moderatori:
sebago,
MASSIMO-G,
lillo,
Mike
da
Franco012 » 27 feb 2024, 20:33
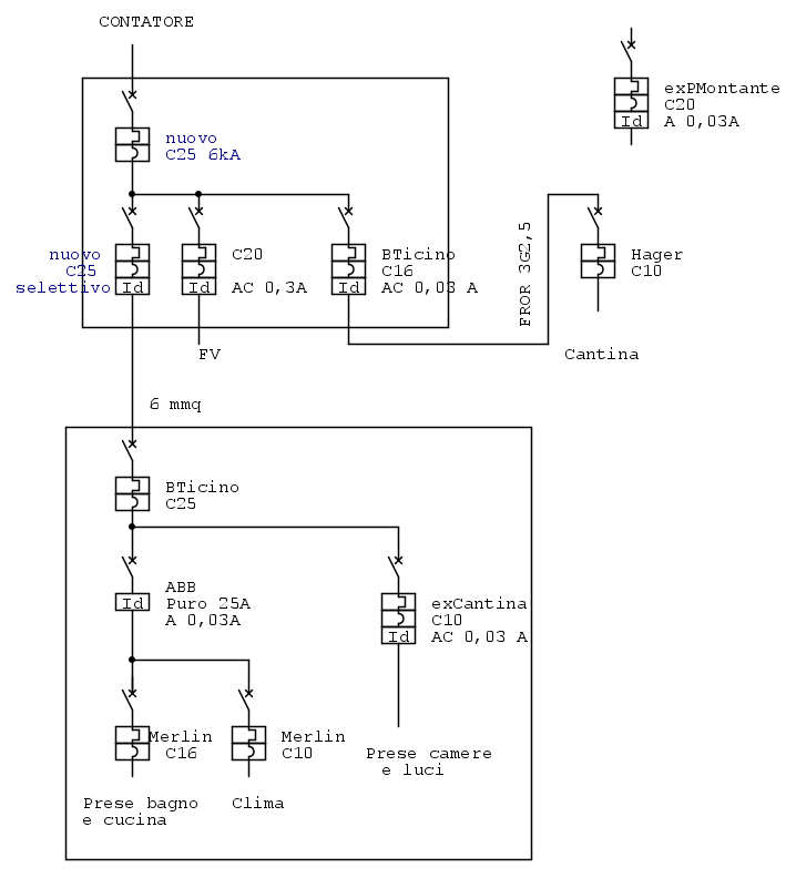
Gizeta ha scritto:Avrei pensato di realizzare la configurazione che allego come immagine
[...]
Cosa ne pensate?
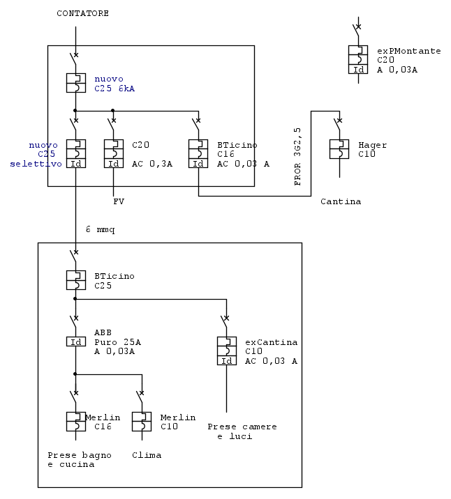
Visto che hai già realizzato lo schema con FidoCadJ, perché non la inserisci nel formato corretto?
Sarà possibile, per gli altri utenti, apportare facilmente eventuali modifiche.
Vedi
qui le istruzioni.
Big fan of ⋮ƎlectroYou
-

Franco012
5.842
3
4
8
- G.Master EY

-
- Messaggi: 2713
- Iscritto il: 8 ago 2015, 19:40
- Località: Sardegna
Torna a Impianti, sicurezza e quadristica
Chi c’è in linea
Visitano il forum: Nessuno e 212 ospiti