Gizeta ha scritto:Il montante della cantina nella tua versione è protetto dal IMT diff. da 16A.
Se ti ci entra, ok
Moderatori:
sebago,
MASSIMO-G,
lillo,
Mike
Gizeta ha scritto:Il montante della cantina nella tua versione è protetto dal IMT diff. da 16A.


SediciAmpere ha scritto:Dovrei riguardarmi la 64-8, non ricordo se è conforme un montante misto altri a singolo isolamento senza protezione differenziale.


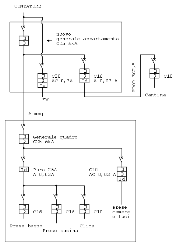
Gizeta ha scritto:Sono riuscito a recuperare 2 moduli nel quadro contatore, quindi adesso dispongo di 6 moduli.
Questa quindi è la versione definitiva che penso di realizzare:


Torna a Impianti, sicurezza e quadristica
Visitano il forum: Nessuno e 41 ospiti