Sistema di equazioni usando principi di Kirchhoff
Moderatori:
carloc,
g.schgor,
BrunoValente,
IsidoroKZ
3 messaggi
• Pagina 1 di 1
0
voti
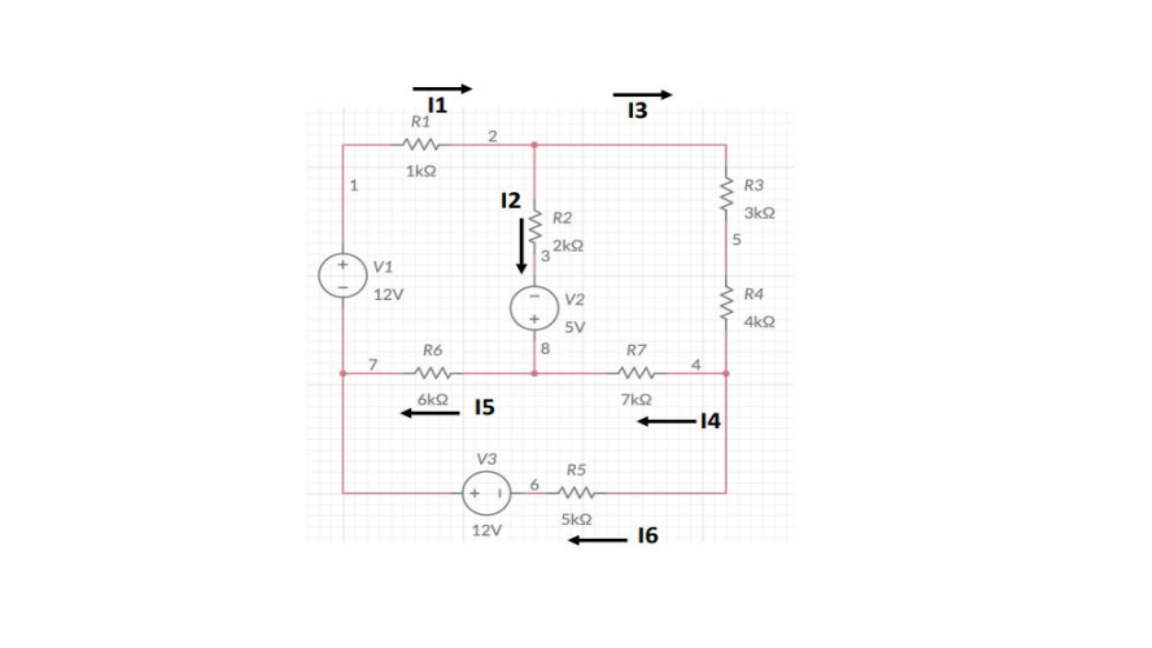
Per il circuito in figura 4, impostare il sistema di equazioni per ricavare le correnti I1, I2, I3, I4, I5, I6 usando i principi di Kirchhoff.
0
voti
Si bisognerebbe impostare il sistema di equazioni per ricavare le correnti I1, I2, I3, I4, I5, I6 usando i principi di Kirchhoff. Sapresti farlo? E' un problema di elettrotecnica che non so risolvere.
Grazie in anticipo
Grazie in anticipo
3 messaggi
• Pagina 1 di 1
Chi c’è in linea
Visitano il forum: Nessuno e 46 ospiti

Elettrotecnica e non solo (admin)
Un gatto tra gli elettroni (IsidoroKZ)
Esperienza e simulazioni (g.schgor)
Moleskine di un idraulico (RenzoDF)
Il Blog di ElectroYou (webmaster)
Idee microcontrollate (TardoFreak)
PICcoli grandi PICMicro (Paolino)
Il blog elettrico di carloc (carloc)
DirtEYblooog (dirtydeeds)
Di tutto... un po' (jordan20)
AK47 (lillo)
Esperienze elettroniche (marco438)
Telecomunicazioni musicali (clavicordo)
Automazione ed Elettronica (gustavo)
Direttive per la sicurezza (ErnestoCappelletti)
EYnfo dall'Alaska (mir)
Apriamo il quadro! (attilio)
H7-25 (asdf)
Passione Elettrica (massimob)
Elettroni a spasso (guidob)
Bloguerra (guerra)

