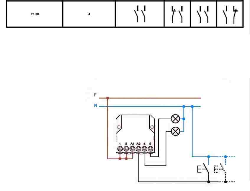
Buongiorno,riguardo l'argomento relativo al relè passo passo vorrei poter simulare con CADeSIMU il funzionamento del tipo Finder 26.08 a 4 impulsi. Chi senz'altro conosce meglio di me questo programma didattico in modo da rappresentarne lo schema e simularne il funzionamento.
Grazie cordialità per l'aiuto...
Allego schema circuitale
Relè Finder passo passo 26.08 a 4 impulsi
Moderatore:
IsidoroKZ
1 messaggio
• Pagina 1 di 1
1 messaggio
• Pagina 1 di 1
Torna a Elettronica e spettacolo
Chi c’è in linea
Visitano il forum: Nessuno e 13 ospiti

Elettrotecnica e non solo (admin)
Un gatto tra gli elettroni (IsidoroKZ)
Esperienza e simulazioni (g.schgor)
Moleskine di un idraulico (RenzoDF)
Il Blog di ElectroYou (webmaster)
Idee microcontrollate (TardoFreak)
PICcoli grandi PICMicro (Paolino)
Il blog elettrico di carloc (carloc)
DirtEYblooog (dirtydeeds)
Di tutto... un po' (jordan20)
AK47 (lillo)
Esperienze elettroniche (marco438)
Telecomunicazioni musicali (clavicordo)
Automazione ed Elettronica (gustavo)
Direttive per la sicurezza (ErnestoCappelletti)
EYnfo dall'Alaska (mir)
Apriamo il quadro! (attilio)
H7-25 (asdf)
Passione Elettrica (massimob)
Elettroni a spasso (guidob)
Bloguerra (guerra)