Cos'è ElectroYou | Login Iscriviti

ElectroYou - la comunità dei professionisti del mondo elettrico

Calcolare tensione in uscita con 3 diodi

Elettronica lineare e digitale: didattica ed applicazioni

Moderatori: Foto Utentecarloc, Foto Utenteg.schgor, Foto UtenteBrunoValente, Foto UtenteIsidoroKZ

1
voti

[1] Calcolare tensione in uscita con 3 diodi

Messaggioda Foto UtenteGianniSenzaTerra » 30 mar 2024, 20:04

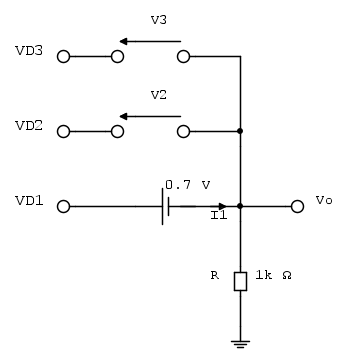
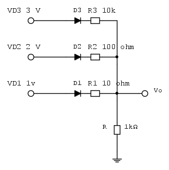
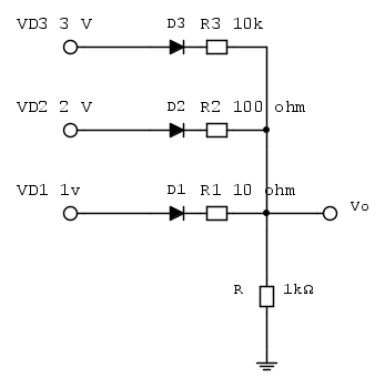
Salve a tutti, ho un esercizio in cui devo calcolare la tensione di uscita \text{ V}_o con \text{ V}_{D_1} = 1 \text{ V}, \text{ V}_{D_2} = 2 \text{ V}, \text{ V}_{D_3} = 3 \text{ V}, \text{ R} = 1\text{k } \Omega, \text{V}_\gamma = 0.7 \text{ V} usando il modello di tensione costante.
Allego il disegno originale alla fine del post perché non so se è chiaro ciò che ho fatto con fidocad:




Da quanto ho capito a lezione, devo fare delle ipotesi e verificare se sono coerenti con il modello, quindi in questo caso posso supporre che tutti i diodi siano in conduzione. Al posto dei diodi nel circuito metto dei generatori indipendenti di tensione, così:



Poi dovrei controllare che valga \text{I}_n > 0. Però in questo caso come potrei determinare la corrente? Credo che questo circuito non sia risolubile perché ho dei generatori in parallelo, ma vorrei la certezza di questo.

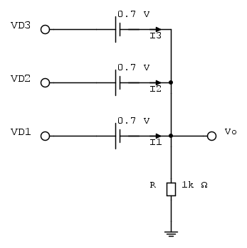
Dando per buono questo fatto, è giusto supporre che solo uno dei tre diodi possa eventualmente essere in conduzione? Dando per buono questo fatto, ho ipotizzato che D1 sia in conduzione, mentre D2 e D3 in interdizione:



Facendo un po' di conti trovo:

\text{I}_1 = \frac{\text{V}_{D_1} - \text{V}_\gamma}{R}= 0.3 \text{ mA} > 0 che verifica il modello

\text{V}_2 = \text{V}_{D_2} - R\cdot \text{I}_1 = 1.7 \text{ V} > 0.7 \text { V} che non verifica il modello

\text{V}_3 = \text{V}_{D_3} - R\cdot \text{I}_1 = 2.7 \text{ V} > 0.7 \text { V} che non verifica il modello

Ora l'altra mia domanda è questa: siccome con questa "configurazione" il modello non funziona, per la prossima ipotesi posso ipotizzare ad esempio D1 in interdizione, D2 in conduzione e D3 in interdizione? Cioè, siccome nei calcoli precedenti D2 e D3 risultavano non in interdizione, non posso assumere che siano in conduzione giusto? Devo rifare i conti con un nuovo modello, è corretto?


Grazie in anticipo e buona Pasqua a chi leggerà!


disegno.png
disegno.png (11.43 KiB) Osservato 3947 volte
Avatar utente
Foto UtenteGianniSenzaTerra
20 3
 
Messaggi: 8
Iscritto il: 14 ago 2023, 20:05

2
voti

[2] Re: Calcolare tensione in uscita con 3 diodi

Messaggioda Foto UtenteMarcoD » 30 mar 2024, 20:21

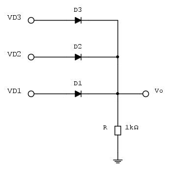
Il diodo che ha la tensione più alta conduce e interdice gli altri.Vo = 3-0,7
Avatar utente
Foto UtenteMarcoD
12,2k 5 9 13
Master EY
Master EY
 
Messaggi: 6696
Iscritto il: 9 lug 2015, 16:58
Località: Torino

1
voti

[3] Re: Calcolare tensione in uscita con 3 diodi

Messaggioda Foto UtenteGianniSenzaTerra » 30 mar 2024, 20:23

Sisì, diciamo che si vede ad occhio e facendo i conti col modello torna tutto, però ho volutamente seguito questa via per arrivare alle domande del post
Avatar utente
Foto UtenteGianniSenzaTerra
20 3
 
Messaggi: 8
Iscritto il: 14 ago 2023, 20:05

2
voti

[4] Re: Calcolare tensione in uscita con 3 diodi

Messaggioda Foto UtenteThEnGi » 30 mar 2024, 20:25

Ti faccio fare una piccola riflessione quando D3 entra in conduzione cosa succede al sistema ?

EDIT: Foto UtenteMarcoD mi ha battuto sul tempo :mrgreen:

+1 per aver disegnato gli schemi su fidocadj e non aver fatto copia incolla dal libro :ok:

O_/
Avatar utente
Foto UtenteThEnGi
2.230 3 6 9
Expert EY
Expert EY
 
Messaggi: 2228
Iscritto il: 6 ott 2022, 18:43

1
voti

[5] Re: Calcolare tensione in uscita con 3 diodi

Messaggioda Foto UtenteMarcoD » 31 mar 2024, 8:04



Complimenti per la soluzione, propongo una versione più difficile dello stesso esercizio.
Non so se si capisce, il problema mi fa venire in mente il quesito:
Se accoppio un cavallo e un bue allo stesso carro, quale tira di più ? La risposta è: dipende dal peso del carro. :-)
Avatar utente
Foto UtenteMarcoD
12,2k 5 9 13
Master EY
Master EY
 
Messaggi: 6696
Iscritto il: 9 lug 2015, 16:58
Località: Torino

0
voti

[6] Re: Calcolare tensione in uscita con 3 diodi

Messaggioda Foto UtenteGianniSenzaTerra » 31 mar 2024, 15:23

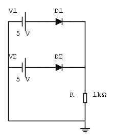
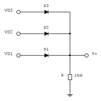
Il mio problema con questo tipo di esercizi arriva in questo caso, prendo la versione "semplificata" perché il problema è concettuale per così dire.
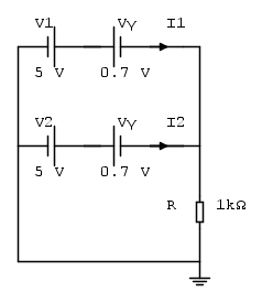
Uso un disegno più chiaro del circuito.



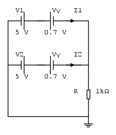
Ora, questo circuito realizza una porta OR, quindi ipotizzo che i diodi siano entrambi in conduzione, li sostituisco un generatore di tensione indipendente con tensione \text{V}_\gamma = 0.7 \text{ V}, e devono valere contemporaneamente \text{I}_1 > 0, \text{ I}_2 > 0.



Il mio problema è che a questo punto non so come calcolare le due correnti perché dalla teoria questo circuito non ha una soluzione unica o qualcosa del genere, perché ho i due generatori in parallelo e non so come andare avanti coi calcoli.
Avatar utente
Foto UtenteGianniSenzaTerra
20 3
 
Messaggi: 8
Iscritto il: 14 ago 2023, 20:05

0
voti

[7] Re: Calcolare tensione in uscita con 3 diodi

Messaggioda Foto UtenteMarcoD » 31 mar 2024, 16:06

In questo caso, la soluzione rimane indefinita. Il modello adoperato (generatori ideali di tensione e quindi privi di resistenza interna posti in parallelo) non è adeguato.

Penso sia l'equivalente elettrico di un problema di fisica meccanica statica in cui si vuole suddividere una forza peso di una trave rigida su più di due vincoli.
Avatar utente
Foto UtenteMarcoD
12,2k 5 9 13
Master EY
Master EY
 
Messaggi: 6696
Iscritto il: 9 lug 2015, 16:58
Località: Torino

1
voti

[8] Re: Calcolare tensione in uscita con 3 diodi

Messaggioda Foto UtenteGianniSenzaTerra » 31 mar 2024, 16:44

Grazie, in effetti non abbiamo mai usato dei generatori reali anche se sapevo della loro esistenza, quindi è per questo che non ci avevo mai pensato. Suppongo di poter usare una resistenza molto piccola e poi fare i conti normalmente, in ogni caso ne riparlerò meglio col prof dopo le feste, è che avevo questo dubbio che mi tormentava ieri e non riuscivo ad attendere :lol:
Avatar utente
Foto UtenteGianniSenzaTerra
20 3
 
Messaggi: 8
Iscritto il: 14 ago 2023, 20:05


Torna a Elettronica generale

Chi c’è in linea

Visitano il forum: Nessuno e 201 ospiti