Cos'è ElectroYou | Login Iscriviti

ElectroYou - la comunità dei professionisti del mondo elettrico

Isolamento ritorno pulsante relè e linea bobina contattore

Progettazione, esercizio, manutenzione, sicurezza, leggi, normative...

Moderatori: Foto Utentesebago, Foto UtenteMASSIMO-G, Foto Utentelillo, Foto UtenteMike

0
voti

[21] Re: Isolamento ritorno pulsante relè e linea bobina contatto

Messaggioda Foto UtenteMarcoPau » 7 apr 2024, 22:30

NoNickName ha scritto:cosa vuol dire?


Ho sostituito l'orologio (interruttore orario giornaliero) con un relè passo passo per comandare le luci da pulsante posto in scatola portafrutto (senza aprire il quadro).

Era uno degli argomenti a inizio thread: volevo usare un relè a due scambi per avere un relè unico per due linee luci separate, ma nel dubbio ho montato due relè distinti e festa finita.

Mi ha fatto appunto strano, che l'interruttore orario giornaliero (che comandava la bobina del teleruttore) portasse fili da 1,5 sotto una linea da 16A.

L'interruttore orario era di primo impianto, tutto fatto dai quadristi/elettricisti nel 98, anno di costruzione dell'immobile.
Avatar utente
Foto UtenteMarcoPau
30 3
 
Messaggi: 49
Iscritto il: 1 apr 2024, 13:50

0
voti

[22] Re: Isolamento ritorno pulsante relè e linea bobina contatto

Messaggioda Foto UtenteMarcoPau » 7 apr 2024, 22:40

ThEnGi ha scritto:Resto basito che "l'orologio" sia collegato direttamente alla bobina senza riferimenti di dove prende alimentazione per lui e per la bobina

O_/


Non ho nozioni di progettistica, ti sembra sia fatto male/poco eloquente?

Ad ogni modo, il teleruttore (lascia bobina) prende corrente dall'interruttore orario, che a sua volta prende corrente dal MTD. Tutto sullo stessa linea, come immagino sia "scontato". È pur vero che le linee sono 3 (MTD quadripolare, quadro trifase), e uno dei tre morsetti è quello che fa l'orologio.

Immagino che passare da una all'altra linea tra le 3 della linea luci esterne, sia indifferente.
Avatar utente
Foto UtenteMarcoPau
30 3
 
Messaggi: 49
Iscritto il: 1 apr 2024, 13:50

0
voti

[23] Re: Isolamento ritorno pulsante relè e linea bobina contatto

Messaggioda Foto UtenteThEnGi » 8 apr 2024, 8:33

MarcoPau ha scritto:Non ho nozioni di progettistica, ti sembra sia fatto male/poco eloquente?


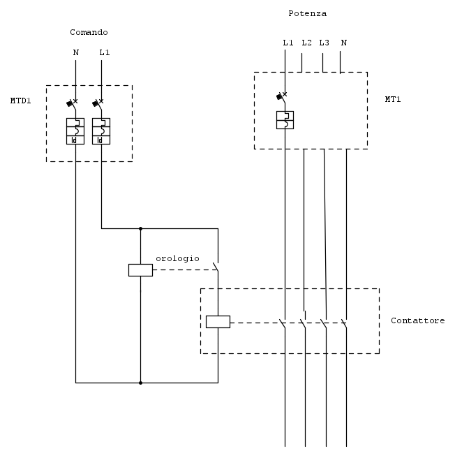
Dallo schema elettrico dovrei capire da dove è alimentato l'orologio e da dove, li sembra che viva di vita propria :mrgreen:
magari ci sono altre pagine dove è riportato ma almeno un riferimento :?:

Perché non è scontato che l'alimentazione della parte orologio e del contatto che gestisce (la bobina) del teleruttore sia la stessa.

O come l'altro relè/teleruttore (RPP11), esiste è una riserva ?

EDIT: Mi sarei aspettato una cosa simile




O_/
Ultima modifica di Foto UtenteThEnGi il 8 apr 2024, 9:03, modificato 2 volte in totale.
Avatar utente
Foto UtenteThEnGi
2.230 3 6 9
Expert EY
Expert EY
 
Messaggi: 2228
Iscritto il: 6 ott 2022, 18:43

0
voti

[24] Re: Isolamento ritorno pulsante relè e linea bobina contatto

Messaggioda Foto UtenteNoNickName » 8 apr 2024, 8:35

Se qualcuno ha capito, può spiegare in termini comprensibili?
Avatar utente
Foto UtenteNoNickName
311 1 2 4
Stabilizzato
Stabilizzato
 
Messaggi: 333
Iscritto il: 10 nov 2021, 14:54

0
voti

[25] Re: Isolamento ritorno pulsante relè e linea bobina contatto

Messaggioda Foto UtenteMarcoPau » 8 apr 2024, 9:49

ThEnGi ha scritto:O come l'altro relè/teleruttore (RPP11), esiste è una riserva ?


Sì, RPP11 esiste ed è uno dei relè dell'illuminazione del locale principale.

EDIT: Mi sarei aspettato una cosa simile


A prova di utonto! Così si capisce perfettamente ed è proprio com'è cablato nella realtà. I cavi da L1 a orologio e da N a orologio sono per l'appunto quelli che dicevo essere da 1,5 mmq e che, per le mie più o meno scarse conoscenze in materia, mi paiono essere sottodimensionati essendo protetti da MTD da 16A.

Se non è scontato che sia collegato sotto quella linea, è proprio quello che volevo fare inizialmente, ovvero spostarlo sotto una linea da 10A. Ma il dubbio che un interruttore/relè/bobina possano stare sotto una linea diversa rispetto a quella del teleruttore, mi ha fatto desistere e ho lasciato tutto come da primo impianto e da progetto (pur avendo sostituito l'orologio con un relè passo passo).
Avatar utente
Foto UtenteMarcoPau
30 3
 
Messaggi: 49
Iscritto il: 1 apr 2024, 13:50

0
voti

[26] Re: Isolamento ritorno pulsante relè e linea bobina contatto

Messaggioda Foto UtenteThEnGi » 8 apr 2024, 10:10

MarcoPau ha scritto:A prova di utonto! Così si capisce perfettamente ed è proprio com'è cablato nella realtà


Così dovrebbero essere fatti gli schemi :mrgreen:
Come sono cablati nella realtà :ok:
NDR: Bisogna anche usare i simboli giusti, ma mi auto perdono :mrgreen:

RPP11 è cablato a qualcosa allora ?

Io non vedo problemi a separare la "linea di comando" dalla "linea di potenza", anzi ti permette eventualmente di usare un MT/MTD più piccolo e usare cavi di sezione ridotta e comunque garantire l'intervento della protezione

Ma aspetta pareri da qualcuno più esperto :ok:



OT:
Ho toccato qualche impostazione di fidocadj è ora ho la griglia finissima, quale è il valore corretto ?
/OT

O_/
Avatar utente
Foto UtenteThEnGi
2.230 3 6 9
Expert EY
Expert EY
 
Messaggi: 2228
Iscritto il: 6 ott 2022, 18:43

0
voti

[27] Re: Isolamento ritorno pulsante relè e linea bobina contatto

Messaggioda Foto UtenteMarcoPau » 9 mag 2024, 9:00

ThEnGi ha scritto:RPP11 è cablato a qualcosa allora ?


Mi era sfuggita questa domanda in mezzo! Sì, avevo già scritto che RPP11 è un relè delle luci di uno dei locali principali, che ha tre linee, ognuna col proprio relè.
Avatar utente
Foto UtenteMarcoPau
30 3
 
Messaggi: 49
Iscritto il: 1 apr 2024, 13:50

0
voti

[28] Re: Isolamento ritorno pulsante relè e linea bobina contatto

Messaggioda Foto Utentegianluca.ciacciofera » 9 mag 2024, 12:28

MarcoPau ha scritto:Grazie mille :-)

Ritorno dei pulsanti (230V) quindi l'unica soluzione è la posa di FG16 "perdendo" il neutro, oppure mi sfugge l'esistenza di cavi unipolari in classe II 450/750 (doppio isolamento) per posa fissa?

cavo unipolare FG16 oppure H07RNF - colore anima nero.
Avatar utente
Foto Utentegianluca.ciacciofera
271 1 4 6
Sostenitore
Sostenitore
 
Messaggi: 723
Iscritto il: 4 ott 2006, 10:57

Precedente

Torna a Impianti, sicurezza e quadristica

Chi c’è in linea

Visitano il forum: Nessuno e 179 ospiti