Buongiorno a tutti, sono nuovo del forum e posto qui il mio quesito.
Sono uno smanettone elettronico con conoscenze basilari, ma me la cavo abbastanza bene in elettrotecnica e schemi per automazioni, ahimè, ancora con relè e contatti vari.
Ho elaborato uno schema per il funzionamento di un motorino 12Vdc che ruota alla cadenza oraria determinata da un orologio programmatore ad un canale, vedere schema allegato.
Il tutto funziona, ma essendoci 5 relè, che consumano un pochino ed anche per minimizzare il tutto, volevo convertire il tutto con la logica booleana e installare una scheda con circuiti integrati e quindi montare solo i due relè per il comando del motorino, come rappresentati nella parte destra dello schema.
Ho provato a cimentarmi su Thinkercad (di cui allego foto), e devo dire che sarei riuscito solo a far funzionare la logica della memoria (l'ultimo integrato a destra che rappresenta il funzionamento del relè 3 nello schema) ma non sono andato oltre, certamente a causa della mia scarsissima competenza nella logica booleana e dei segnali in ingresso ed uscita dai circuiti integrati.
Chiedo se esiste un applicativo di trasformazione "automatica" cioè da schema elettrico a logica con circuiti integrati (credo sia cosa impossibile, ma tentar ...), oppure se qualcuno mi aiuta nella conversione.
N.B. i due contatti in scambio (PR e Corona) sono realmente così, con il contatto comune e quindi non è possibile separare il contatto NO da quello NC. Per altre delucidazioni, attendo risposte da coloro che gentilmente mi aiuteranno.
Ringrazio in anticipo.
Da schema elettrico a logica digitale
Moderatori:
carloc,
g.schgor,
BrunoValente,
IsidoroKZ
20 messaggi
• Pagina 1 di 2 • 1, 2
0
voti
Automatico dubito, ci si po' ragionare sù
Quali sono i "contatti" gestiti "manualmente" e quelli no. Quelli con ritenuta e quelli no
Mancano l'azionamento per: PR,Corona, W e E
Indicativamente
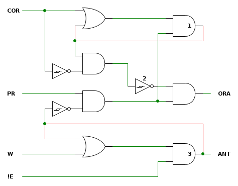
Il movimento orario è: 3 negato AND 2 negato AND PR AND Corona
Il movimento antiorarioè: E negato AND (3 OR W)
Puoi usare fidocadj per i disegni che è meglio

Quali sono i "contatti" gestiti "manualmente" e quelli no. Quelli con ritenuta e quelli no
Mancano l'azionamento per: PR,Corona, W e E
Indicativamente
Il movimento orario è: 3 negato AND 2 negato AND PR AND Corona
Il movimento antiorarioè: E negato AND (3 OR W)
Puoi usare fidocadj per i disegni che è meglio

0
voti
Grazie mille ThEnGi per la tua celere risposta.
Di contatti manuali non ce ne sono, tutto è automatico; ogni giorno viene effettuato un posizionamento ad ogni ora con partenza da Est, ed al raggiungimento di Ovest, il motorino si riporta indietro a Est, per attendere la partenza data dal programmatore orario, e specificatamente:
Il motorino aziona una corona dove sono fissati 24 magneti per rilevare ogni Ora e lateralmente abbiamo dei reed che rilevano: Corona = contatto in scambio ad ogni passaggio di un magnete Ora; E= Contatto Nc per rilevare la posizione massima ad Est; W= Contatto No per rilevare la posizione massima ad Ovest; PR= Contatto del programmatore orario - Dalle 06,00 fino alle 19,00 e per ogni ora chiude il contatto per 1 minuto.
Partendo dalla posizione Est, ogni ora il motorino si muove in senso orario fino a raggiungere la seconda ora successiva e poi si ferma. La prima parte dello schema è concepita così perché il movimento tra le ore è più rapido del tempo minimo del programmatore orario (1 minuto).
Quando il movimento orario raggiunge la massima posizione ad Ovest (ore 19,00), viene azionato il movimento antiorario fino al riposizionamento ad Est.
P.S. Abbiamo due corone: una con 24 magneti e due camme superiori, sempre con magneti, per rilevare Est (ore 06,00) e Ovest (ore 19,00).
Intanto provo a tradurre in circuito le tue prime indicazioni.
Non sono pratico di Fidocad, anche se ci ho smanettato un po'. Intanto utilizzo Thinkercad, dato che simula bene il funzionamento.
Grazie mille per il tuo suggerimento.
Di contatti manuali non ce ne sono, tutto è automatico; ogni giorno viene effettuato un posizionamento ad ogni ora con partenza da Est, ed al raggiungimento di Ovest, il motorino si riporta indietro a Est, per attendere la partenza data dal programmatore orario, e specificatamente:
Il motorino aziona una corona dove sono fissati 24 magneti per rilevare ogni Ora e lateralmente abbiamo dei reed che rilevano: Corona = contatto in scambio ad ogni passaggio di un magnete Ora; E= Contatto Nc per rilevare la posizione massima ad Est; W= Contatto No per rilevare la posizione massima ad Ovest; PR= Contatto del programmatore orario - Dalle 06,00 fino alle 19,00 e per ogni ora chiude il contatto per 1 minuto.
Partendo dalla posizione Est, ogni ora il motorino si muove in senso orario fino a raggiungere la seconda ora successiva e poi si ferma. La prima parte dello schema è concepita così perché il movimento tra le ore è più rapido del tempo minimo del programmatore orario (1 minuto).
Quando il movimento orario raggiunge la massima posizione ad Ovest (ore 19,00), viene azionato il movimento antiorario fino al riposizionamento ad Est.
P.S. Abbiamo due corone: una con 24 magneti e due camme superiori, sempre con magneti, per rilevare Est (ore 06,00) e Ovest (ore 19,00).
Intanto provo a tradurre in circuito le tue prime indicazioni.
Non sono pratico di Fidocad, anche se ci ho smanettato un po'. Intanto utilizzo Thinkercad, dato che simula bene il funzionamento.
Grazie mille per il tuo suggerimento.
-

neverbefore
20 1 2 - Messaggi: 8
- Iscritto il: 18 apr 2024, 17:10
0
voti
Ora è chiaro. Considera anche che un circuito digitale è sensibilissimo ai disturbi impulsivi, quindi in un circuito reale, oltre ad una alimentazione stabile, ogni ingresso va filtrato:
Una domanda ben posta è già mezza risposta.
0
voti
Per caso è un sistema di orientamento per i pannelli solari?
Forse si può fare anche più semplicemente con un encoder e un Micro.
Nell' '87 lo avevo fatto con le fotoresistenze e gli operazionali.
Il motore Dc era comandato da quattro transistor (ponte ad H).
Ciao
Forse si può fare anche più semplicemente con un encoder e un Micro.
Nell' '87 lo avevo fatto con le fotoresistenze e gli operazionali.
Il motore Dc era comandato da quattro transistor (ponte ad H).
Ciao
600 Elettra
0
voti
Una traduzione paro-paro della logica potrebbe essere questa (in rosso le autoritenute):
Una domanda ben posta è già mezza risposta.
3
voti
stefanopc ha scritto:Per caso è un sistema di orientamento per i pannelli solari?
Forse si può fare anche più semplicemente con un encoder e un Micro.
Nell' '87 lo avevo fatto con le fotoresistenze e gli operazionali.
Il motore Dc era comandato da quattro transistor (ponte ad H).
Ciao
Come avete già capito, è un inseguitore solare; avevo due pannelli di recupero e mi sono cimentato come da foto allegata.
Questa esperienza mi ha deluso un po', a causa dei sensori (fotoresistenze) che non riuscivo a tarare in modo corretto specialmente nelle giornate piovose o senza luce diretta.
Da qui la soluzione dell'orologio programmatore (Encoder e micro sono sostituiti dalla corona a magneti e dai sensori magnetici ) che ad ogni ora si sposta a cercare il sole anche se non c'è.
Ultima modifica di
neverbefore il 20 apr 2024, 9:49, modificato 1 volta in totale.
-

neverbefore
20 1 2 - Messaggi: 8
- Iscritto il: 18 apr 2024, 17:10
0
voti
Ringrazio "Dinz" e gli confermo che l'alimentazione è stabile, visto che parliamo di pannelli solari con batteria a 12V. Chiedo, quindi se nel mio caso, per ogni ingresso, debba mettere il controllo disturbi lo stesso.
Grazie.
Grazie.
-

neverbefore
20 1 2 - Messaggi: 8
- Iscritto il: 18 apr 2024, 17:10
0
voti
Secondo me le fotoresistenze montate come nella foto non sono utilizzate in maniera ottimale.
Probabilmente è per questo motivo che risultano problematiche da tarare.
Non vedo bene ma non hai provato con una aletta a croce che crea l'ombra montata tra le 4 fotoresistenze?
Se ti interessa posso farti un disegno.
Ciao
Probabilmente è per questo motivo che risultano problematiche da tarare.
Non vedo bene ma non hai provato con una aletta a croce che crea l'ombra montata tra le 4 fotoresistenze?
Se ti interessa posso farti un disegno.
Ciao
600 Elettra
0
voti
Ciao Stefano.
Diciamo che avevo già montato le 4 fotoresistenze con un'aletta a croce e mi funzionava "abbastanza" bene.
Il problema è sorto quando ho dovuto installare una protezione per la pioggia e questa protezione creava riflessioni strane.
Proprio per creare l'ombra, ho provato a divergere tra loro tutti e 4 i tubi di protezione, senza grosse migliorie.
Comunque ti ricordo che in caso di pioggia o tempo nuvoloso, il tutto si blocca o addirittura il sistema cerca punti luminosi non congruenti.
Altro punto dolente è quello del riposizionamento quando al mattino il sistema si trova puntato a occidente.
Ho provato a mettere in parallelo un'altra fotoresistenza montata ortogonalmente, in modo da ampliare il campo di ricezione; anche qui nessun risultato valido.
Da qui la scelta di installare un sistema che eviti tarature e sia ogni giorno sempre in posizione a prescindere dalle condizioni atmosferiche.
Grazie comunque per l'info.
Diciamo che avevo già montato le 4 fotoresistenze con un'aletta a croce e mi funzionava "abbastanza" bene.
Il problema è sorto quando ho dovuto installare una protezione per la pioggia e questa protezione creava riflessioni strane.
Proprio per creare l'ombra, ho provato a divergere tra loro tutti e 4 i tubi di protezione, senza grosse migliorie.
Comunque ti ricordo che in caso di pioggia o tempo nuvoloso, il tutto si blocca o addirittura il sistema cerca punti luminosi non congruenti.
Altro punto dolente è quello del riposizionamento quando al mattino il sistema si trova puntato a occidente.
Ho provato a mettere in parallelo un'altra fotoresistenza montata ortogonalmente, in modo da ampliare il campo di ricezione; anche qui nessun risultato valido.
Da qui la scelta di installare un sistema che eviti tarature e sia ogni giorno sempre in posizione a prescindere dalle condizioni atmosferiche.
Grazie comunque per l'info.
-

neverbefore
20 1 2 - Messaggi: 8
- Iscritto il: 18 apr 2024, 17:10
20 messaggi
• Pagina 1 di 2 • 1, 2
Chi c’è in linea
Visitano il forum: Nessuno e 259 ospiti

Elettrotecnica e non solo (admin)
Un gatto tra gli elettroni (IsidoroKZ)
Esperienza e simulazioni (g.schgor)
Moleskine di un idraulico (RenzoDF)
Il Blog di ElectroYou (webmaster)
Idee microcontrollate (TardoFreak)
PICcoli grandi PICMicro (Paolino)
Il blog elettrico di carloc (carloc)
DirtEYblooog (dirtydeeds)
Di tutto... un po' (jordan20)
AK47 (lillo)
Esperienze elettroniche (marco438)
Telecomunicazioni musicali (clavicordo)
Automazione ed Elettronica (gustavo)
Direttive per la sicurezza (ErnestoCappelletti)
EYnfo dall'Alaska (mir)
Apriamo il quadro! (attilio)
H7-25 (asdf)
Passione Elettrica (massimob)
Elettroni a spasso (guidob)
Bloguerra (guerra)






