ciao a tutti,stavo cercando di realizzare un semplice circuito (senza MCU/Arduino ecc...) ma a sole porte logiche, praticamente ho 5 pulsanti e 5 rele' se pigio il pulsante 1 si eccita il rele' 1 e rimane attivo anche se lascio il pulsante , se preme il pulsante 2 o 4 o 5 si disattiva il rele' 1 e si attiva il rele' 2 o 4 o 5 e cosi' via con tutti i pulsanti, pensavo fosse una cosa semplice..... ho iniziato con questo circuito, pero' mi sono arenato subito.
qualcuno gentilmente puo' darmi qualche idea?
grazie
A.
5 pulsanti 5 relè
Moderatori:
carloc,
g.schgor,
BrunoValente,
IsidoroKZ
24 messaggi
• Pagina 1 di 3 • 1, 2, 3
0
voti
Se puoi premere solo un pulsante alla volta non dovrebbe essere difficile
Un flipflop per ogni relè Il pulsante che attiva il relè comanda il set del suo flipflop e il reset di tutti gli altri.
Se è possibile avere più tasti premuti bisogna mettere dela logica per creare un segnale di enable della tastiera che disabilita i tasti se vengono premuti più tasti in contemporanea.
....Ma è pensata al momento non ho analizzato se ci sono trappole nascoste
Certo ci sarebbe da valutare i tempi di on e di off dei relè se due comandi sono ravvicinati
Insomma per farlo affidabile e compatto meglio un micro
Un flipflop per ogni relè Il pulsante che attiva il relè comanda il set del suo flipflop e il reset di tutti gli altri.
Se è possibile avere più tasti premuti bisogna mettere dela logica per creare un segnale di enable della tastiera che disabilita i tasti se vengono premuti più tasti in contemporanea.
....Ma è pensata al momento non ho analizzato se ci sono trappole nascoste
Certo ci sarebbe da valutare i tempi di on e di off dei relè se due comandi sono ravvicinati
Insomma per farlo affidabile e compatto meglio un micro
-

luxinterior
4.311 3 4 9 - Master EY

- Messaggi: 2690
- Iscritto il: 6 gen 2016, 17:48
0
voti
luxinterior ha scritto:Se puoi premere solo un pulsante alla volta non dovrebbe essere difficile
Un flipflop per ogni relè Il pulsante che attiva il relè comanda il set del suo flipflop e il reset di tutti gli altri.
Se è possibile avere più tasti premuti bisogna mettere dela logica per creare un segnale di enable della tastiera che disabilita i tasti se vengono premuti più tasti in contemporanea.
....Ma è pensata al momento non ho analizzato se ci sono trappole nascoste
Certo ci sarebbe da valutare i tempi di on e di off dei relè se due comandi sono ravvicinati
Insomma per farlo affidabile e compatto meglio un micro
mi spiego meglio, sarebbe un commutare di antenna a rele' (anche 4 rele' andrebbe bene....) evito interruttori normali o rotativi meglio i rele'. quindi tempi di on/off sono lenti semplicemente 4 pulsanti e si attiva un rele' alla volta disattivando quello precedente!
forse questa ultima modifica potrebbe funzionare
-

Antonio2000
5 2 - Messaggi: 29
- Iscritto il: 3 set 2021, 11:17
0
voti
Quanti cavi devi portare su all'antenna?
Mi sembra 5.
Io ho un sistema che con 3 cavi, dalla base, puoi selezionare fino a 6 relay separatamente o contemporaneamente, senza integrati, perché potrebbero essere influenzati dalla RF. Se ti interessa ti posto lo schema.
Mi sembra 5.
Io ho un sistema che con 3 cavi, dalla base, puoi selezionare fino a 6 relay separatamente o contemporaneamente, senza integrati, perché potrebbero essere influenzati dalla RF. Se ti interessa ti posto lo schema.
Alex
https://www.facebook.com/Elettronicaeelettrotecnica
<< vedi di pigliare arditamente in mano, il dizionario che ti suona in bocca,
se non altro è schietto e paesano.
(Giuseppe Giusti) <<
https://www.facebook.com/Elettronicaeelettrotecnica
<< vedi di pigliare arditamente in mano, il dizionario che ti suona in bocca,
se non altro è schietto e paesano.
(Giuseppe Giusti) <<
0
voti
setteali ha scritto:Quanti cavi devi portare su all'antenna?
Mi sembra 5.
Io ho un sistema che con 3 cavi, dalla base, puoi selezionare fino a 6 relay separatamente o contemporaneamente, senza integrati, perché potrebbero essere influenzati dalla RF. Se ti interessa ti posto lo schema.
Ho una sola antenna e devo smistare su tre apparati più uno di riserva
Se hai uno schema postalo pure
Grazie
-

Antonio2000
5 2 - Messaggi: 29
- Iscritto il: 3 set 2021, 11:17
0
voti
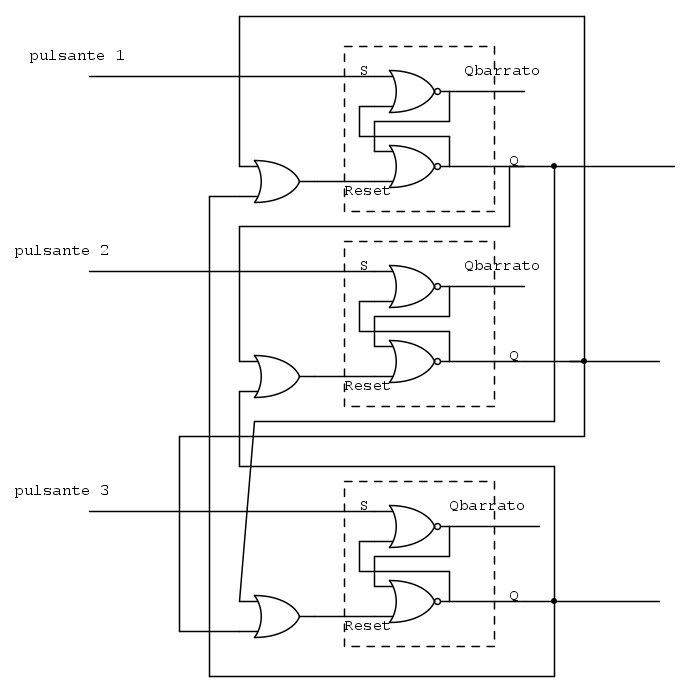
In linea di principio lo farei come sopra. Rimasne da capire se i contatti devono interrompersi prima di ricollegarsi o non è importante.
Nota che sono degli " OR" mentre il flipflop è fatto di " NOR".
Verificate se può funzionare.
"settando un flipflop, si resettano gli altri.
Si può espandere a 5 canali.

0
voti
MarcoD ha scritto:
In linea di principio lo farei come sopra. Rimasne da capire se i contatti devono interrompersi prima di ricollegarsi o non è importante.
Nota che sono degli " OR" mentre il flipflop è fatto di " NOR".
Verificate se può funzionare.
"settando un flipflop, si resettano gli altri.
Si può espandere a 5 canali.
Mi sembra ottimo lo proverò il prima possibile
Grazie
-

Antonio2000
5 2 - Messaggi: 29
- Iscritto il: 3 set 2021, 11:17
0
voti
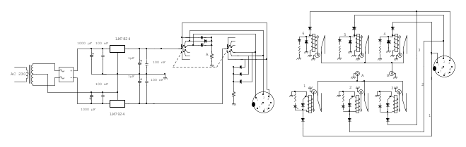
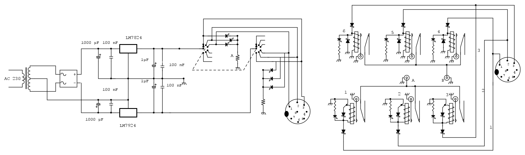
Questo è lo schema per un commutatore di antenne da palo.
Ma può commutare anche più apparecchi ad un'uscita od anche 2 uscite.
Non avendo circuiti integrati per il suo funzionamento, è difficile che la RF crei degli scherzi sulle commutazioni.
Io l'ho costruito in una scatola di acciaio inox da mettere sul palo/traliccio dove sono le antenne, ma se il tuo uso è di commutare più stazioni, lo devi mettere dove sono le stazioni.
L'importante è che venga utilizzato lo schermo del cavo o massa che funziona da comune per le due tensioni di comando.
Possono essere usati relay a 12 V o 24 V .
Il cavo di controllo è un semplice cavetto da 2x1mm2 più la terra.
Ma può commutare anche più apparecchi ad un'uscita od anche 2 uscite.
Non avendo circuiti integrati per il suo funzionamento, è difficile che la RF crei degli scherzi sulle commutazioni.
Io l'ho costruito in una scatola di acciaio inox da mettere sul palo/traliccio dove sono le antenne, ma se il tuo uso è di commutare più stazioni, lo devi mettere dove sono le stazioni.
L'importante è che venga utilizzato lo schermo del cavo o massa che funziona da comune per le due tensioni di comando.
Possono essere usati relay a 12 V o 24 V .
Il cavo di controllo è un semplice cavetto da 2x1mm2 più la terra.
Alex
https://www.facebook.com/Elettronicaeelettrotecnica
<< vedi di pigliare arditamente in mano, il dizionario che ti suona in bocca,
se non altro è schietto e paesano.
(Giuseppe Giusti) <<
https://www.facebook.com/Elettronicaeelettrotecnica
<< vedi di pigliare arditamente in mano, il dizionario che ti suona in bocca,
se non altro è schietto e paesano.
(Giuseppe Giusti) <<
0
voti
Seguo l'argomento con interesse
Mi sfugge però l'applicazione pratica di
puoi dare qualche dettaglio?
Grazie
Mi sfugge però l'applicazione pratica di
Antonio2000 ha scritto:Ho una sola antenna e devo smistare su tre apparati più uno di riserva
puoi dare qualche dettaglio?
Grazie
in /dev/null no one can hear you scream
0
voti
angus ha scritto:Seguo l'argomento con interesse![]()
Mi sfugge però l'applicazione pratica diAntonio2000 ha scritto:Ho una sola antenna e devo smistare su tre apparati più uno di riserva
puoi dare qualche dettaglio?
Grazie
ciao, che dettagli vuoi sapere? non saprei cosa dire altro.... hai una domanda in specifico?
-

Antonio2000
5 2 - Messaggi: 29
- Iscritto il: 3 set 2021, 11:17
24 messaggi
• Pagina 1 di 3 • 1, 2, 3
Chi c’è in linea
Visitano il forum: Nessuno e 201 ospiti

Elettrotecnica e non solo (admin)
Un gatto tra gli elettroni (IsidoroKZ)
Esperienza e simulazioni (g.schgor)
Moleskine di un idraulico (RenzoDF)
Il Blog di ElectroYou (webmaster)
Idee microcontrollate (TardoFreak)
PICcoli grandi PICMicro (Paolino)
Il blog elettrico di carloc (carloc)
DirtEYblooog (dirtydeeds)
Di tutto... un po' (jordan20)
AK47 (lillo)
Esperienze elettroniche (marco438)
Telecomunicazioni musicali (clavicordo)
Automazione ed Elettronica (gustavo)
Direttive per la sicurezza (ErnestoCappelletti)
EYnfo dall'Alaska (mir)
Apriamo il quadro! (attilio)
H7-25 (asdf)
Passione Elettrica (massimob)
Elettroni a spasso (guidob)
Bloguerra (guerra)





