Salve, mi sono accorto che un vecchio alimentatore lineare che ho costruito molti e molti anni fa non funziona quasi più per il deterioramento di diversi componenti e ho pensato di aggiornarlo cercando di utilizzare il più possibile materiale di recupero, compreso il contenitore che ho intenzione di ristrutturare anche per non perdere completamente il ricordo dei vari esperimenti che per me quel contenitore rappresenta. Infatti prima di alloggiare l’alimentatore che ora è da ristrutturare, la scatola ha ospitato diversi dispositivi tant’è che è notevolmente sforacchiata, ma alle forature superflue si può in parte rimediare.
Metto giù più schematicamente possibile:
Il vecchio alimentatore era un lineare regolabile da 0-40V, 10A, commutabili anche in AC manualmente per ridurre la dissipazione.
Adesso ho ritrovato un’unità di potenza switching a tensione fissa di circa 60V, corrente 25A e potenza 1500W che credevo persa e pubblico di seguito.
A questa unità di potenza vorrei abbinare ad un regolatore, sempre switcing, di cui ho velocemente accennato in un altro topik di un altro PSU, che è in grado di regolare tensione da 0-50V e corrente da 0-20A. questo
Il lavoro è già abbastanza avanti anche se procede a rilento per il poco tempo ma comunque è già impostato quasi completamente ma in modo provvisorio perché una volta terminato il lavoro di foratura, montaggio provvisorio e test, il progetto verrà completamente smontato per la verniciatura del contenitore e il successivo riassemblaggio definitivo.
Il circuito è stato provato in modo volate senza contenitore e ha funzionato regolarmente ma dal momento che nel contenitore avanza spazio, vorrei realizzare una fornitura di alimentazione doppia ma sono in dubbio circa la fattibilità tecnica della doppia fornitura attingendo da un’unica sorgente di potenza.
In pratica, si tratterebbe di collegare l’ingresso di due regolatori in parallelo alla stessa unità di potenza ma il parallelo sarà fattibile o andrà tutto arrosto? Non mi riferisco al prelievo di potenza perché so che entrambi non potranno erogare simultaneamente gli Ampere che possono erogare singolarmente e non è un problema, ma non ho certezza se sia possibile collegarli fisicamente in parallelo all’unità di potenza o se invece ci sia da fare qualche lavoro di disaccoppiamento.
Chiedo gentilmente aiuto agli amici del forum sulla fattibilità dell’intervento tra dispositivi totalmente switching perché in passato ricordo di avere fatto un collegamento simile ma tra schede lineari, parallelate su due batterie da 12V in serie per ottenere i 24 V. senza incontrare problemi. Qui però siamo allacciati alla rete e non vorrei che unitamente alla messa a terra sorgessero problemi che con le batterie sono esclusi.
Non ho ancora forato il frontale per precauzione, in attesa di un parere sulla problematica segnalata e a breve produrrò anche qualche immagine anche se di una situazione provvisoria.
Grazie.
Ringiovanire un alimentatore
Moderatori:
carloc,
g.schgor,
BrunoValente,
IsidoroKZ
0
voti
Ciao Stefanopc, grazie, non saprei se i DC/DC siano isolati, non so se si capisce dalla PCB dei dispositivi. Quello che vedo io dal vero si vede anche dalle immagini rilevabili dal link che ho pubblicato. La mia opinione è che non siano isolati perché non vedo trasformatori però non so se si possano isolare in altro modo.
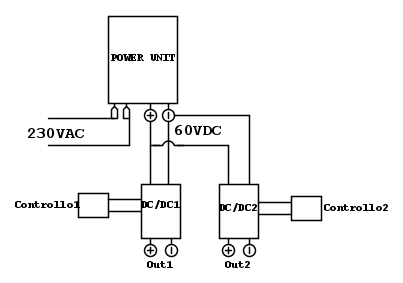
Per lo schema vedo se riesco a far qualcosa con FidoCad. Comunque i collegamenti sono semplici. Gli ingressi dei due DC/DC sono collegati in parallelo all'uscita a 60VDC dell'unità di potenza. Le uscite dei DC/DC dovrebbero andare alle boccole di uscita per avere due alimentatori. Quando mi riferisco ai DC/DC intendo le due PCB dei regolatori più due frontalini di comando.
Per lo schema vedo se riesco a far qualcosa con FidoCad. Comunque i collegamenti sono semplici. Gli ingressi dei due DC/DC sono collegati in parallelo all'uscita a 60VDC dell'unità di potenza. Le uscite dei DC/DC dovrebbero andare alle boccole di uscita per avere due alimentatori. Quando mi riferisco ai DC/DC intendo le due PCB dei regolatori più due frontalini di comando.
0
voti
Ecco stefanopc, io lo schema a blocchi lo immagino così:
Non so se intendivi un esempio di questo tipo.
Non so se intendivi un esempio di questo tipo.
1
voti
A questo punto farei una misura col tester tra ingresso e uscita dei due dc/dc.
È probabile che abbiano o il negativo o raramente il positivo comune tra uscita e ingresso.
In questo caso non potresti utilizzare l'alimentatore come duale ma potresti solo alimentare due circuiti separati a tensioni diverse.
Se non ti occorre mai una alimentazione duale potrebbe andare bene.
Ciao
È probabile che abbiano o il negativo o raramente il positivo comune tra uscita e ingresso.
In questo caso non potresti utilizzare l'alimentatore come duale ma potresti solo alimentare due circuiti separati a tensioni diverse.
Se non ti occorre mai una alimentazione duale potrebbe andare bene.
Ciao
600 Elettra
0
voti
Va bene, se non ho capito male si tratta di fare una semplice prova in Ohm. Dopo pranzo la faccio e ci aggiorniamo. In realtà mi accontenterei di avere due alimentatori in uno anche se la soluzione non può essere considerata formalmente duale ma va bene ugualmente. Quando è risaputo e l'apparecchiatura la utilizza sempre la stessa persona non è un grosso problema. Il mio timore era che collegando in parallelo gli ingressi dei due DC/DC potesse capitare qualche incidente all'elettronica del Power Unit o ai regolatori stessi.
0
voti
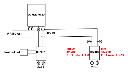
Ho fatto le prove ma sono perplesso. Sembra non esserci una conduzione netta in Ohm e i valori sono fittizi perché non sono stabili ma sono decrescenti, come se si misurasse la debole carica di un condensatore ma non è neanche così perché cortocircuitando i poli non si azzera niente né in Ohm né in volt. L’unico valore costante è quello ricavato dal Prova Diodi.
Ho il sospetto che i valori rilevati in Ohm e in volt possano essere in realtà deboli tensioni captate dalla bobina del DC/DC.
Guardando il rame inferiore della PCB sembrerebbe che visivamente non ci sia continuità tra IN e OUT.
Ho il sospetto che i valori rilevati in Ohm e in volt possano essere in realtà deboli tensioni captate dalla bobina del DC/DC.
Guardando il rame inferiore della PCB sembrerebbe che visivamente non ci sia continuità tra IN e OUT.
0
voti
Sembrerebbe che la massa sia comune tra ingresso e uscita.
I condensatori di uscita e quelli di ingresso sono tutti connessi alla stessa "pista".
Quindi li puoi collegare senza problemi ad un unica fonte in ingresso come nel tuo schema.
Puoi provare a regolarli entrambi a 12V 1A.
Visto la misura non convincente col tester puoi provare con la cara e fidata lampadina.
Verifichi che entrambi siano funzionali con una lampada da 1W.
Poi connetti la lampada tra il positivo del primo e il negativo del secondo.
È viceversa.
Probabilmen
Se si accende comunque siamo nel caso ingresso non isolato da uscita.
In uscita puoi alimentare due carichi diversi ma di due circuiti separati.
Ciao
I condensatori di uscita e quelli di ingresso sono tutti connessi alla stessa "pista".
Quindi li puoi collegare senza problemi ad un unica fonte in ingresso come nel tuo schema.
Puoi provare a regolarli entrambi a 12V 1A.
Visto la misura non convincente col tester puoi provare con la cara e fidata lampadina.
Verifichi che entrambi siano funzionali con una lampada da 1W.
Poi connetti la lampada tra il positivo del primo e il negativo del secondo.
È viceversa.
Probabilmen
Se si accende comunque siamo nel caso ingresso non isolato da uscita.
In uscita puoi alimentare due carichi diversi ma di due circuiti separati.
Ciao
600 Elettra
1
voti
Se intendi il secondo dall'alto sulla sinistra, noterai che usa un trasformatore, lato 230VAC, molto probabilmente (anzi quasi sicuramente) con due secondari separati e galvanicamente isolati, per cui non ha ne giri di masse ne ritorni "inopportuni" (come se fossero due trasformatori fisicamente separati)
Nelle foto di aliexpress si vede inoltre che la resistenza sensore di corrente di quei moduli (quelle tre sbarrette che sembrano cavallotti) sono sul negativo, quindi, tecnicamente, non sarebbero proprio "in comune" il negativo di ingresso e quello di uscita.
Nelle foto di aliexpress si vede inoltre che la resistenza sensore di corrente di quei moduli (quelle tre sbarrette che sembrano cavallotti) sono sul negativo, quindi, tecnicamente, non sarebbero proprio "in comune" il negativo di ingresso e quello di uscita.
"Sopravvivere" e' attualmente l'unico lusso che la maggior parte dei Cittadini italiani,
sia pure a costo di enormi sacrifici, riesce ancora a permettersi.
sia pure a costo di enormi sacrifici, riesce ancora a permettersi.
-

Etemenanki
9.517 3 6 10 - Master

- Messaggi: 5940
- Iscritto il: 2 apr 2021, 23:42
- Località: Dalle parti di un grande lago ... :)
Chi c’è in linea
Visitano il forum: Nessuno e 170 ospiti

Elettrotecnica e non solo (admin)
Un gatto tra gli elettroni (IsidoroKZ)
Esperienza e simulazioni (g.schgor)
Moleskine di un idraulico (RenzoDF)
Il Blog di ElectroYou (webmaster)
Idee microcontrollate (TardoFreak)
PICcoli grandi PICMicro (Paolino)
Il blog elettrico di carloc (carloc)
DirtEYblooog (dirtydeeds)
Di tutto... un po' (jordan20)
AK47 (lillo)
Esperienze elettroniche (marco438)
Telecomunicazioni musicali (clavicordo)
Automazione ed Elettronica (gustavo)
Direttive per la sicurezza (ErnestoCappelletti)
EYnfo dall'Alaska (mir)
Apriamo il quadro! (attilio)
H7-25 (asdf)
Passione Elettrica (massimob)
Elettroni a spasso (guidob)
Bloguerra (guerra)




