Centralina CDI che non dà scintilla candela
Moderatore:
Franco012
30 messaggi
• Pagina 2 di 3 • 1, 2, 3
0
voti
lelerelele ha scritto:credo proprio che la centralina non faccia altro che replicare le vecchie puntine!
Certo, non fa altro che generare un impulso nel primario della bobina, che poi si moltiplica nel secondario per semplice induzione.
-

NoNickName
311 1 2 4 - Stabilizzato

- Messaggi: 333
- Iscritto il: 10 nov 2021, 14:54
0
voti
pino81 ha scritto:certo che ha la batteria, è un 640 4T
se ha la batteria, la centralina chiude il circuito sulla bobina esterna per un breve perido di tempo, poi aprendo generera una forte tensione sul primario, (diciamo qualche centinaio di volt), ed uno ancora maggiore sul secondario.
-

lelerelele
4.899 3 7 9 - Master

- Messaggi: 5505
- Iscritto il: 8 giu 2011, 8:57
- Località: Reggio Emilia
0
voti
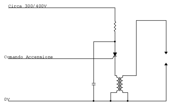
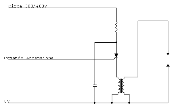
Attenzione che OP sostiene che è "CDI" a scarica capacitiva e non induttiva ! oltre che sembra un bicilindrico perciò tutto per due
La prima cosa da identificare direi sono il comando di accensione (che sicuramente è disgiunto dal segnale del volano) e l'alimentazione della bobina. Ma senza oscilloscopio non so che misure si possono fare
Se è un sistema integrato possono non esserci alcuni fili, ma senza uno schema è difficile fare debug
Lascio uno schema di esempio, ci sono anche altre configurazioni ma tutti si basano sulla scarica di un condensatore nel primario tramite SCR

La prima cosa da identificare direi sono il comando di accensione (che sicuramente è disgiunto dal segnale del volano) e l'alimentazione della bobina. Ma senza oscilloscopio non so che misure si possono fare
Se è un sistema integrato possono non esserci alcuni fili, ma senza uno schema è difficile fare debug
Lascio uno schema di esempio, ci sono anche altre configurazioni ma tutti si basano sulla scarica di un condensatore nel primario tramite SCR

0
voti
ThEnGi ha scritto:Attenzione che OP sostiene che è "CDI" a scarica capacitiva e non induttiva ! oltre che sembra un bicilindrico perciò tutto per due
Ok, comunque il concetto è lo stesso.
Direi che si fa prima a fare un giro di telefonate dai demolitori o una ricerca su ebay per un ricambio usato.
-

NoNickName
311 1 2 4 - Stabilizzato

- Messaggi: 333
- Iscritto il: 10 nov 2021, 14:54
0
voti
ThEnGi ha scritto:Attenzione che OP sostiene che è "CDI" a scarica capacitiva e non induttiva !
Non sapevo che esistessero circuti del genere per pilotare le bobine accensione.
(Io l'ho progettato per un recinto elettrificato, senza sapere che esistessero).
Però in questo caso non saprei che utilità possa avere, suporrei un vantaggio e qualche problema in più.
saluti.
-

lelerelele
4.899 3 7 9 - Master

- Messaggi: 5505
- Iscritto il: 8 giu 2011, 8:57
- Località: Reggio Emilia
0
voti
buona sera ,rieccoci,sono riuscito a trovare lo schema di cablaggio, e "pare" che questa centralina sia alimentata in alternata da 2 dei 3 poli del generatore-volano,quindi in alternata? mah...!
oltretutto i colori non corrispondono dato che in questa sono presenti anche il giallo che dovrebbe essere segnato "y" e marrone "br" ma non sono presenti...
oltretutto i colori non corrispondono dato che in questa sono presenti anche il giallo che dovrebbe essere segnato "y" e marrone "br" ma non sono presenti...
0
voti
correggo il post precedente perché i colori non corrispondevano assolutamente,quindi ho dovuto cercarne un altro,evidentemente per far fondere il cervello alla gente i mezzi c'e li mettono tutti..
posto un nuovo schema da uno screenshot di pdf che sarebbe di circa 6 Mb se servono altre parti dell' schema le posso postare...
posto un nuovo schema da uno screenshot di pdf che sarebbe di circa 6 Mb se servono altre parti dell' schema le posso postare...
0
voti
senza il file dalle foto si vede poco
Oscilloscopio alla mano, filo blu bianco devi vedere il comando di potenza della bobina.
La centralina riceve correttamente i 12V ? (il filo non si legge
)
Il pickup genera correttamente il segnale di sincronismo ?
Senza difficilmente si procede.... Si potrebbe ipotizare circuitino per spillare il segnale e visualizarlo su un led ?
O eventualmente smontare una bobina e pilotarla
perché se la bobina funziona e andata la centralina se non funziona è lei. molto empirica come cosa.... ma potrebbe funzionare
Domanda stupida: Il sensore del cavalletto funziona correttamente ?
Non so la KTM, ma su una moto di un amico quando estrai il cavalletto il motore si spenge e se non lo tiri su non lo accendi
La tecnica CDI si usa perché meno ingombrante della IDI (scarica induttiva) e permette di utilizare componentistica più piccola (e al silicio). è più semplice scaricare un condensatore tramite SCR che non interrompere una corrente tramite Mosfet/BJT.

Oscilloscopio alla mano, filo blu bianco devi vedere il comando di potenza della bobina.
La centralina riceve correttamente i 12V ? (il filo non si legge
Il pickup genera correttamente il segnale di sincronismo ?
Senza difficilmente si procede.... Si potrebbe ipotizare circuitino per spillare il segnale e visualizarlo su un led ?
O eventualmente smontare una bobina e pilotarla
Domanda stupida: Il sensore del cavalletto funziona correttamente ?
Non so la KTM, ma su una moto di un amico quando estrai il cavalletto il motore si spenge e se non lo tiri su non lo accendi
La tecnica CDI si usa perché meno ingombrante della IDI (scarica induttiva) e permette di utilizare componentistica più piccola (e al silicio). è più semplice scaricare un condensatore tramite SCR che non interrompere una corrente tramite Mosfet/BJT.

0
voti
Di solito in sistemi di accensione simili in centralina entra:positivo.negativo,segnale del impulsore ed esce poi un cavo che va alla bobina ed il cavo per lo spegnimento.
Bisogna cominciare a verificare che in centralina arrivino positivo e negativo,che non ci sia il tasto di spegnimento incastrato oppure il suo filo a massa.
Il positivo è sotto chiave,dell impulsore bisogna controllare la sua resistenza interna che di solito è qualche centinaio di ohm ed ovviamente il suo cavo ed il suo cablaggio.
In oltre nella tua moto sicuramente si trovano il micro interruttore del cavalletto,della folle e forse (non sono sicuro)quello della frizione,quelli vanno verificati perché se rimangono aperti la scintilla non la fa.Controlla anche che non ci sia un sensore anti caduta.
Di più non riesco a dirti dalla foto dello schema si capisce poco.
Bisogna cominciare a verificare che in centralina arrivino positivo e negativo,che non ci sia il tasto di spegnimento incastrato oppure il suo filo a massa.
Il positivo è sotto chiave,dell impulsore bisogna controllare la sua resistenza interna che di solito è qualche centinaio di ohm ed ovviamente il suo cavo ed il suo cablaggio.
In oltre nella tua moto sicuramente si trovano il micro interruttore del cavalletto,della folle e forse (non sono sicuro)quello della frizione,quelli vanno verificati perché se rimangono aperti la scintilla non la fa.Controlla anche che non ci sia un sensore anti caduta.
Di più non riesco a dirti dalla foto dello schema si capisce poco.
30 messaggi
• Pagina 2 di 3 • 1, 2, 3
Torna a Autovetture, motori endotermici ed elettronica relativa
Chi c’è in linea
Visitano il forum: Nessuno e 19 ospiti

Elettrotecnica e non solo (admin)
Un gatto tra gli elettroni (IsidoroKZ)
Esperienza e simulazioni (g.schgor)
Moleskine di un idraulico (RenzoDF)
Il Blog di ElectroYou (webmaster)
Idee microcontrollate (TardoFreak)
PICcoli grandi PICMicro (Paolino)
Il blog elettrico di carloc (carloc)
DirtEYblooog (dirtydeeds)
Di tutto... un po' (jordan20)
AK47 (lillo)
Esperienze elettroniche (marco438)
Telecomunicazioni musicali (clavicordo)
Automazione ed Elettronica (gustavo)
Direttive per la sicurezza (ErnestoCappelletti)
EYnfo dall'Alaska (mir)
Apriamo il quadro! (attilio)
H7-25 (asdf)
Passione Elettrica (massimob)
Elettroni a spasso (guidob)
Bloguerra (guerra)




