FT28 ha scritto:il disegno è il suo, sicuramente non sarai abituato a questa notazione per il trasformatore ma io si.
Veramente esistono delle regole dettate dalla IEEE per il disegno degli schemi elettrici e per i nomi da attribuire ai componenti del circuito, quindi non è tanto a cosa sia abituato io, quanto al rispetto delle convenzioni tecniche, introdotte per evitare ambiguità ed errori futili.
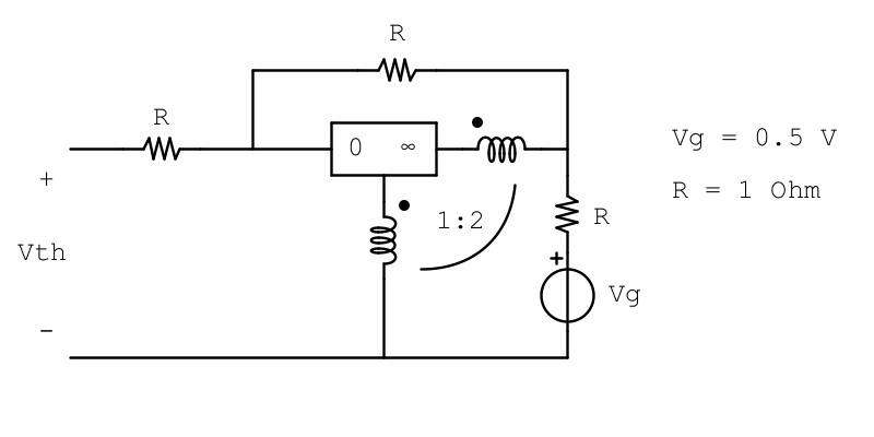
FT28 ha scritto:Per Vg = Ig/2, c'era una parte precedente che non ho riportato nella quale ha semplificato Ig e R/2 in questo modo. Se non vuoi Ig considera semplicemente Vg = 1/2 tanto in questa parte il valore di Ig non serve.
Casomai dovrei considerare Vg= 500 mV. 1/2 non vuol dire niente. Manca l'unità di misura e i numeri non si indicano mai usando le frazioni.
Se però considerassi Vg=500 mV questo valore diventerebbe parte della soluzione finale, per cui perderesti il riferimento a Vg.
Dato che non sono indicati i valori degli altri componenti non è consigliabile lasciare qualche valore indicato e qualche altro no. Non faresti altro che aumentare l'entropia della soluzione.
FT28 ha scritto:P.s. non sto imponendo tensioni e correnti a Piacere, i due circuiti sono due esercizi diversi. Si applica thevenin generalizzato e quel circuito sarebbe una metà di un simmetrico
Ma io sto considerando solo il primo circuito. Tu hai detto che avresti voluto annullare la tensione sul trasformatore e questo non è possibile farlo arbitrariamente, da cui la mia risposta.
PS: quello è un trasformatore ideale?

Elettrotecnica e non solo (admin)
Un gatto tra gli elettroni (IsidoroKZ)
Esperienza e simulazioni (g.schgor)
Moleskine di un idraulico (RenzoDF)
Il Blog di ElectroYou (webmaster)
Idee microcontrollate (TardoFreak)
PICcoli grandi PICMicro (Paolino)
Il blog elettrico di carloc (carloc)
DirtEYblooog (dirtydeeds)
Di tutto... un po' (jordan20)
AK47 (lillo)
Esperienze elettroniche (marco438)
Telecomunicazioni musicali (clavicordo)
Automazione ed Elettronica (gustavo)
Direttive per la sicurezza (ErnestoCappelletti)
EYnfo dall'Alaska (mir)
Apriamo il quadro! (attilio)
H7-25 (asdf)
Passione Elettrica (massimob)
Elettroni a spasso (guidob)
Bloguerra (guerra)
pigreco]=π



