Salve, premetto che questo non è un thread per la costruzione di un alimentatore ma di un duplicatore e devo dare qualche spiegazione per evitare fraintendimenti, però intanto mi porto avanti.
Quando avrò terminato il secondo alimentatore dovrei costruirne un terzo abbinando ad un regolatore Buck (che ha un input massimo di 70V DC.) un’unità di potenza composta da un trasformatore, ponte e condensatori.
Possiedo un trasformatore che in base ai calcoli ricavati da un articolo di IsidoroKZ dovrebbe essere di circa 600VA, salvo miei errori di valutazione, ma la potenza del trasformatore al momento non è un problema e vengo ai problemi riguardanti il thread.
Il primo problema è che il trasformatore ha un’uscita a 24 V AC e per raggiungere una tensione vicina al massimo del regolatore Buck ho pensato di utilizzare un duplicatore.
Il secondo problema è che vorrei utilizzare un ponte di Graetz monolitico mettendo in parallelo gli ingressi in AC del Ponte Monolitico. Questo perché diventa comodo il fissaggio e la dissipazione, rispetto ai diodi singoli.
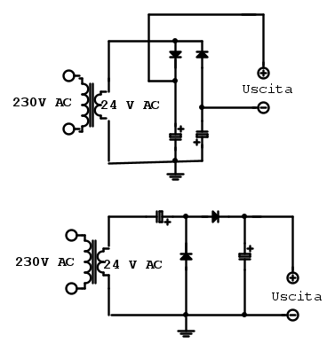
Lasciando perdere i valori, lo schema di concetto sarebbe il seguente:
Ci sono controindicazioni che mi sfuggono?
Grazie.
Duplicatore con Ponte di Graetz
Moderatori:
carloc,
g.schgor,
BrunoValente,
IsidoroKZ
14 messaggi
• Pagina 1 di 2 • 1, 2
2
voti
Il "duplicatore" in questo caso non è altro che un alimentatore duale a mezz'onda, che fornisce alternativamente una o l'altra polarità. Funziona ma occorre valutare bene gli assorbimenti richiesti dal carico, tenendo a mente che a parità di corrente erogata i condensatori di livellamento devono essere di valore doppio rispetto al caso di alimentatore a onda intera (e di conseguenza il raddrizzatore deve essere in grado di reggerne la corrente di spunto e di ricarica, che è la stessa nei due casi, a mezz'onda e a onda intera).
1
voti
Di quanti ampere hai bisogno ? a valle che convertitore c'è ?
Come puntualizzato da
Piercarlo a parità di Ripple la richiesta di capacità è doppia. rischi che diventi importante come dimensioni vanificando in parte il vantaggio del Buck (HF = minor capacità)
Potresti valutare di non usufruire di tutta l'escursione e accettare un Ripple superiore da poi far gestire al convertitore

Come puntualizzato da
Potresti valutare di non usufruire di tutta l'escursione e accettare un Ripple superiore da poi far gestire al convertitore

1
voti
Potresti adottare uno dei due schemi di duplicazione di tensione. La tensione che sarà presente sull’uscita di questi due duplicatori si può calcolare usando la formula: VCC = VAC X 1,41 X 2
VCC è la tensione continua in uscita
VCA è la tensione alternata sull’ingresso.
VCC è la tensione continua in uscita
VCA è la tensione alternata sull’ingresso.
-

StefanoSunda
2.880 3 6 10 - Master

- Messaggi: 1963
- Iscritto il: 16 set 2010, 19:29
0
voti
Ringrazio per i consigli ma mi dispiace per essermi spiegato poco e male.
Conosco le regole e i parametri da valutare per affrontare i pro e contro per l’utilizzo di un duplicatore ma il dubbio che mi è sorto è sull’utilizzo di un Ponte di Graetz monolitico per comodità di fissaggio e dissipazione al posto di due grossi diodi. Cortocircuitando gli ingressi AC del Ponte metto in parallelo i rami diodo che contiene e pur comprendendo che il parallelo dei diodi non sia una pratica usuale chiedo: cosa potrebbe succedere? Che qualche ramo scaldi più dell’altro o forse no, perché i diodi integrati sono identici?
Per rispondere alla domanda sulla corrente da impegnare devo dire che di preciso non lo so ancora. Non ho ancora verificato tutti i materiali che dispongo ma ad occhio posso dire che la corrente massima potrebbe raggiungere 8 o 20 Ampere (più facile 8 che 20) ma dipenderà da quale trasformatore potrò utilizzare. La scelta e le prestazioni del regolatore Buck saranno condizionate dalle caratteristiche del trasformatore.
Conosco le regole e i parametri da valutare per affrontare i pro e contro per l’utilizzo di un duplicatore ma il dubbio che mi è sorto è sull’utilizzo di un Ponte di Graetz monolitico per comodità di fissaggio e dissipazione al posto di due grossi diodi. Cortocircuitando gli ingressi AC del Ponte metto in parallelo i rami diodo che contiene e pur comprendendo che il parallelo dei diodi non sia una pratica usuale chiedo: cosa potrebbe succedere? Che qualche ramo scaldi più dell’altro o forse no, perché i diodi integrati sono identici?
Per rispondere alla domanda sulla corrente da impegnare devo dire che di preciso non lo so ancora. Non ho ancora verificato tutti i materiali che dispongo ma ad occhio posso dire che la corrente massima potrebbe raggiungere 8 o 20 Ampere (più facile 8 che 20) ma dipenderà da quale trasformatore potrò utilizzare. La scelta e le prestazioni del regolatore Buck saranno condizionate dalle caratteristiche del trasformatore.
1
voti
Credo che i diodi non vadano mai fatti lavorare in parallelo
O ci metti in serie una piccola resistenza, ad ognuno
O passi ad una taglia maggiore
O ci metti in serie una piccola resistenza, ad ognuno
O passi ad una taglia maggiore
-

standardoil
547 2 4 - Stabilizzato

- Messaggi: 424
- Iscritto il: 15 lug 2022, 19:14
1
voti
jumpi ha scritto:ma il dubbio che mi è sorto è sull’utilizzo di un Ponte di Graetz monolitico per comodità di fissaggio e dissipazione al posto di due grossi diodi
Ho usato una configurazione del genere, in un finale audio autocostruito, non ho mai avuto problemi, (ma l'applicazione è molto diversa).
Ti chedevo però una cosa, per quale motivo vai a crearti una tensione duale, in questo modo, per poi andare ad usare una buck?
Se partissi direttamente da un buck-boost avresti sia le tensioni che ti pare, sia le correnti relative, per quale motivo non anderebbe bene questa soluzione?
-

lelerelele
4.899 3 7 9 - Master

- Messaggi: 5505
- Iscritto il: 8 giu 2011, 8:57
- Località: Reggio Emilia
0
voti
Ho fatto una ricerca tra i trasformatori per vedere se trovavo un esemplare più adatto e soprattutto meno pesante e ho trovato un 400VA a 20V ma è sempre una bella bestia.
Devo per forza fare un duplicatore perché 20V CA sono pochi. Però anche la duplicazione di 20V CA mi crea un piccolo problema perché la tensione duplicata supera la massima d’ingresso di targa del Buck.
20V duplicati danno 56,4V DC mentre la tensione massima di targa all’ingresso del Buck è 55V DC. Non è fuori di molto ma non so quanto siano permalosi quei DC/DC.
Il DC/DC è il seguente:
@standardoil:
Vorrei utilizzare un ponte monolitico non diodi separati.
Devo per forza fare un duplicatore perché 20V CA sono pochi. Però anche la duplicazione di 20V CA mi crea un piccolo problema perché la tensione duplicata supera la massima d’ingresso di targa del Buck.
20V duplicati danno 56,4V DC mentre la tensione massima di targa all’ingresso del Buck è 55V DC. Non è fuori di molto ma non so quanto siano permalosi quei DC/DC.
Il DC/DC è il seguente:
@standardoil:
Vorrei utilizzare un ponte monolitico non diodi separati.
0
voti
Il ponte monolitico è comunque composto da diodi
Lascia stare strani moltiplicatori, sono cose che si usavano nella preistoria
Prendi il trasformatore giusto per il regolatore
E tieni conto dei margini di sicurezza, la tensione di rete può variare anche del 10 % in più (e magari anche oltre)
E i volt, watt e Ampere made in PCR sono più ottimistici di quelli made in BRD
Lascia stare strani moltiplicatori, sono cose che si usavano nella preistoria
Prendi il trasformatore giusto per il regolatore
E tieni conto dei margini di sicurezza, la tensione di rete può variare anche del 10 % in più (e magari anche oltre)
E i volt, watt e Ampere made in PCR sono più ottimistici di quelli made in BRD
-

standardoil
547 2 4 - Stabilizzato

- Messaggi: 424
- Iscritto il: 15 lug 2022, 19:14
0
voti
Forse hai ragione ma sto cercando di ottenere il meglio non in assoluto ma con quello che ho. Poi in tutte le cose dipende da cosa ci devi fare e quanto lo dovrai utilizzare.
14 messaggi
• Pagina 1 di 2 • 1, 2
Chi c’è in linea
Visitano il forum: Nessuno e 343 ospiti

Elettrotecnica e non solo (admin)
Un gatto tra gli elettroni (IsidoroKZ)
Esperienza e simulazioni (g.schgor)
Moleskine di un idraulico (RenzoDF)
Il Blog di ElectroYou (webmaster)
Idee microcontrollate (TardoFreak)
PICcoli grandi PICMicro (Paolino)
Il blog elettrico di carloc (carloc)
DirtEYblooog (dirtydeeds)
Di tutto... un po' (jordan20)
AK47 (lillo)
Esperienze elettroniche (marco438)
Telecomunicazioni musicali (clavicordo)
Automazione ed Elettronica (gustavo)
Direttive per la sicurezza (ErnestoCappelletti)
EYnfo dall'Alaska (mir)
Apriamo il quadro! (attilio)
H7-25 (asdf)
Passione Elettrica (massimob)
Elettroni a spasso (guidob)
Bloguerra (guerra)






