Cos'è ElectroYou | Login Iscriviti

ElectroYou - la comunità dei professionisti del mondo elettrico

Pilotaggio Mosfet canale P con VCC elevata

Elettronica lineare e digitale: didattica ed applicazioni

Moderatori: Foto Utentecarloc, Foto Utenteg.schgor, Foto UtenteBrunoValente, Foto UtenteIsidoroKZ

0
voti

[11] Re: Pilotaggio Mosfet canale P con VCC elevata

Messaggioda Foto Utentegill90 » 18 giu 2024, 16:34

Se devi farlo funzionare in PWM e se il carico è una semplice resistenza (e se non ti schifa tenerla "appesa" ai 100V a segnale disabilitato) seguirei il consiglio di Foto UtenteThEnGi:


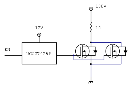
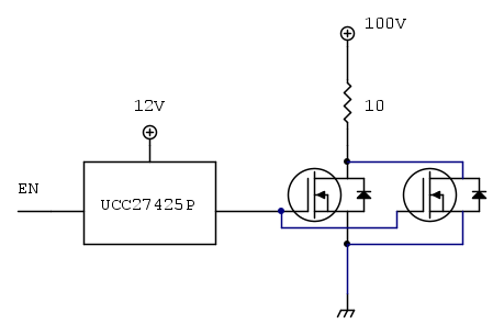
Come driver di pilotaggio puoi usare un qualunque driver low side (l'UCC27425 dovrebbe andare benone); ti servirà però un'ulteriore alimentazione a +12V per il driver.
Per i MOS puoi usare un qualunque MOSFET di potenza che tenga dai 150V in su e ovviamente almeno 10A di corrente (per precauzione dai 15A in su).
Tieni da conto che a seconda della sua R_{ds,ON} l'amico potrebbe iniziare a scaldare un po': in tal caso valuta di parallelizzare 2-3 MOS in parallelo della stessa serie e connessi allo stesso dissipatore.

AleEl ha scritto:inserire tra carico e mosfet un filtro LC per rendere il più continua possibile la tensione in uscita

Questo cambia le carte in tavola: cosa vuoi effettivamente realizzare?
Avatar utente
Foto Utentegill90
4.146 3 7 12
G.Master EY
G.Master EY
 
Messaggi: 1134
Iscritto il: 1 set 2011, 16:18

0
voti

[12] Re: Pilotaggio Mosfet canale P con VCC elevata

Messaggioda Foto UtenteAleEl » 18 giu 2024, 16:39

gill90 ha scritto:Tieni da conto che a seconda della sua R_{ds,ON} l'amico potrebbe iniziare a scaldare un po': in tal caso valuta di parallelizzare 2-3 MOS in parallelo della stessa serie e connessi allo stesso dissipatore.


Dici che vale la pena valutarne la parallelizzazione di più MOS?
Fin tanto che sono una decina di Watt, a me va anche bene
Non mi piacerebbe tuttavia che il positivo sia sempre connesso alla resistenza, essendo tra l'altro esterna

gill90 ha scritto:Questo cambia le carte in tavola: cosa vuoi effettivamente realizzare?


Inizialmente, un controllo in PWM a 5kHz con mosfet canale P in High-side per controllare una resistenza (uno scaldino, in sintesi)
Successivamente, avendo già la predisposizione in high-side con frequenza a 5kHz, delle sperimentazioni inserendo un filtro LC
Avatar utente
Foto UtenteAleEl
782 1 5 13
Sostenitore
Sostenitore
 
Messaggi: 818
Iscritto il: 9 ago 2016, 20:22

0
voti

[13] Re: Pilotaggio Mosfet canale P con VCC elevata

Messaggioda Foto UtenteAleEl » 18 giu 2024, 17:22

Usando un 1EDI60N12AF si riuscirebbe a pilotare il P MOS?
Avatar utente
Foto UtenteAleEl
782 1 5 13
Sostenitore
Sostenitore
 
Messaggi: 818
Iscritto il: 9 ago 2016, 20:22

1
voti

[14] Re: Pilotaggio Mosfet canale P con VCC elevata

Messaggioda Foto UtenteBrunoValente » 18 giu 2024, 17:44

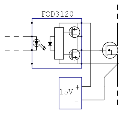
Se la frequenza del PWM è di 5kHz, quindi non eccessivamente elevata, credo possa esserti utile un circuito di pilotaggio del mosfet con un fotoaccoppiatore del tipo FOD3120

Collegandolo tramite un alimentatore da 15V galvanicamente isolato come nello schema che segue potresti pilotare senza problemi mosfet N o mosfet P e in entrambi i casi potresti inserire il carico in serie al drain oppure in serie al source.

Inoltre non avresti problemi a spingere il duty cycle fino a 0% o fino a 100%

Avatar utente
Foto UtenteBrunoValente
39,6k 7 11 13
G.Master EY
G.Master EY
 
Messaggi: 7796
Iscritto il: 8 mag 2007, 14:48

1
voti

[15] Re: Pilotaggio Mosfet canale P con VCC elevata

Messaggioda Foto Utentedjnz » 18 giu 2024, 18:19

Rilancio con un'altra idea. Il componente più critico credo sia il condensatore, che deve funzionare in regime impulsivo ad alta corrente (ceramico? polipropilene?)
Una domanda ben posta è già mezza risposta.
Avatar utente
Foto Utentedjnz
1.590 1 4 7
Master
Master
 
Messaggi: 709
Iscritto il: 26 lug 2020, 14:52

1
voti

[16] Re: Pilotaggio Mosfet canale P con VCC elevata

Messaggioda Foto Utentegill90 » 18 giu 2024, 18:20

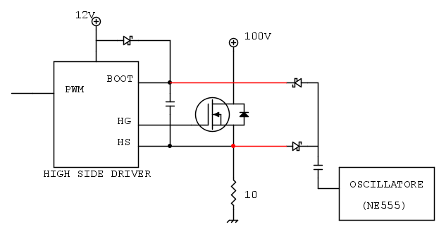
Se vuoi usare un driver high side e pilotarlo come dici, puoi usare un trucchetto per avere il 100% di duty (e usare un MOSFET N):

In pratica ci connetti un oscillatore come sorgente della charge pump addizionale: quando l'uscita dell'oscillatore è a 0 carichi la capacità con la tensione del nodo di switching, poi quando va a +12V gli dai un saltino di tensione che permette di travasare la carica sulla capacità di bootstrap. L'oscillatore lo puoi abilitare o con un segnale esterno oppure fare in modo che si attivi dopo un po' di tempo che il segnale PWM è ON (oppure, più difficile, sensare la tensione della capacità di bootstrap e attivarlo quando si scarica oltre un certo limite).

AleEl ha scritto:Successivamente, avendo già la predisposizione in high-side con frequenza a 5kHz, delle sperimentazioni inserendo un filtro LC

Non so che tipo di filtro vuoi metterci e come lo vuoi inserire, ma stai attento che a quelle tensioni puoi fare grossi danni.
Avatar utente
Foto Utentegill90
4.146 3 7 12
G.Master EY
G.Master EY
 
Messaggi: 1134
Iscritto il: 1 set 2011, 16:18

1
voti

[17] Re: Pilotaggio Mosfet canale P con VCC elevata

Messaggioda Foto Utentestefanopc » 18 giu 2024, 22:16

Se abbassi ulteriormente la frequenza di PWM (30 Hz ad esempio tanto alla resistenza non fa differenza) può essere interessante utilizzare un Mosfet a canale N pilotato da un fotoaccoppiatore con uscita fotovoltaica come il Vom1271.
Questo componente ti permette di comandare il Mosfet in PWM senza dover utilizzare nient'altro .
Lo sto utilizzando da diverso tempo in una applicazione simile senza problemi.
(a parte un relè andato a fuoco per colpa mia ).
Qui trovi altre informazioni in merito.
viewtopic.php?f=1&t=89291&hilit=+Riscaldamento
Ciao
600 Elettra
Avatar utente
Foto Utentestefanopc
13,3k 5 9 13
Master EY
Master EY
 
Messaggi: 5567
Iscritto il: 4 ago 2020, 9:11

2
voti

[18] Re: Pilotaggio Mosfet canale P con VCC elevata

Messaggioda Foto UtenteIsidoroKZ » 18 giu 2024, 22:35

Due osservazioni en passant.

1) I MOS in parallelo in teoria si possono mettere, in pratica bisogna fare attenzione, resistenze separate sui gate, layout che minimizzi i loop induttivi... Meglio evitare e mettere un MOS piu` grande, tanto ci sono.

2) Un gruppo LC a 5kHz richiede componenti di valori non molto pratici: per fare esperimenti con gruppi LC e MOS in commutazione, meglio salire di frequenza. Invece per il riscaldamento 30Hz vanno bene.
Per usare proficuamente un simulatore, bisogna sapere molta più elettronica di lui
Plug it in - it works better!
Il 555 sta all'elettronica come Arduino all'informatica! (entrambi loro malgrado)
Se volete risposte rispondete a tutte le mie domande
Avatar utente
Foto UtenteIsidoroKZ
121,2k 1 3 8
G.Master EY
G.Master EY
 
Messaggi: 21059
Iscritto il: 17 ott 2009, 0:00

0
voti

[19] Re: Pilotaggio Mosfet canale P con VCC elevata

Messaggioda Foto Utentestandardoil » 19 giu 2024, 7:50

Per il riscaldamento va bene anche in AC con SCR...
Avatar utente
Foto Utentestandardoil
547 2 4
Stabilizzato
Stabilizzato
 
Messaggi: 424
Iscritto il: 15 lug 2022, 19:14

0
voti

[20] Re: Pilotaggio Mosfet canale P con VCC elevata

Messaggioda Foto UtenteAleEl » 19 giu 2024, 9:04

BrunoValente ha scritto:Se la frequenza del PWM è di 5kHz, quindi non eccessivamente elevata, credo possa esserti utile un circuito di pilotaggio del mosfet con un fotoaccoppiatore del tipo FOD3120

Collegandolo tramite un alimentatore da 15V galvanicamente isolato come nello schema che segue potresti pilotare senza problemi mosfet N o mosfet P e in entrambi i casi potresti inserire il carico in serie al drain oppure in serie al source.

Inoltre non avresti problemi a spingere il duty cycle fino a 0% o fino a 100%


Grazie!
Ma non servono resistenze di limitazione o altri componenti secondari?
Eventualmente si può anche far funzionare senza isolamento galvanico, semplicemente utilizzando una massa comune, dico bene?

djnz ha scritto:Rilancio con un'altra idea. Il componente più critico credo sia il condensatore, che deve funzionare in regime impulsivo ad alta corrente (ceramico? polipropilene?)


Eventualmente in tal caso come si dimensiona il circuito?


gill90 ha scritto:In pratica ci connetti un oscillatore come sorgente della charge pump addizionale: quando l'uscita dell'oscillatore è a 0 carichi la capacità con la tensione del nodo di switching, poi quando va a +12V gli dai un saltino di tensione che permette di travasare la carica sulla capacità di bootstrap. L'oscillatore lo puoi abilitare o con un segnale esterno oppure fare in modo che si attivi dopo un po' di tempo che il segnale PWM è ON (oppure, più difficile, sensare la tensione della capacità di bootstrap e attivarlo quando si scarica oltre un certo limite).


Preferirei rimanere almeno per ora sul più semplice, anche se il funzionamento di questa alternativa è a dir poco affascinante :D

gill90 ha scritto:Non so che tipo di filtro vuoi metterci e come lo vuoi inserire, ma stai attento che a quelle tensioni puoi fare grossi danni.


Puoi dirmi di più? Che tipo di danni possono accadere?

stefanopc ha scritto:Se abbassi ulteriormente la frequenza di PWM (30 Hz ad esempio tanto alla resistenza non fa differenza) può essere interessante utilizzare un Mosfet a canale N pilotato da un fotoaccoppiatore con uscita fotovoltaica come il Vom1271.


Preferirei non abbassarla, in virtù degli esperimenti con filtro LC che vorrei effettuare
Anzi..

IsidoroKZ ha scritto:Due osservazioni en passant.

1) I MOS in parallelo in teoria si possono mettere, in pratica bisogna fare attenzione, resistenze separate sui gate, layout che minimizzi i loop induttivi... Meglio evitare e mettere un MOS piu` grande, tanto ci sono.

2) Un gruppo LC a 5kHz richiede componenti di valori non molto pratici: per fare esperimenti con gruppi LC e MOS in commutazione, meglio salire di frequenza. Invece per il riscaldamento 30Hz vanno bene.


Penso che a questo punto, convenga eventualmente alzarla
Come mai è meglio salire di frequenza? Per quello detto da Foto Utentegill90?
Eventualmente quale frequenza sarebbe accettabile per un carico di quel tipo a quella tensione?

standardoil ha scritto:Per il riscaldamento va bene anche in AC con SCR...

L'obiettivo finale non è la semplice alimentazione della resistenza, come detto, ma arrivare a testare i filtri LC per il livellamento



Grazie a tutti per ora!
Avatar utente
Foto UtenteAleEl
782 1 5 13
Sostenitore
Sostenitore
 
Messaggi: 818
Iscritto il: 9 ago 2016, 20:22

PrecedenteProssimo

Torna a Elettronica generale

Chi c’è in linea

Visitano il forum: Nessuno e 148 ospiti