Cos'è ElectroYou | Login Iscriviti

ElectroYou - la comunità dei professionisti del mondo elettrico

Quadro TNS e PEN

Progettazione, esercizio, manutenzione, sicurezza, leggi, normative...

Moderatori: Foto Utentesebago, Foto UtenteMASSIMO-G, Foto Utentelillo, Foto UtenteMike

0
voti

[11] Re: Quadro TNS e PEN

Messaggioda Foto Utentegianluca.ciacciofera » 19 lug 2024, 14:13

GioArca67 ha scritto:Qualche mese fa avevo sollevato un problema simile

https://www.electroyou.it/forum/viewtopic.php?f=3&t=90385

Forse può esserti utile anche seguendo un link lì riportato verso un'altra discussione.

C’è una differenza sostanziale , nel caso da te prospettato il neutro era sezionabile, pertanto con compatibile con le caratteristiche del PEN. Nel caso in cui mi sono imbattuto invece il neutro era non sezionato , i fusibili solo su RST.
Avatar utente
Foto Utentegianluca.ciacciofera
271 1 4 6
Sostenitore
Sostenitore
 
Messaggi: 723
Iscritto il: 4 ott 2006, 10:57

0
voti

[12] Re: Quadro TNS e PEN

Messaggioda Foto UtenteAria » 19 lug 2024, 18:15

Foto Utentegianluca.ciacciofera il tuo collegamento puo andare bene nel caso in cui lo schermo del cavo sia messo a terra solo nel solo lato che si vede sulla barra di terra.
In caso contrario, il tuo collegamento non va bene perché il sistema diventa un TNS e quindi non può diventare TN-C
Questo perché crea problemi di circolazione nella terra delle correnti di neutro ed anche circolazioni anomale tra terra e neutro in caso di guasto a terra.
Avatar utente
Foto UtenteAria
562 2 6
Expert EY
Expert EY
 
Messaggi: 447
Iscritto il: 6 lug 2019, 8:53

0
voti

[13] Re: Quadro TNS e PEN

Messaggioda Foto Utentegianluca.ciacciofera » 19 lug 2024, 18:22

L’armatura in rame é equivalente ad un conduttore di 95mmq. É a terra in cabina. Io uso il TNS, é chi c’era prima di me che aveva necessità del tnc. Comunque ci siamo scollegati da quel quadro di campo e mi hanno attestato il cavo direttamente sul mio quadro di scambio con interblocco (generatore/rete).
Avatar utente
Foto Utentegianluca.ciacciofera
271 1 4 6
Sostenitore
Sostenitore
 
Messaggi: 723
Iscritto il: 4 ott 2006, 10:57

1
voti

[14] Re: Quadro TNS e PEN

Messaggioda Foto UtenteAria » 22 lug 2024, 9:19

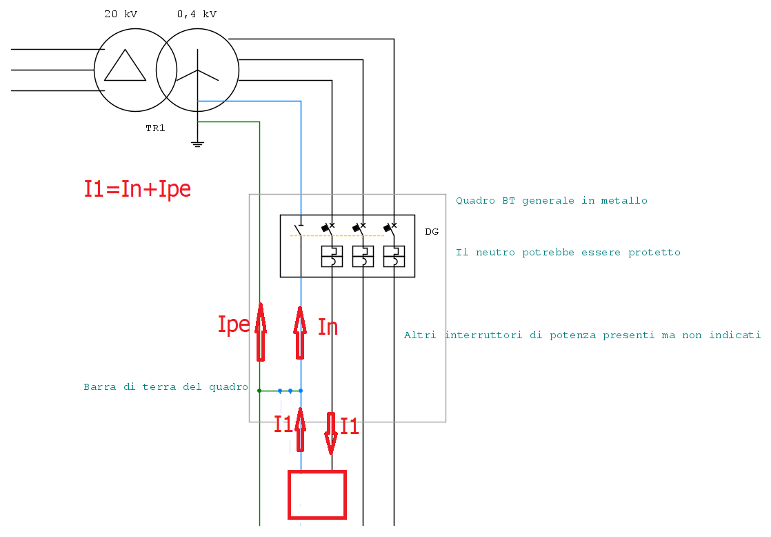
Vedo che non ci capiamo ma questo è un gran classico sui forum, mando l'ultimo post poi la chiudo qua.
Il problema del collegamento che ti sei trovato è indicato nel disegno.
Questo comporta che con carico monofase ti trovi corrente sul PE in condizioni di funzionamento normale.
Stesso problema in condizioni di guasto a terra.
Allegati
tns+c.png
Avatar utente
Foto UtenteAria
562 2 6
Expert EY
Expert EY
 
Messaggi: 447
Iscritto il: 6 lug 2019, 8:53

0
voti

[15] Re: Quadro TNS e PEN

Messaggioda Foto UtenteGioArca67 » 22 lug 2024, 16:22

E questo cosa comporta a tuo giudizio? in qualsiasi generico TN_C è così ed è accettato.
Avatar utente
Foto UtenteGioArca67
4.580 4 6 9
Master EY
Master EY
 
Messaggi: 4592
Iscritto il: 12 mar 2021, 9:36

0
voti

[16] Re: Quadro TNS e PEN

Messaggioda Foto Utentegianluca.ciacciofera » 22 lug 2024, 16:40

Aria ha scritto:Vedo che non ci capiamo ma questo è un gran classico sui forum, mando l'ultimo post poi la chiudo qua.
Il problema del collegamento che ti sei trovato è indicato nel disegno.
Questo comporta che con carico monofase ti trovi corrente sul PE in condizioni di funzionamento normale.
Stesso problema in condizioni di guasto a terra.

Questo anche se il neutro non era sezionato ?
Avatar utente
Foto Utentegianluca.ciacciofera
271 1 4 6
Sostenitore
Sostenitore
 
Messaggi: 723
Iscritto il: 4 ott 2006, 10:57

0
voti

[17] Re: Quadro TNS e PEN

Messaggioda Foto Utentegianluca.ciacciofera » 22 lug 2024, 16:57

GioArca67 ha scritto:E questo cosa comporta a tuo giudizio?

Vedendo lo schema mi pare di capire che se mi fossi collegato a valle del ponte in TNS , per via della corrente sul PE, quest’ultimo avrebbe assunto un potenziale.
Avatar utente
Foto Utentegianluca.ciacciofera
271 1 4 6
Sostenitore
Sostenitore
 
Messaggi: 723
Iscritto il: 4 ott 2006, 10:57

0
voti

[18] Re: Quadro TNS e PEN

Messaggioda Foto UtenteAria » 23 lug 2024, 8:55

Secondo me fate confusione tra TN-C e TN-S
Il collegamento del disegno è un TNS,il fatto di mettere insieme PE e N non lo rende TNC, fa solo si che l'impianto non sia a norma:

546.2.3 Se a partire da un qualsiasi punto dell’impianto le funzioni di conduttore di neutro e di
conduttore di protezione vengono svolte da conduttori separati, non si possono collegare
questi conduttori l’uno all’altro a partire da quel punto. Nel punto di separazione, devono
essere previsti sbarre o morsetti separati per il conduttore di neutro e per quello di
protezione. Il conduttore PEN deve essere collegato alla sbarra od al morsetto al quale e
collegato il conduttore di protezione.
Allegati
tns.png
tns.png (10.94 KiB) Osservato 3158 volte
Avatar utente
Foto UtenteAria
562 2 6
Expert EY
Expert EY
 
Messaggi: 447
Iscritto il: 6 lug 2019, 8:53

0
voti

[19] Re: Quadro TNS e PEN

Messaggioda Foto Utentegianluca.ciacciofera » 23 lug 2024, 9:18

Per chiarezza la situazione era questa
Allegati
IMG_4196.jpeg
IMG_4196.jpeg (10.01 KiB) Osservato 3150 volte
Avatar utente
Foto Utentegianluca.ciacciofera
271 1 4 6
Sostenitore
Sostenitore
 
Messaggi: 723
Iscritto il: 4 ott 2006, 10:57

0
voti

[20] Re: Quadro TNS e PEN

Messaggioda Foto UtenteAria » 23 lug 2024, 9:54

Quel ponte non lo puoi fare O_/
Avatar utente
Foto UtenteAria
562 2 6
Expert EY
Expert EY
 
Messaggi: 447
Iscritto il: 6 lug 2019, 8:53

PrecedenteProssimo

Torna a Impianti, sicurezza e quadristica

Chi c’è in linea

Visitano il forum: Nessuno e 57 ospiti