Progetto con LM358N
Moderatori:
carloc,
g.schgor,
BrunoValente,
IsidoroKZ
48 messaggi
• Pagina 4 di 5 • 1, 2, 3, 4, 5
1
voti
Non manca solo la polarizzazione, manca la minima idea di cosa si stia facendo perché mancano basi elementari di teoria e
markc non dà cenno, almeno finora, di cogliere le osservazioni e i consigli che gli sono stati dati al riguardo.
"Non farei mai parte di un club che accettasse la mia iscrizione" (G. Marx)
-

claudiocedrone
21,3k 4 7 9 - Master EY

- Messaggi: 15302
- Iscritto il: 18 gen 2012, 13:36
0
voti
djnz ha scritto:markc ha scritto:perché se non collego nulla, l'uscita è massima, 4.85V
Non si può lasciare un ingresso scollegato, è un errore circuitale, manca la polarizzazione (tensione e corrente di bias).
ma perché se invece uso l'integrato nel modo invertente, anche senza collegare nulla leggo in uscita zero?
Non dovrebbe valere per entrambe le modalità?
0
voti
ma perché se invece uso l'integrato nel modo invertente, anche senza collegare nulla leggo in uscita zero?
Nel modo invertente l'ingresso invertente " - " dell'operazionale non è flottante, ma è sempre collegato all'uscita con il resistore R2.
L'ingresso non invertente " + " è sempre collegato a massa.

0
voti
ok, grazie. Mi chiedo ora se può essere usato per amplificare tensioni bassissime, microvolt e anche meno, in modo da poterle leggere amplificate su un voltmetro con risoluzione millivolt.
Ultima modifica di
markc il 31 lug 2024, 10:04, modificato 1 volta in totale.
0
voti
Ti avevano già risposto al post n. 2.
Prova prima ad amplificare x 100 una tensione di 1 mV, poi dai risultati vedi. Faresti meglio a saldare i componenti invece che a collegarli su quella basetta, avrai connessioni elettriche più stabili.
Prova prima ad amplificare x 100 una tensione di 1 mV, poi dai risultati vedi. Faresti meglio a saldare i componenti invece che a collegarli su quella basetta, avrai connessioni elettriche più stabili.
1
voti
markc ha scritto:Non dovrebbe valere per entrambe le modalità?
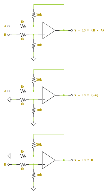
Varrebbe per entrambe le modalità usando gli schemi completi, e non casi specifici semplificati:
In questi schemi gli ingressi dell'integrato non sono flottanti, hanno sempre un riferimento al GND, e ai terminali di ingresso A e B si può effettivamente non collegare niente.
EDIT: ho corretto il disegno... la libreria standard con l'operazionale con l'invertente in basso mi frega sempre
Una domanda ben posta è già mezza risposta.
0
voti
ho implementato l'ultimo in basso, non invertente, entrano 10mv esce 1mv
1
voti
Do per scontato che ci sia l'alimentazione corretta sui pin 8 e 4, che lo schema seguito sia quello presente dopo la correzione (il primo disegno postato aveva gli ingressi invertiti), e che i punti GND siano correttamente collegati. Mi sa che solo un'altra foto può dipanare questo dubbio.
Una domanda ben posta è già mezza risposta.
48 messaggi
• Pagina 4 di 5 • 1, 2, 3, 4, 5
Chi c’è in linea
Visitano il forum: Nessuno e 90 ospiti

Elettrotecnica e non solo (admin)
Un gatto tra gli elettroni (IsidoroKZ)
Esperienza e simulazioni (g.schgor)
Moleskine di un idraulico (RenzoDF)
Il Blog di ElectroYou (webmaster)
Idee microcontrollate (TardoFreak)
PICcoli grandi PICMicro (Paolino)
Il blog elettrico di carloc (carloc)
DirtEYblooog (dirtydeeds)
Di tutto... un po' (jordan20)
AK47 (lillo)
Esperienze elettroniche (marco438)
Telecomunicazioni musicali (clavicordo)
Automazione ed Elettronica (gustavo)
Direttive per la sicurezza (ErnestoCappelletti)
EYnfo dall'Alaska (mir)
Apriamo il quadro! (attilio)
H7-25 (asdf)
Passione Elettrica (massimob)
Elettroni a spasso (guidob)
Bloguerra (guerra)




