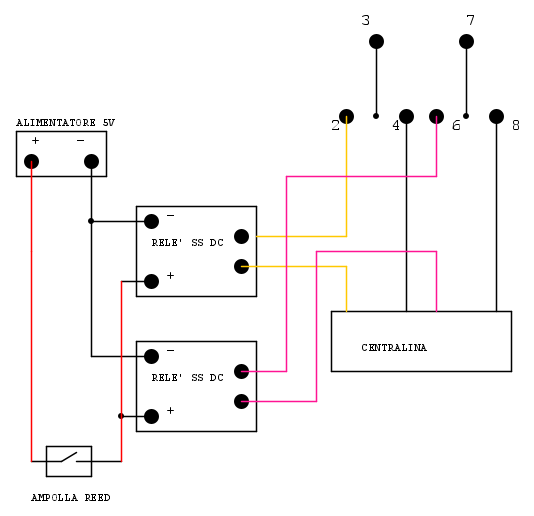
meglio che sezioni entrambe le linee usando sue rele .. in questo modo:
ovviamente io non se sono i morsetti "2" e "6" o "4" e "8" che devi sezionare, quello lo vedi tu
Apertura finestra stacca condizionamento
Moderatori:
carloc,
g.schgor,
BrunoValente,
IsidoroKZ
13 messaggi
• Pagina 2 di 2 • 1, 2
1
voti
ciao,
scrivo solo per dire che grazie ai preziosi consigli ricevuti qui sono riuscito a fare tutto e funziona perfettamente!!!
grazie ancora
scrivo solo per dire che grazie ai preziosi consigli ricevuti qui sono riuscito a fare tutto e funziona perfettamente!!!
grazie ancora
13 messaggi
• Pagina 2 di 2 • 1, 2
Chi c’è in linea
Visitano il forum: Nessuno e 73 ospiti

Elettrotecnica e non solo (admin)
Un gatto tra gli elettroni (IsidoroKZ)
Esperienza e simulazioni (g.schgor)
Moleskine di un idraulico (RenzoDF)
Il Blog di ElectroYou (webmaster)
Idee microcontrollate (TardoFreak)
PICcoli grandi PICMicro (Paolino)
Il blog elettrico di carloc (carloc)
DirtEYblooog (dirtydeeds)
Di tutto... un po' (jordan20)
AK47 (lillo)
Esperienze elettroniche (marco438)
Telecomunicazioni musicali (clavicordo)
Automazione ed Elettronica (gustavo)
Direttive per la sicurezza (ErnestoCappelletti)
EYnfo dall'Alaska (mir)
Apriamo il quadro! (attilio)
H7-25 (asdf)
Passione Elettrica (massimob)
Elettroni a spasso (guidob)
Bloguerra (guerra)



