Questo potrebbe essere un buon modulo ricevitore bluetooth (il modello 5.0 di quelli) , con l'uscita audio analogica più compatti non si trovano
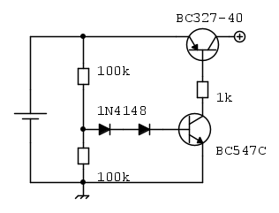
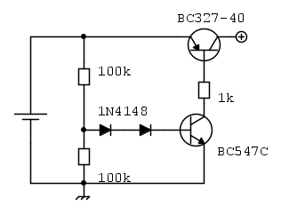
e questo il circuito stacca-batteria che mi è venuto in mente (se decidiamo di costruirlo)
Micro ampli per auricolari Shure SE215
Moderatore:
IsidoroKZ
29 messaggi
• Pagina 3 di 3 • 1, 2, 3
1
voti
>
ThEnGi : Dovrebbe starci anche quello con la protezione, se si usa un potenziometro abbastanza piccolo ... i vari componenti dovrebbero essere incollati sulla lastrina di plastica che protegge la batteria, e poi cablati, ma giocando un po a tetris si dovrebbe riuscire a farci stare tutto
Cosa c'entra l'USB-C ? ... la carica non potrebbe essere comunque troppo rapida, 300mA per 10 ore o 600-650 per 5 ore, piu corrente causerebbe troppo surriscaldamento della batteria e ne ridurrebbe la vita utile, quindi un qualsiasi caricatore standard da 5V 1A andrebbe piu che bene.
Avevo indicato quello solo perche' e' piccolo, e solo per caso ha l'USB-C, non l'ho scelto per quello, quindi si puo tranquillamente usarne anche uno con il mini o micro, e sceglierlo in base al tipo di caricatore per telefono che uno ha gia in casa (magari inutilizzato o recuperato)
Ce n'e' perfino una versione ancora piu piccola, con il C e protezione, esempio il terzo ... tuttavia consiglio di usare un'altra versione, di quelle che sono assemblate con resistenze 0805 o al massimo 0603, quasi tutti i modelli con USB-C usano gli 0402 o addirittura gli 0201, e diventa poi difficile sostituire la resistenza di impostazione della corrente di ricarica senza avere attrezzature per SMD e buone lenti (o buoni occhi, cosa che io ormai non ho piu
).
>
SediciAmpere : staccabatteria per cosa ? ... le celle hanno gia a bordo un circuito di protezione che scollega la batteria se la tensione scende sotto i 2.4V. esempio e' il circuitino sotto il nastro in Kapton gialloscuro
Cosa c'entra l'USB-C ? ... la carica non potrebbe essere comunque troppo rapida, 300mA per 10 ore o 600-650 per 5 ore, piu corrente causerebbe troppo surriscaldamento della batteria e ne ridurrebbe la vita utile, quindi un qualsiasi caricatore standard da 5V 1A andrebbe piu che bene.
Avevo indicato quello solo perche' e' piccolo, e solo per caso ha l'USB-C, non l'ho scelto per quello, quindi si puo tranquillamente usarne anche uno con il mini o micro, e sceglierlo in base al tipo di caricatore per telefono che uno ha gia in casa (magari inutilizzato o recuperato)
Ce n'e' perfino una versione ancora piu piccola, con il C e protezione, esempio il terzo ... tuttavia consiglio di usare un'altra versione, di quelle che sono assemblate con resistenze 0805 o al massimo 0603, quasi tutti i modelli con USB-C usano gli 0402 o addirittura gli 0201, e diventa poi difficile sostituire la resistenza di impostazione della corrente di ricarica senza avere attrezzature per SMD e buone lenti (o buoni occhi, cosa che io ormai non ho piu
>
"Sopravvivere" e' attualmente l'unico lusso che la maggior parte dei Cittadini italiani,
sia pure a costo di enormi sacrifici, riesce ancora a permettersi.
sia pure a costo di enormi sacrifici, riesce ancora a permettersi.
-

Etemenanki
9.517 3 6 10 - Master

- Messaggi: 5940
- Iscritto il: 2 apr 2021, 23:42
- Località: Dalle parti di un grande lago ... :)
0
voti
Etemenanki ha scritto:Cosa c'entra l'USB-C ?
Non capivo perché la scartavi
Io la proponevo per la soluzione DIY la USB C solo per una questione di "compatibilità", credo sia statisticamente più facile trovare una cavetto USB C che non un Micro USB in casa oggigiorno.
OT
O peggio ancora USB A, che i maledetti produttori di stampanti ancora non si sono aggiornati
/OT
Una volta posizionate le tue due resistenze e non monitorando la tensione sulle stesse sei "limitato" al profilo USB 2.0 5V@500 mA. Ma i cinesi di questo se ne fregano e settano il TP4056 ad 1A
Sulla modifica del modulo concordo, 0402 (se una sola) è ancora fattibile con mezzi "ordinari"

0
voti
No, non l'avevo scartata, e non serve neppure limitarlo con le resistenze (che tanto molti alimentatori non hanno alcun gestore di carica all'interno, anche con uscite USB-C, maledetti cinesi), viene limitata dal TP4056 o 57, dipende dal modulino che si decide di usare ... si, e' una sola resistenza, sul 4056 va cambiata da 1.2k in 1.8k (seicentoequalcosa mA) oppure 3.3k (circa 360mA), sull'altro modello non ricordo se sono uguali i valori.
EDIT: aspetta, credo di aver capito cosa intendevi ... scartavo l'USB-C solo nel caso di circuito stampato interamente fatto a mano, a causa della difficolta' di saldarlo correttamente a mano, dati i terminali SMD estremamente sottili, non per i modulini.
EDIT: aspetta, credo di aver capito cosa intendevi ... scartavo l'USB-C solo nel caso di circuito stampato interamente fatto a mano, a causa della difficolta' di saldarlo correttamente a mano, dati i terminali SMD estremamente sottili, non per i modulini.
"Sopravvivere" e' attualmente l'unico lusso che la maggior parte dei Cittadini italiani,
sia pure a costo di enormi sacrifici, riesce ancora a permettersi.
sia pure a costo di enormi sacrifici, riesce ancora a permettersi.
-

Etemenanki
9.517 3 6 10 - Master

- Messaggi: 5940
- Iscritto il: 2 apr 2021, 23:42
- Località: Dalle parti di un grande lago ... :)
0
voti
ThEnGi ha scritto:OT
O peggio ancora USB A, che i maledetti produttori di stampanti ancora non si sono aggiornati![]()
/OT
USB A è il classico connettore rettangolare dei computer.
USB B è quello quadrato delle periferiche.
0
voti
Credo che quelli non verranno mai sostituiti, per motivi "meccanici" ... immaginate la fine di quei poveri connettorini microusb o tipo-c, sottoposti alle sevizie, urti, strappi e maltrattamenti a cui di solito gli utenti medi sottopongono i cavi delle loro stampanti, che fine farebbero ? 
"Sopravvivere" e' attualmente l'unico lusso che la maggior parte dei Cittadini italiani,
sia pure a costo di enormi sacrifici, riesce ancora a permettersi.
sia pure a costo di enormi sacrifici, riesce ancora a permettersi.
-

Etemenanki
9.517 3 6 10 - Master

- Messaggi: 5940
- Iscritto il: 2 apr 2021, 23:42
- Località: Dalle parti di un grande lago ... :)
0
voti
Mi tocca vergognarmi di nuovo per i pochi neuroni che mi sono rimasti
... avevo fatto qualche test e scritto qui i risultati, ma devo aver chiuso la pagina senza schiacciare invia
Comunque, ho provato il modulino che ho in casa con una cella LiPo da 1000mAh, usando due resistenze da 18 ohm come carichi (non ho cuffiette con valore cosi basso, le mie hanno cira 45 ohm) e dando all'ingresso un segnale sinusoidale il piu pulito possibile, ed il sistema si potrebbe anche usare con degli auricolari con la massa in comune, mettendo in serie alle due uscite positive dei condensatori non-polarizzati da 47uF (ho provato solo quel valore perche' erano gli unici che avevo sottomano, di nonpolar), e collegando una resistenza da 100 ohm fra le due uscite + e - di ognuno dei finali, ma con l'oscilloscopio vedo un po di distorsione ai capi delle resistenze di carico ... sostituendo le resistenze con le cuffiette, la distorsione aumenta e si avverte anche ad orecchio, ma e' probabilmente dovuto al diverso valore di impedenza rispetto ai 18 ohm delle resistenze (e forse un po anche alla componente induttiva che le resistenze non hanno).
Faro' qualche altra prova, appena mi procuro dei nonpolar di altri valori ed un paio di altoparlantini da 16 ohm (devo vedere che impedenza hanno quelli dei portatili, ne ho alcune coppie recuperate in giro), e provero' anche a vedere quanto dura la carica della cella LiPo lasciandolo in funzione in modo continuo, per poter avere una stima della possibile autonomia.
Comunque, ho provato il modulino che ho in casa con una cella LiPo da 1000mAh, usando due resistenze da 18 ohm come carichi (non ho cuffiette con valore cosi basso, le mie hanno cira 45 ohm) e dando all'ingresso un segnale sinusoidale il piu pulito possibile, ed il sistema si potrebbe anche usare con degli auricolari con la massa in comune, mettendo in serie alle due uscite positive dei condensatori non-polarizzati da 47uF (ho provato solo quel valore perche' erano gli unici che avevo sottomano, di nonpolar), e collegando una resistenza da 100 ohm fra le due uscite + e - di ognuno dei finali, ma con l'oscilloscopio vedo un po di distorsione ai capi delle resistenze di carico ... sostituendo le resistenze con le cuffiette, la distorsione aumenta e si avverte anche ad orecchio, ma e' probabilmente dovuto al diverso valore di impedenza rispetto ai 18 ohm delle resistenze (e forse un po anche alla componente induttiva che le resistenze non hanno).
Faro' qualche altra prova, appena mi procuro dei nonpolar di altri valori ed un paio di altoparlantini da 16 ohm (devo vedere che impedenza hanno quelli dei portatili, ne ho alcune coppie recuperate in giro), e provero' anche a vedere quanto dura la carica della cella LiPo lasciandolo in funzione in modo continuo, per poter avere una stima della possibile autonomia.
"Sopravvivere" e' attualmente l'unico lusso che la maggior parte dei Cittadini italiani,
sia pure a costo di enormi sacrifici, riesce ancora a permettersi.
sia pure a costo di enormi sacrifici, riesce ancora a permettersi.
-

Etemenanki
9.517 3 6 10 - Master

- Messaggi: 5940
- Iscritto il: 2 apr 2021, 23:42
- Località: Dalle parti di un grande lago ... :)
0
voti
18 ohm vanno benissimo, e anche i condensatori polarizzati perché è presente una componente continua: ovviamente vano messi dalla parte giusta
probabilmente vedi distorsione perché il segnale è troppo alto
probabilmente vedi distorsione perché il segnale è troppo alto
-

SediciAmpere
4.187 5 5 8 - Master

- Messaggi: 4847
- Iscritto il: 31 ott 2013, 15:00
29 messaggi
• Pagina 3 di 3 • 1, 2, 3
Torna a Elettronica e spettacolo
Chi c’è in linea
Visitano il forum: Nessuno e 29 ospiti

Elettrotecnica e non solo (admin)
Un gatto tra gli elettroni (IsidoroKZ)
Esperienza e simulazioni (g.schgor)
Moleskine di un idraulico (RenzoDF)
Il Blog di ElectroYou (webmaster)
Idee microcontrollate (TardoFreak)
PICcoli grandi PICMicro (Paolino)
Il blog elettrico di carloc (carloc)
DirtEYblooog (dirtydeeds)
Di tutto... un po' (jordan20)
AK47 (lillo)
Esperienze elettroniche (marco438)
Telecomunicazioni musicali (clavicordo)
Automazione ed Elettronica (gustavo)
Direttive per la sicurezza (ErnestoCappelletti)
EYnfo dall'Alaska (mir)
Apriamo il quadro! (attilio)
H7-25 (asdf)
Passione Elettrica (massimob)
Elettroni a spasso (guidob)
Bloguerra (guerra)



