E invece un circuito old style?
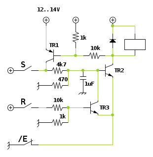
Circuito set reset a 2 pulsanti
Moderatori:
carloc,
g.schgor,
BrunoValente,
IsidoroKZ
20 messaggi
• Pagina 2 di 2 • 1, 2
0
voti
SediciAmpere ha scritto:Hai guardato il TTL 74LS269 ?
Errore di battitura, volevo dire 74LS279
È un TTL con all'interno quattro latch S-R
-

SediciAmpere
4.187 5 5 8 - Master

- Messaggi: 4847
- Iscritto il: 31 ott 2013, 15:00
2
voti
0
voti
Buongiorno a tutti, ho provato questo schema, va bene per il mio utilizzo. Ma ho da aggiungere, che quando un comando esterno non si trova a gnd il relè non si eccita fino al momento che porto il comando a gnd.
Grazie mille
Grazie mille
-

danielealfa
243 2 4 7 - Expert

- Messaggi: 1313
- Iscritto il: 27 mag 2009, 22:51
0
voti
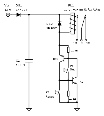
Buongiorno, ho pensato a fare questa aggiunta per avere il PIN esterno di reset.
E giusto?
E giusto?
-

danielealfa
243 2 4 7 - Expert

- Messaggi: 1313
- Iscritto il: 27 mag 2009, 22:51
0
voti
danielealfa ha scritto: che porto il comando a gnd.
Grazie mille
Questo "comando" cosa è ? Un pulsante ? in interruttore ? un relè ? un uscita di un uC ?
perché se fosse (esempio) un interruttore (agevolmente accessibile) si potrebbe utilizare in serie all'alimentazione e sostituire i transistor (che formano un scr) con un SCR.
Con quello puoi fare il reset e contemporaneamente l'inibizione (aprendo l'alimentazione) e poi avere solo il pulsante start

0
voti
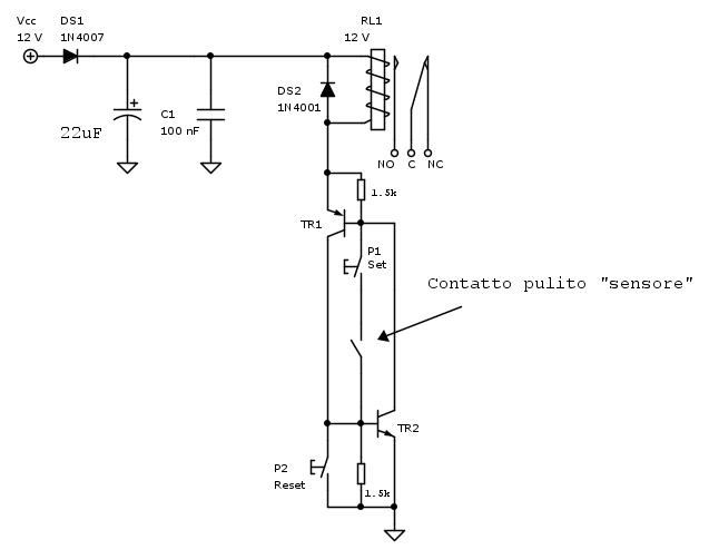
Ciao,e grazie della tua risposta, il comando e contratto di un sensore il quale al massimo può sopportare 25 mA , così e scritto sopra
-

danielealfa
243 2 4 7 - Expert

- Messaggi: 1313
- Iscritto il: 27 mag 2009, 22:51
0
voti
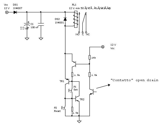
è un contatto pulito ?
Se si puoi fare così:
Se no ("open drain")
Ti propongo questa soluzione perché un SCR ha un guadagno estremamente elevato, basta una piccolissima corrente e lui si accende "a valanga".
In questo modo disalimenti completamente il circuito di "innesco"
Siamo sui 5mA di corrente circolante
NDR: Magari esiste una soluzione migliore
EDIT: Dimenticavo i due diodi puoi usarli uguali, Forse si potrebbe usare addiritura un 1N4148 (assorbimento permettendo) che è più veloce ma non mi intendo di transistori automotive
EDIT2: Il contatto se pulito si può spostare più a monte, come per il transistor PNP dello schema sotto

Se si puoi fare così:
Se no ("open drain")
Ti propongo questa soluzione perché un SCR ha un guadagno estremamente elevato, basta una piccolissima corrente e lui si accende "a valanga".
In questo modo disalimenti completamente il circuito di "innesco"
Siamo sui 5mA di corrente circolante
NDR: Magari esiste una soluzione migliore
EDIT: Dimenticavo i due diodi puoi usarli uguali, Forse si potrebbe usare addiritura un 1N4148 (assorbimento permettendo) che è più veloce ma non mi intendo di transistori automotive
EDIT2: Il contatto se pulito si può spostare più a monte, come per il transistor PNP dello schema sotto

1
voti
Se non è troppo semplice
, c'è anche il vecchio, caro CD4013, flip flop di tipo D con Set e Reset...
Se no, senza usare neanche i transistor, un pulsante in parallelo a dei contatti normalmente aperti che fanno autoritenuta e un pulsante normalmente chiuso che, quando viene premuto, toglie alimentazione al relè.
Se no, senza usare neanche i transistor, un pulsante in parallelo a dei contatti normalmente aperti che fanno autoritenuta e un pulsante normalmente chiuso che, quando viene premuto, toglie alimentazione al relè.
0
voti
A me piace più di tutti il primo schema del messaggio [1].
Per la corretta condizione di partenza in accensione basta aggiungere un condensatore e una resistenza in parallelo ad uno dei pulsanti.
Ciao
Per la corretta condizione di partenza in accensione basta aggiungere un condensatore e una resistenza in parallelo ad uno dei pulsanti.
Ciao
600 Elettra
20 messaggi
• Pagina 2 di 2 • 1, 2
Chi c’è in linea
Visitano il forum: Nessuno e 158 ospiti

Elettrotecnica e non solo (admin)
Un gatto tra gli elettroni (IsidoroKZ)
Esperienza e simulazioni (g.schgor)
Moleskine di un idraulico (RenzoDF)
Il Blog di ElectroYou (webmaster)
Idee microcontrollate (TardoFreak)
PICcoli grandi PICMicro (Paolino)
Il blog elettrico di carloc (carloc)
DirtEYblooog (dirtydeeds)
Di tutto... un po' (jordan20)
AK47 (lillo)
Esperienze elettroniche (marco438)
Telecomunicazioni musicali (clavicordo)
Automazione ed Elettronica (gustavo)
Direttive per la sicurezza (ErnestoCappelletti)
EYnfo dall'Alaska (mir)
Apriamo il quadro! (attilio)
H7-25 (asdf)
Passione Elettrica (massimob)
Elettroni a spasso (guidob)
Bloguerra (guerra)












