scopiazzando l 'idea vista sul canale youtube di Pier Aisa di un utensile comodo per scaricare i condensatori, a sua volta ripresa da un progetto dello youtuber Mend it Mark, ho guardato nei cassetti ed ho visto che ho quasi tutto cio che serve per farmene uno anch' io e quindi sono partito.
Questi sono i video,
https://www.youtube.com/watch?v=VYDn5Tyqo7o&t=119s
https://www.youtube.com/watch?v=pNkEchLQWDU&t=64s
e in questo pdf c' è lo schema da cui ho preso spunto.
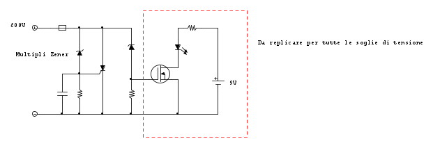
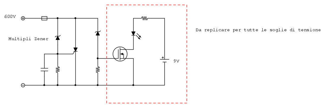
L' unica cosa è che volendo realizzarlo in un altro formato non vorrei metterci il voltmetro ma bensì due led che mi indichino, l' uno la presenza di tensione e l'altro la presenza di una tensione superiore a circa 80 volt.
L' idea è quella di sfruttare lo spegnimento del led degli 80 volt per premere manualmente un pulsante e inserire una resistenza di valore piu basso per scaricare piu velocemente la tensone residua.
Il valore di circa 80 volt, deriva dal fatto che ho trovato un resistore da 150 ohm 5W ed uno zener da 75 volt.
In questo modo sul resistore dovrei dissipare un impulso di potenza massima di circa 40 W che stando a cio che ho letto sui datasheet dei resistori a filo avvolto potrebbe essere plausibile.
Fatto questo preambolo ecco il nocciolo della questione.
Ormai avrete capito che ho pensato ad una soluzione tanto semplice quanto becera, la seguente:
Stando a cio che ho letto sudi datasheet riguardo i valori massimi impulsivi dei componenti, e se ho fatto giusti i calcoli, così dimensionato, il tutto dovrebbe poter sopportare un picco teorico di circa 1000 V che peraltro non mi è mai capitato e non credo mi capiterà di maneggiare.
Al massimo i 600 scarsi della 380 raddrizzata.
La mia perplessità maggiore è sul led della soglia minima, quello senza zener.
Su di esso, quando la tensione scende sotto i 10 V, scorrono circa 380 uA che riescono ad accenderlo in maniera appena visibile in condizioni di luce diurna.
Come si potrebbe migliorare il circuito mantenedolo il piu semplice possibile?
Per chi è arrivato fin qui, grazie in anticipo, anche solo per la lettura.


Elettrotecnica e non solo (admin)
Un gatto tra gli elettroni (IsidoroKZ)
Esperienza e simulazioni (g.schgor)
Moleskine di un idraulico (RenzoDF)
Il Blog di ElectroYou (webmaster)
Idee microcontrollate (TardoFreak)
PICcoli grandi PICMicro (Paolino)
Il blog elettrico di carloc (carloc)
DirtEYblooog (dirtydeeds)
Di tutto... un po' (jordan20)
AK47 (lillo)
Esperienze elettroniche (marco438)
Telecomunicazioni musicali (clavicordo)
Automazione ed Elettronica (gustavo)
Direttive per la sicurezza (ErnestoCappelletti)
EYnfo dall'Alaska (mir)
Apriamo il quadro! (attilio)
H7-25 (asdf)
Passione Elettrica (massimob)
Elettroni a spasso (guidob)
Bloguerra (guerra)




):

