wimatech vorrei confonderti le idee facendo una esegesi dei tuoi post
nel post [1]
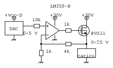
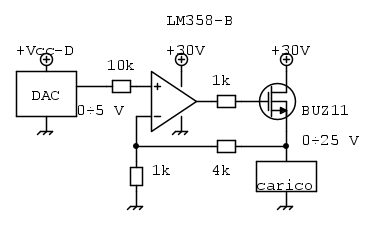
wimatech ha scritto:costruire un generatore di tensione usando un LM317 ma volevo provare a regolare la tensione di uscita usando un uC e per farlo pensavo di usare un dac come riferimento e un mosfet per la regolazione
La richiesta e' vaga perche' non ci sono le specifiche e si impongono dei vincoli - uC, regolare la tensione con DAC, LM317 e Mosfet - di cui non si capiscono la ragioni.
Lo schema proposto IMHO in ogni caso poteva essere semplificato - il mosfet mi sembra inutile + altri dettagli.
nel post [10] ad una mia richiesta rispondi
wimatech ha scritto:lo userei come alimentatore da banco mi accontento anche di 0.2v
Corrente in uscita 4/5A bastano e avanzano
Interfaccia Arduino encoder qualche pulsante e un lcd
Il problema adesso e' meglio definito (anche se il vincolo Arduino non e' meglio motivato):
- alimentatore da banco
- Arduino per controlli e misure
So far, so good ma (tutto quello che segue e rigorosamente IMHO seppur con il supporto dei documenti che seguono):
- un alimentatore da banco generico richiede (al minimo):
-- tensione impostabile 0- Max (nel nostro caso 0 - 25V)
-- corrente di corto circuito impostabile 0 - Max (0 - 5 A)
La prima cosa che salta all'occhio e' che la dissipazione max sul dispositivo finale di controllo (Transistor o Mosfet) per un canale e' >> 25 V * 4 A = 100 W.
Questo valore (100 W) e' poco praticabile e richiede topologie circuitali piu' complesse di quelle da te ipotizzate per ridurre tale dissipazione.
La seconda cosa e' che - come detto - occorre poter impostare una corrente dicorto circuito compresa tra 0 e Max.
Con le topolgie circuitali proposte questo non e' possibile o poco efficiente.
LM337 e' ottimo sotto l'aspetto di autoprotezione (non si rompe se metti in corto circuito l'uscita o non lo dissipi a sufficienza) ma si presta male e impostare una corrente massima di corto circuito.
Una risposta alla tua richiesta (alimentatore da banco) e' "impossibile"

perche' spazia da:
- compralo (spendi meno e funziona meglio - ma non impari niente)
a
- studia bene l'elettronica di potenza, i uC e la programmazione e costruiscilo.
Qui sotto alcuni link che toccano molti aspetti sulla costruzione di un alimentore (da banco e non):
***** Rod Elliott e' una persona molto preparata con alta capacita' didattica
-- Bench Power Supplies - Buy Or Build?
https://sound-au.com/articles/bench-supply.htm-- nella pagina linkata qui sotto cerca la sezione Power Supply Design e leggi tutti gli articoli
https://sound-au.com/articles/index.htm#psud-- qui tutti i progetti di Rod Elliott sugli alimentatori
https://sound-au.com/p-cat.htm#psu***** DC POWER SUPPLY HANDBOOK (della Agilent (ex HP - enough said))
una analisi approfondita di tutte le tipologie di alimentatori
https://archive.org/details/DC_Power_Su ... B/mode/2up***** un progetto DIY programmable dual channel bench PSU 0-50V/3A
Realizzazione ben documentata dal forum diyaudio.com
https://www.diyaudio.com/community/thre ... 3a.268220/Se sei arrivato fin qui a leggere tieni presente che quanto riportato sopra e' una frazione (piccola a piacere) di tutto quello che esiste sull'argomento alimentatori.
P.S. riguardo le specifiche di un alimentatore triplo (eroga 3 tensioni) "professionale" anni 80 delle Elind (ditta italiana) +/- 0- 20 V 1 A 0- 8 V 6 A guarda i dati di targa in figura