Buongiorno, da qualche tempo ho problemi con la mia caldaia che non riesco a risolvere.
Nello specifico quando apro il rubinetto dell'acqua calda la caldaia ci mette una trentina di secondi ad accendersi e di conseguenza l'acqua calda tarda ad arrivare; questo succede ad ogni chiusura e riapertura di rubinetto.
Sino ad oggi mi è stato effettuato un intervento di pulizia di alcuni componenti della caldaia quali:
- Pistone interno valvola a tre vie
- Flussostato
- Pressostato mancanza acqua
All'apertura del rubinetto dell'ACS succede quando segue:
1. Si modifica lo stato del flussostato (verificato col tester)
2. Si aziona il circolatore
3. il ventilatore parte dopo 20/30 secondi (dal momento della partenza del ventilatore dopo pochi istanti parte tutto)
Il punto 3 mi sembra un po' strano. Qualcuno sa dirmi quale potrebbe essere il problema? Un problema di scheda? Un problema di pressostato? Altro?
NB: non c'è attiva alcuna impostazione quale "comfort", "eco" o altro...
Problemi ACS Vaillant Turbo inwall VMW IT 242 - 5l
Moderatori:
paolo a m,
DarioDT,
Guerra
36 messaggi
• Pagina 1 di 4 • 1, 2, 3, 4
0
voti
wackos ha scritto:Sino ad oggi mi è stato effettuato un intervento di pulizia di alcuni componenti della caldaia quali:
- Pistone interno valvola a tre vie
- Flussostato
- Pressostato mancanza acqua
All'apertura del rubinetto dell'ACS succede quando segue:
1. Si modifica lo stato del flussostato (verificato col tester)
2. Si aziona il circolatore
3. il ventilatore parte dopo 20/30 secondi (dal momento della partenza del ventilatore dopo pochi istanti parte tutto)
Il punto 3 mi sembra un po' strano. Qualcuno sa dirmi quale potrebbe essere il problema? Un problema di scheda? Un problema di pressostato? Altro?
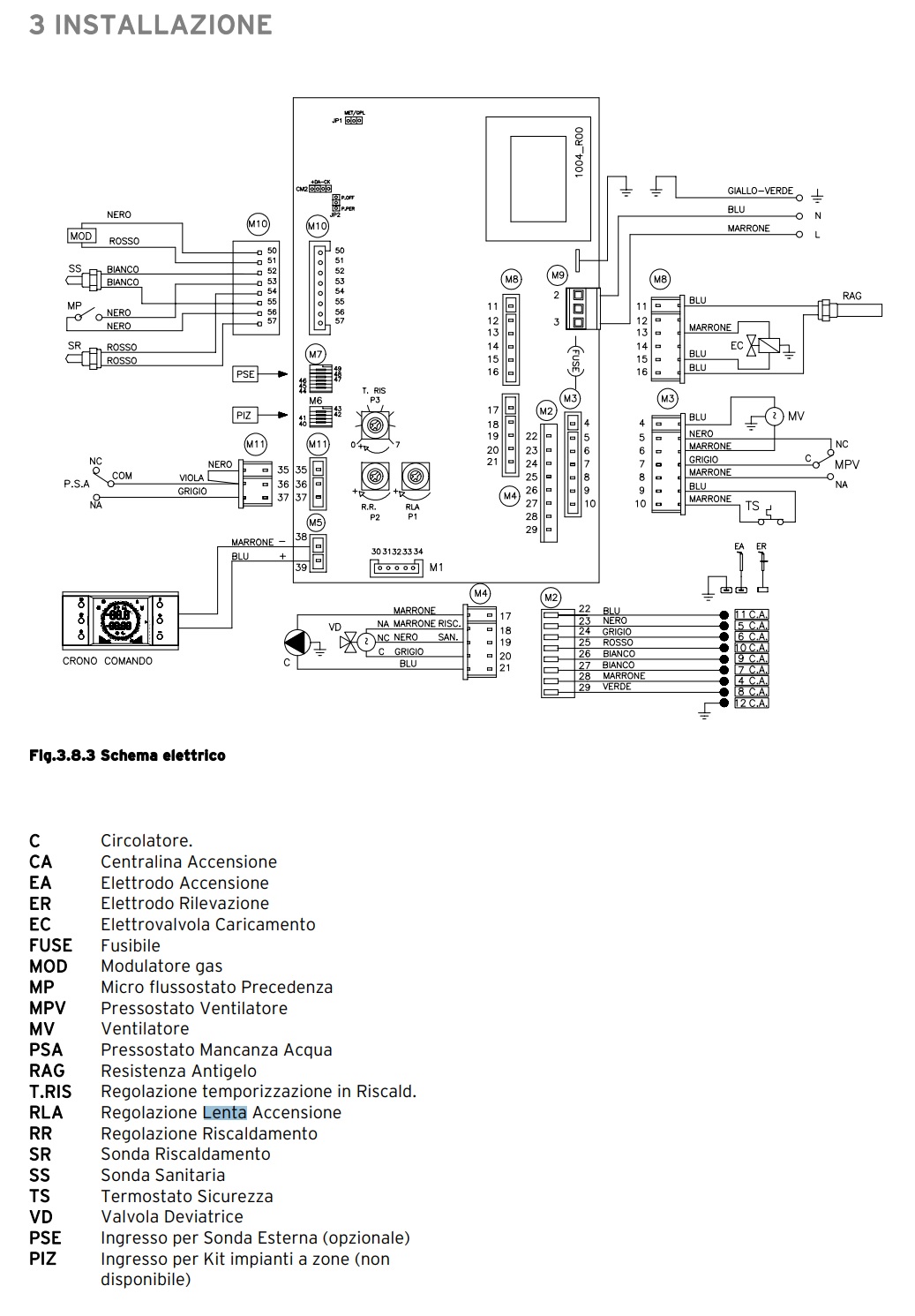
In allegato lo schema elettrico e la foto della scheda della caldaia.
Io, in relazione a quanto scrivi, farei I seguenti controlli preliminari:
- P.S.A. Pressostato Mancanza Acqua Il commutatore deve dare sempre in consenso (Posizione NA) indipendentemente da tutto - misura statica
- misura della tensione di accensione del ventilatore Fili Blu (4)-
0
voti
Ti ringrazio per il riscontro e ti comunico quanto segue:
1. PSA il circuito è sempre chiuso quindi immagino sia OK
2. la tensione di accensione del ventilatore arriva pochi istanti prima che il ventilatore parta
Portebbe essere altro? un problema di scheda?
1. PSA il circuito è sempre chiuso quindi immagino sia OK
2. la tensione di accensione del ventilatore arriva pochi istanti prima che il ventilatore parta
Portebbe essere altro? un problema di scheda?
0
voti
wackos ha scritto:Ti ringrazio per il riscontro e ti comunico quanto segue:
1. PSA il circuito è sempre chiuso quindi immagino sia OK
2. la tensione di accensione del ventilatore arriva pochi istanti prima che il ventilatore parta
Portebbe essere il pressostato fumi che non da il via libera alla scheda per far partire il ventilatore? si può verificare?
Grazie per le misure.
La commutazione del pressostato fumi MPV e' una conseguenza - non una causa - della partenza del ventilatore cioe':
- il ventilatore parte
e poi
- il pressostato fumi commuta.
So far so good, ma...
Il circuito relativo all' MPV e' piu' raffinato (dovrebbe essere del tipo "a sicurezza positiva") - infatti e' un commutatore e non uno switch.
Con molta presunzione da parte mia
Fai riferimento allo schema elettrico connettore M3 filo nero (5) grigio (7) marrone (8) e MPV
(nel post precedente c'e' un errore sul colore e numerazione dei fili del ventilatore - errore che andro' a correggere dopo aver spedito questo post).
- in condizioni di "riposo" della caldaia "no riscaldamento - no acqua calda" il commutatore MPV e' in posizione NC perche':
- il ventilatore e' spento e l'MPV non e' attivo - se l'MPV non ha il contatto NC chiuso in questa condizione vuol dire che il contatto NA e' "incollato" in posizone NA e qiindi l'MPV darebbe sempre il consenso anche a ventilatore spento.
CONDIZONE DI MASSIMO PERICOLO POTENZIALE - E QUINDI LA CATENA DI CONSENSO VENTILATORE -> PRESSOSTATO FUMI -> ACCENSIONE GAS NON SI ATTIVA
La scheda di controllo prima di far partire il ventilatore controlla che l'MPV sia in posizione NC
Occorre quindi verificare che in condizone di riposo (caldaia "non attiva" come definita prima) l'MPV sia con il contatto NC chiuso.
In questo caso la tua domanda qui sotto avrebbe pieno senso:
Portebbe essere il pressostato fumi che non da il via libera alla scheda per far partire il ventilatore? si può verificare?
Occorre quindi verificare che con la caldaia in condizione di riposo l'MPV sia in posizione NC.
0
voti
Secondo me, il problema non risiede in questa scheda, penso più alla scheda accensione.
-

elektronik
7.800 4 6 7 - Master

- Messaggi: 3836
- Iscritto il: 12 mag 2015, 22:26
0
voti
Ho fatto la verifica e come mi hai spiegato, l'MPV, quando la caldaia è spenta, è in posizione normalmente chiuso mentre invece quando la caldaia parte il contatto va in posizione normalmente aperta.
Quindi penso che il pressostato funzioni correttamente.
Una cosa probabilmente importante che mi son dimenticato è la seguente: quando la caldaia va "in tilt" e non parte l'ACS, devo accendere il riscaldamento per permettere alla caldaia di accendersi e poi commutare sull'impianto di ACS.
Quindi penso che il pressostato funzioni correttamente.
Una cosa probabilmente importante che mi son dimenticato è la seguente: quando la caldaia va "in tilt" e non parte l'ACS, devo accendere il riscaldamento per permettere alla caldaia di accendersi e poi commutare sull'impianto di ACS.
0
voti
wackos ha scritto:Una cosa probabilmente importante che mi son dimenticato è la seguente: quando la caldaia va "in tilt" e non parte l'ACS, devo accendere il riscaldamento per permettere alla caldaia di accendersi e poi commutare sull'impianto di ACS.
Questi sono dettagli "(il "tilt" e accensione riscaldamento) che avevi omesso e che cambiano completamente le regole del gioco.
- Se i problemi sono sorti immeditamente dopo la manutenzione che hai indicato chiamerei il tecnico di nuovo cercando di trovare una correlazione tra l'intervento e il malfunzionamento
- https://www.ricambipercaldaie.it/ qui trovi il ricambio della scheda - non ci sono certezze che la causa risieda nella scheda - il prezzo e' "salato" - prima di acquistare chiedi alla ditta compatibilita' - scheda -> tua caldaia - ho acquistato da questa ditta e mi sono trovato bene
- alcuni test ulteriori sono possibili ma non pubblicabili sul forum perche' pericolosi
0
voti
i problemi sono antecedenti all'intervento di pulizia effettuato.
Tale intervento infatti è stato fatto proprio per capire se si riuscissero a risolvere i problemi riscontrati.
Cosa intendi con test "pericolosi"?
Tale intervento infatti è stato fatto proprio per capire se si riuscissero a risolvere i problemi riscontrati.
Cosa intendi con test "pericolosi"?
0
voti
Proviamo a riepilogare:
1) la caldaia aveva i problemi descritti nel post [1]
2) hai chiamato l'assistenza per i detti problemi
3) il tecnico ha affettuato un intervento che non ha risolto il problema (ha almeno tentato una ipotesi di guasto o ha "tirato a caso"?)
4) hai effettuato alcune misure e verifiche senza trovare anomalie
Domande:
5) e' questa una ragionevole descrizione della situazione al momento attuale?
6) che competenze elettriche e elettroniche hai?
7) di che strumentazione disponi?
8) sei consapevole che a bordo della scheda c'e' un microcontrollore (che rende "maledettamente difficile" ogni diagnostica)?
1) la caldaia aveva i problemi descritti nel post [1]
2) hai chiamato l'assistenza per i detti problemi
3) il tecnico ha affettuato un intervento che non ha risolto il problema (ha almeno tentato una ipotesi di guasto o ha "tirato a caso"?)
4) hai effettuato alcune misure e verifiche senza trovare anomalie
Domande:
5) e' questa una ragionevole descrizione della situazione al momento attuale?
6) che competenze elettriche e elettroniche hai?
7) di che strumentazione disponi?
8) sei consapevole che a bordo della scheda c'e' un microcontrollore (che rende "maledettamente difficile" ogni diagnostica)?
0
voti
Buongiorno,
Il quadro della situazione è corretto.
Ho un tester ma non penso che le mie competenze siano tali da poter verificare una scheda con un microcontrollore che risulta difficile da controllare.
Mi sa che senza spiegazioni dettagliati sia opportuno fermarsi qua.
Il tuo consiglio è quello di sostituire la scheda?
Il quadro della situazione è corretto.
Ho un tester ma non penso che le mie competenze siano tali da poter verificare una scheda con un microcontrollore che risulta difficile da controllare.
Mi sa che senza spiegazioni dettagliati sia opportuno fermarsi qua.
Il tuo consiglio è quello di sostituire la scheda?
36 messaggi
• Pagina 1 di 4 • 1, 2, 3, 4
Torna a Termotecnica, illuminotecnica, acustica
Chi c’è in linea
Visitano il forum: Nessuno e 9 ospiti

Elettrotecnica e non solo (admin)
Un gatto tra gli elettroni (IsidoroKZ)
Esperienza e simulazioni (g.schgor)
Moleskine di un idraulico (RenzoDF)
Il Blog di ElectroYou (webmaster)
Idee microcontrollate (TardoFreak)
PICcoli grandi PICMicro (Paolino)
Il blog elettrico di carloc (carloc)
DirtEYblooog (dirtydeeds)
Di tutto... un po' (jordan20)
AK47 (lillo)
Esperienze elettroniche (marco438)
Telecomunicazioni musicali (clavicordo)
Automazione ed Elettronica (gustavo)
Direttive per la sicurezza (ErnestoCappelletti)
EYnfo dall'Alaska (mir)
Apriamo il quadro! (attilio)
H7-25 (asdf)
Passione Elettrica (massimob)
Elettroni a spasso (guidob)
Bloguerra (guerra)


