Guasto elettrico scaldabagno istantaneo a gas
5 messaggi
• Pagina 1 di 1
0
voti
Ciao, ho uno scaldabagno istantaneo a gas tipo C Sylber Devyl 13-17 del 2008 (ultima manutenzione marzo 2021) che ha questo guasto: dopo circa 1 minuto di produzione di acqua calda (varia tra 30 secondi e 2 minuti) fa scattare il magnetotermico e poi va in blocco. Quando arriverà il tecnico, sono sicuro che mi dirà di sostituirlo, voi cosa dite? Serve solo per l'acqua calda per 2/3 persone; nel caso vada sostituito, cosa consigliate di comprare? Grazie mille!
1
voti
Molto dipende dalla tua competenza nel saper lavorare in sicurezza su appercchiature elettriche.
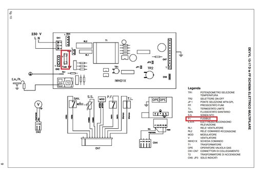
Qui trovi il manuale del tuo scaldabagno
https://www.schede-tecniche.it/schede-t ... -POLAR.pdf
e in allegato lo schema elettrico a pagina 9 del manuale (e del PDF).
Come vedi - cerchiato in rosso - c''e' un fusibile da 2AF.
Se dici che "fa scattare il magnetotermico" e non salta I fusibile sembrerebbe che sia la parte differenziale (il cosiddetto salvavita) del tuo interruttore che salta.
Prova a postare una foto del tuo interruttore evidenziando la levetta/tasto che si aziona quando scatta.
Se la mia ipotesi e' giusta dovrebbe trattarsi di una dispersione verso terra (invece che un cortocircuito) e la causa potrebbe ssere sia nella scheda elettronica sia nei dispositivi comandati (es ventilatore).
Per la diagnosi occorre:
- ripeto, saper lavorare in sicurezza su appercchiature elettriche
- avere un po' di strumentazione
- tanta pazienza per fare varie prove
Se puoi invia altre info
In questo sito trovi i ricambi - scheda elettronica, ventilatore ed altro - per il tuo scaldabagno.
Se decidi di comprare, contattali per vere conferma della compatibilita' del ricambio con il tuo scaldabagno.
Io ho acquistato da loro in passato e mi sono trovato bene.
https://www.ricambipercaldaie.it/
Qui trovi il manuale del tuo scaldabagno
https://www.schede-tecniche.it/schede-t ... -POLAR.pdf
e in allegato lo schema elettrico a pagina 9 del manuale (e del PDF).
Come vedi - cerchiato in rosso - c''e' un fusibile da 2AF.
Se dici che "fa scattare il magnetotermico" e non salta I fusibile sembrerebbe che sia la parte differenziale (il cosiddetto salvavita) del tuo interruttore che salta.
Prova a postare una foto del tuo interruttore evidenziando la levetta/tasto che si aziona quando scatta.
Se la mia ipotesi e' giusta dovrebbe trattarsi di una dispersione verso terra (invece che un cortocircuito) e la causa potrebbe ssere sia nella scheda elettronica sia nei dispositivi comandati (es ventilatore).
Per la diagnosi occorre:
- ripeto, saper lavorare in sicurezza su appercchiature elettriche
- avere un po' di strumentazione
- tanta pazienza per fare varie prove
Se puoi invia altre info
In questo sito trovi i ricambi - scheda elettronica, ventilatore ed altro - per il tuo scaldabagno.
Se decidi di comprare, contattali per vere conferma della compatibilita' del ricambio con il tuo scaldabagno.
Io ho acquistato da loro in passato e mi sono trovato bene.
https://www.ricambipercaldaie.it/
0
voti
grazie per la risposta, elfo, purtroppo per me non sono in grado di eseguire operazioni del genere; ho allegato una foto, sono praticamente sicuro che l'interruttore che saltava e si riarmava è lo stop&go, mentre non sono sicuro che l'interruttore principale F80SG rimanesse nella sua posizione on o si riarmasse pure lui: non posso più verificarlo perché adesso lo scaldabagno non parte neanche più per almeno quel minuto, adesso sta spento e basta.
Certo che dici bene, se i tecnici che verranno mi dicessero che la riprazione costa uno sproposito, sarebbe interessante la possibilità di sostituire la scheda, ma mi viene il dubbio che il guasto possa essere dovuto per es a un accumulo di sporco, e quindi non serva, oppure che loro mi vendano la spiegazione che è meglio cambiare tutto perché magari i nuovi impianti sono più funzionali e economici.
Non so, se vuoi puoi dirmi tu che faresti nel caso non avessi come me le competenze per autoriparazioni o autopulizie, grazie mille! Casomai chiedo di là, ho visto che c'è il forum di fisica tecnica apposta per orientarsi su queste apparecchiature...
Certo che dici bene, se i tecnici che verranno mi dicessero che la riprazione costa uno sproposito, sarebbe interessante la possibilità di sostituire la scheda, ma mi viene il dubbio che il guasto possa essere dovuto per es a un accumulo di sporco, e quindi non serva, oppure che loro mi vendano la spiegazione che è meglio cambiare tutto perché magari i nuovi impianti sono più funzionali e economici.
Non so, se vuoi puoi dirmi tu che faresti nel caso non avessi come me le competenze per autoriparazioni o autopulizie, grazie mille! Casomai chiedo di là, ho visto che c'è il forum di fisica tecnica apposta per orientarsi su queste apparecchiature...
1
voti
Calma e gesso
Le info che hai fornito sono importanti
Lo stop&go e' un differenziale ed il fatto che scattasse confermerebbe l'ipotesi che la causa sia una dispersione e non un cortocircuito.
Confermi che lo stop&go alimenta solo lo scaldabagno e non altri circuiti della casa?
Il fatto che adesso lo scaldabagno non si accenda piu' facilita la ricerca del guasto in quanto la rottura e' "permanente" e non "intermittente".
Il fatto che lo scaldabagno adesso non si accenda piu' - se lo stop&go rimane armato - potrebbe - in contrasto con quanto ipotizzato precedentemente - indicare che e' saltato il fusibile sula scheda (vedi post precedente) e quindi il guasto sia degenerato in un cortocircuito.
Come vedi occorrerebbe fare qualche altra prova per avere certezze.
In ogni caso chiama il tecnico cercando fornire poche ma chiare info.
Provo a rispondere alla tue varie osservazioni.
Non credo il problema sia dovuto ad un accumulo di sporco (a meno che non ci sia veramente molto sporco)
Io farei presente al tecnico - senza fare il "saputo" ma assicurandomi che comprenda bene quello che gli dici - che l'interruttore che inizialmente scattava era un differenziale che rivela le dispersioni (lo stop&go).
I componenti dello scaldabagno piu' sospetti a rottura sono quelli alimentati direttamente dalla rete a 230 V (es. ma non solo, il ventilatore) perche' la maggioranza degli altri componenti sono sulla scheda o isolati in quanto alimentati da un traformatore a bassa tensione.
La ricerca del guasto puntuale dipende molto dalla volonta' e pazienza del tecnico di cercarlo.
Per quanto riguarda il costo dei componenti come parti di ricambio puoi farti un'idea sul sito che ti ho gia linkato nel post precedente:
https://www.ricambipercaldaie.it/
Cerca sul tuo scaldabagno la targhetta con il modello esatto e cerca I ricambi (ventilatore, scheda...) sul sito indicato.
Sulla convenienza economica di riparare/sostituire valuta in funzione:
- del costo dei ricambi/riparazione
- di quanto e' "vecchio"/ha lavorato lo scaldabagno
- dai preventivi (almeno 3) che chiederai per cambiarlo
Le info che hai fornito sono importanti
orsobubu ha scritto:sono praticamente sicuro che l'interruttore che saltava e si riarmava è lo stop&go, mentre non sono sicuro che l'interruttore principale F80SG rimanesse nella sua posizione
Lo stop&go e' un differenziale ed il fatto che scattasse confermerebbe l'ipotesi che la causa sia una dispersione e non un cortocircuito.
orsobubu ha scritto:non posso più verificarlo perché adesso lo scaldabagno non parte neanche più per almeno quel minuto, adesso sta spento e basta.
Confermi che lo stop&go alimenta solo lo scaldabagno e non altri circuiti della casa?
Il fatto che adesso lo scaldabagno non si accenda piu' facilita la ricerca del guasto in quanto la rottura e' "permanente" e non "intermittente".
Il fatto che lo scaldabagno adesso non si accenda piu' - se lo stop&go rimane armato - potrebbe - in contrasto con quanto ipotizzato precedentemente - indicare che e' saltato il fusibile sula scheda (vedi post precedente) e quindi il guasto sia degenerato in un cortocircuito.
Come vedi occorrerebbe fare qualche altra prova per avere certezze.
In ogni caso chiama il tecnico cercando fornire poche ma chiare info.
Provo a rispondere alla tue varie osservazioni.
Non credo il problema sia dovuto ad un accumulo di sporco (a meno che non ci sia veramente molto sporco)
Io farei presente al tecnico - senza fare il "saputo" ma assicurandomi che comprenda bene quello che gli dici - che l'interruttore che inizialmente scattava era un differenziale che rivela le dispersioni (lo stop&go).
I componenti dello scaldabagno piu' sospetti a rottura sono quelli alimentati direttamente dalla rete a 230 V (es. ma non solo, il ventilatore) perche' la maggioranza degli altri componenti sono sulla scheda o isolati in quanto alimentati da un traformatore a bassa tensione.
La ricerca del guasto puntuale dipende molto dalla volonta' e pazienza del tecnico di cercarlo.
Per quanto riguarda il costo dei componenti come parti di ricambio puoi farti un'idea sul sito che ti ho gia linkato nel post precedente:
https://www.ricambipercaldaie.it/
Cerca sul tuo scaldabagno la targhetta con il modello esatto e cerca I ricambi (ventilatore, scheda...) sul sito indicato.
Sulla convenienza economica di riparare/sostituire valuta in funzione:
- del costo dei ricambi/riparazione
- di quanto e' "vecchio"/ha lavorato lo scaldabagno
- dai preventivi (almeno 3) che chiederai per cambiarlo
0
voti
In tanti anni che frequento prima gli usergroup e poi forum in generale (detesto invece i social), non avevo mai incontrato qualcuno che desse risposte così precise, grazie adesso so cosa fare, farò esattamente quello che mi hai detto col tecnico! Unica cosa da aggiungere, lo stop&go alimenta tutto il circuito della casa, per una settimana circa scattava dopo un minuto di acqua calda e poi si riarmava (e lo scaldabagno poi restava bloccato), adesso non scatta più perché lo scldabagno non parte proprio. Sullo sporco è vero, non dev'essere quello, ricordo che all'ulima manutenzione nel 2021, dopo molti anni, avevano detto che ce n'era pochissimo, che non valeva neanche la pena pulirlo. Cavolo, fantastico questo forum! grazie elfo, mio guru!
5 messaggi
• Pagina 1 di 1
Torna a Costruzione, riparazione, riutilizzo
Chi c’è in linea
Visitano il forum: Nessuno e 45 ospiti

Elettrotecnica e non solo (admin)
Un gatto tra gli elettroni (IsidoroKZ)
Esperienza e simulazioni (g.schgor)
Moleskine di un idraulico (RenzoDF)
Il Blog di ElectroYou (webmaster)
Idee microcontrollate (TardoFreak)
PICcoli grandi PICMicro (Paolino)
Il blog elettrico di carloc (carloc)
DirtEYblooog (dirtydeeds)
Di tutto... un po' (jordan20)
AK47 (lillo)
Esperienze elettroniche (marco438)
Telecomunicazioni musicali (clavicordo)
Automazione ed Elettronica (gustavo)
Direttive per la sicurezza (ErnestoCappelletti)
EYnfo dall'Alaska (mir)
Apriamo il quadro! (attilio)
H7-25 (asdf)
Passione Elettrica (massimob)
Elettroni a spasso (guidob)
Bloguerra (guerra)

