Soluzione più "antica".
Si potrebbe utilizzare un normale oscillatore ujt, 2transistor, 555 ecc. già fatto.
In parallelo alla resistenza del gruppo oscillatore RC si mette una fotoresistenza.
La fotoresistenza accoppiata otticamente con lampadina o led pilotato dalla corrente proporzionale alla tensione da monitorare.
Oltre all'oscillatore (già fatto) serve un transistor un led e una fotoresistenza.
Ciao
Generatore tono audio in funzione tensione DC
Moderatori:
carloc,
g.schgor,
BrunoValente,
IsidoroKZ
23 messaggi
• Pagina 2 di 3 • 1, 2, 3
0
voti
Nel primo post
MarcoD ha dato le specifiche tecniche del progetto. Mossa molto apprezzata, di solito l'idea iniziale è molto vaga.
Questo significa che un po' di brainstorming ci può stare, ma bisogna tenere conto delle richieste iniziali.
Una delle quali è il pilotaggio di altoparlanti fin giú a 8 ohm di impedenza. Questo già esclude tutte le soluzioni che pilotano l'altoparlante direttamente da un GPIO (di un microcontroller, di una logica discreta, del 99% dei comparatori o op-amp). Anche il 555, che ha uno stadio d'uscita molto solido, non ce la fa.
Quindi ci serve un transistor in uscita e questo un po' cozza con la richiesta di avere il minimo numero di componenti possibile.
un altro "problema" è la tensione di controllo che parte da 0V (non sarebbe un problema con un'alimentazione duale) e l'impedenza d'ingresso richiesta (che l'ingresso di un ADC da MCU non può garantire in tutte le condizioni d'utilizzo possibili).
Le specifiche date, se le consideriamo come un sistema d'equazioni, portano ad un sistema impossibile (troppi vincoli, in contraddizione tra loro).
Bisogna rilassarle un po'. La cosa che da tecnico tenderei a fare è accettare una complessità circuitale maggiore che però mi permetta di mantenere tutte le altre richieste.
Se è un progetto hobbistico la realtà è però spesso un'altra: si rilassano le specifiche funzionali pur di avere un circuito semplice
Attualmente la soluzione meno complessa che mi passa per la testa è l'uso di un comparatore con pull-up attivo (per esempio LT1017, c'è anche in DIP) che carica un condensatore e ne compara la tensione con quella di controllo. Un transistor in uscita pilota l'altoparlante. La difficoltà qui è la tensione di controllo che parte da zero. Se ci fosse un po' di offset funzionerebbe senza problemi.
Uno sviluppo di questa opzione è l'uso di un op-amp di potenza e realizzarci attorno una soluzione simile, ma non ne conosco che lavorino a tensioni così basse.
Se dovessi farlo io:
opamp per buffering e amplificazione --> ADC di un microcontroller --> PWM out --> transistor
OPPURE
opamp per buffering e amplificazione --> oscillatore attorno ad un comparatore --> transistor
La seconda è piú "elegante", la prima è piú flessibile ed adattabile a modifiche future.
Boiler
Questo significa che un po' di brainstorming ci può stare, ma bisogna tenere conto delle richieste iniziali.
Una delle quali è il pilotaggio di altoparlanti fin giú a 8 ohm di impedenza. Questo già esclude tutte le soluzioni che pilotano l'altoparlante direttamente da un GPIO (di un microcontroller, di una logica discreta, del 99% dei comparatori o op-amp). Anche il 555, che ha uno stadio d'uscita molto solido, non ce la fa.
Quindi ci serve un transistor in uscita e questo un po' cozza con la richiesta di avere il minimo numero di componenti possibile.
un altro "problema" è la tensione di controllo che parte da 0V (non sarebbe un problema con un'alimentazione duale) e l'impedenza d'ingresso richiesta (che l'ingresso di un ADC da MCU non può garantire in tutte le condizioni d'utilizzo possibili).
Le specifiche date, se le consideriamo come un sistema d'equazioni, portano ad un sistema impossibile (troppi vincoli, in contraddizione tra loro).
Bisogna rilassarle un po'. La cosa che da tecnico tenderei a fare è accettare una complessità circuitale maggiore che però mi permetta di mantenere tutte le altre richieste.
Se è un progetto hobbistico la realtà è però spesso un'altra: si rilassano le specifiche funzionali pur di avere un circuito semplice
Attualmente la soluzione meno complessa che mi passa per la testa è l'uso di un comparatore con pull-up attivo (per esempio LT1017, c'è anche in DIP) che carica un condensatore e ne compara la tensione con quella di controllo. Un transistor in uscita pilota l'altoparlante. La difficoltà qui è la tensione di controllo che parte da zero. Se ci fosse un po' di offset funzionerebbe senza problemi.
Uno sviluppo di questa opzione è l'uso di un op-amp di potenza e realizzarci attorno una soluzione simile, ma non ne conosco che lavorino a tensioni così basse.
Se dovessi farlo io:
opamp per buffering e amplificazione --> ADC di un microcontroller --> PWM out --> transistor
OPPURE
opamp per buffering e amplificazione --> oscillatore attorno ad un comparatore --> transistor
La seconda è piú "elegante", la prima è piú flessibile ed adattabile a modifiche future.
Boiler
0
voti
Condivido le osservazioni di Boiler.
Se questo pomeriggio riesco a trovare da Pinto elettronica un 74HC4046, procedo con quello. In ogni modo comprerò anche un uP ATtiny V-10PU, che però mi pare sprecato per l'applicazione.
Il tutto serve per preparami a tarare/posizionare per il massimo segnale una antenna direttiva senza dover osservare l'intensità del segnale sul display del ricevitore, ma ascoltando il tono audio.
Il ricevitore ha una uscita 0-5V con Ri 4,7k per l'intensità del segnale (circa 0 - 1 mA in cortocircuito).
Il mio è un progetto hobbistico in parte con materiale di recupero. Per lo più un passatempo.
Concordo, l'altoparlantino da 8 ohm, non va bene, dovrei pilotarlo con un LM386.
Ho recuperato un buzzer (ronzatore) tipo KC1206 di cui ho trovato le specifiche che allego. La risposta in frequenza per i toni bassi è quella che è, spero sia accettabile.
Si dovrebbe pilotare solo con un transistor, o forse direttamente dal CMOS. Proverò.
Sono contento dei suggerimenti ricevuti, che mi aiutano ad affrontare il problema con soluzioni diverse.
https://www.lcsc.com/datasheet/lcsc_dat ... 781869.pdf
Se questo pomeriggio riesco a trovare da Pinto elettronica un 74HC4046, procedo con quello. In ogni modo comprerò anche un uP ATtiny V-10PU, che però mi pare sprecato per l'applicazione.
Il tutto serve per preparami a tarare/posizionare per il massimo segnale una antenna direttiva senza dover osservare l'intensità del segnale sul display del ricevitore, ma ascoltando il tono audio.
Il ricevitore ha una uscita 0-5V con Ri 4,7k per l'intensità del segnale (circa 0 - 1 mA in cortocircuito).
Il mio è un progetto hobbistico in parte con materiale di recupero. Per lo più un passatempo.
Concordo, l'altoparlantino da 8 ohm, non va bene, dovrei pilotarlo con un LM386.
Ho recuperato un buzzer (ronzatore) tipo KC1206 di cui ho trovato le specifiche che allego. La risposta in frequenza per i toni bassi è quella che è, spero sia accettabile.
Si dovrebbe pilotare solo con un transistor, o forse direttamente dal CMOS. Proverò.
Sono contento dei suggerimenti ricevuti, che mi aiutano ad affrontare il problema con soluzioni diverse.
https://www.lcsc.com/datasheet/lcsc_dat ... 781869.pdf
0
voti
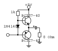
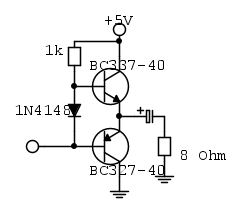
Se non ti interessa che il segnale in uscita sia una sinusoide pura con bassa distorsione, potresti semplicemente aggiungere due transistor all'uscita del VCO e realizzare un amplificatore in classe B:
-

SediciAmpere
4.187 5 5 8 - Master

- Messaggi: 4847
- Iscritto il: 31 ott 2013, 15:00
0
voti
MarcoD ha scritto:Se questo pomeriggio riesco a trovare da Pinto elettronica un 74HC4046
Che è un DIP-16. Come quantità di saldature siamo alla pari di un opamp duale + un comparatore duale, con i quali si può realizzare un signor circuito!
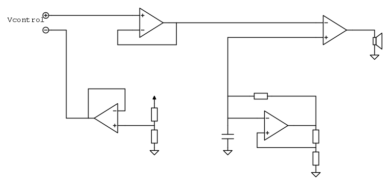
Opamp 1: buffer di ingresso per la tensione di controllo
Opamp 2: realizzazione di un ground virtuale a 2.5 V (mezza tensione di alimentazione)
Comparatore 1: oscillatore
Comparatore 2: prende in ingresso la tensione di controllo e l'oscillatore realizzando così un PWM pilotato in tensione.
Sinceramente non credo che una variazione del duty sia udibile.
Probabilmente quello che intendi è un cicalino a frequenza fissa che viene acceso e spento variando il duty, ottenendo così un effetto simile a quello dei sensori di parcheggio.
Qualcosa così:
Quelli a sinistra sono op-amps. Quello in alto è disegnato come inseguitore di tensione, ma in realtà servirà ad adattare la tensione di controllo (0 - 2V) al punto di lavoro dell'oscillatore.
Quelli a destra sono comparatori. In basso l'oscillatore, in alto quello che genera il PWM.
Quello che è disegnato come altoparlante deve essere in realtà un cicalino.
Se il comparatore è open-drain/collector lo schema va ovviamente adattato di conseguenza.
Boiler
0
voti
Secondo me con un chip progettato espressamente per realizzare questa funzione si può fare quanto desiderato in modo più semplice.
Ad esempio XR4151 si trova in versione 8pin Dip e necessita di pochi componenti esterni.
In uscita potrebbe bastare un transistor con cui pilotare un buzzer o un piccolo altoparlante.
Poi per carità se si preferisce utilizzare il materiale già acquistato e subito disponibile ben venga la versione a due operazionali e due comparatori.
Tratto da manuale Exar XR4151 pag. 5.
Il pdf è al messaggio [3].
Ciao
P. S. Anche Lm331 dovrebbe avere caratteristiche molto simili.
Ad esempio XR4151 si trova in versione 8pin Dip e necessita di pochi componenti esterni.
In uscita potrebbe bastare un transistor con cui pilotare un buzzer o un piccolo altoparlante.
Poi per carità se si preferisce utilizzare il materiale già acquistato e subito disponibile ben venga la versione a due operazionali e due comparatori.
Tratto da manuale Exar XR4151 pag. 5.
Il pdf è al messaggio [3].
Ciao
P. S. Anche Lm331 dovrebbe avere caratteristiche molto simili.
600 Elettra
0
voti
Ecco lo schema della versione con LM331.
Tratto da manuale National pag.8 In allegato.
Altri esempi interessanti a pag. 11.
Ciao
Tratto da manuale National pag.8 In allegato.
Altri esempi interessanti a pag. 11.
Ciao
- Allegati
-
Lm331.pdf- (785.22 KiB) Scaricato 55 volte
600 Elettra
2
voti
Ho condotto le prime prove con il VCO del 74HC4046, funziona:
con V ingresso 2,46 V, F.segnale 784 Hz. Ma sotto 0,5 V non oscilla, proverò a aggiungere una R per introdurre un offset.
Montato i componenti sul breadboard, il trimmer 10k serve a impostare la tensione in ingresso. é alimentato provvoriamente a batteria di 6,3 V. Un resistore da 220 ohm in serie al +V riduce la alimentazione a circa 5V, filtrata da un 25 uF.
Ho avuto varie difficoltà per i falsi contatti del 120 k e 47 nF, maledetta breadboard, non mi ricordavo che i contatti fossero così instabili. Meglio saldare i componenti in aria.
Nel pomeriggio monterò NPN e cicalino.

0
voti
djnz ha scritto:stefanopc ha scritto:
- Codice: Seleziona tutto
uint32_t v100 = 100UL * analogRead(X_TENS) * VRIF / 1024;
tone(Q_SPK, map(v100, 0, 200, 100, 1000));
Per tensioni da 0V alla tensione di riferimento genera un tono da 100Hz a 1123Hz:
- Codice: Seleziona tutto
tone(2, 100+analogRead(A0));
Per la massima efficienza acustica, puoi usare un cicalino in cc, a frequenza costante, facendo dei bip a distanza variabile secondo la tensione applicata:
bip ----------- bip ----------- bip --- bip -- bip bip bipbipbipbipbip bip -- bip ---- bip ------------- bip
23 messaggi
• Pagina 2 di 3 • 1, 2, 3
Chi c’è in linea
Visitano il forum: Nessuno e 61 ospiti

Elettrotecnica e non solo (admin)
Un gatto tra gli elettroni (IsidoroKZ)
Esperienza e simulazioni (g.schgor)
Moleskine di un idraulico (RenzoDF)
Il Blog di ElectroYou (webmaster)
Idee microcontrollate (TardoFreak)
PICcoli grandi PICMicro (Paolino)
Il blog elettrico di carloc (carloc)
DirtEYblooog (dirtydeeds)
Di tutto... un po' (jordan20)
AK47 (lillo)
Esperienze elettroniche (marco438)
Telecomunicazioni musicali (clavicordo)
Automazione ed Elettronica (gustavo)
Direttive per la sicurezza (ErnestoCappelletti)
EYnfo dall'Alaska (mir)
Apriamo il quadro! (attilio)
H7-25 (asdf)
Passione Elettrica (massimob)
Elettroni a spasso (guidob)
Bloguerra (guerra)







