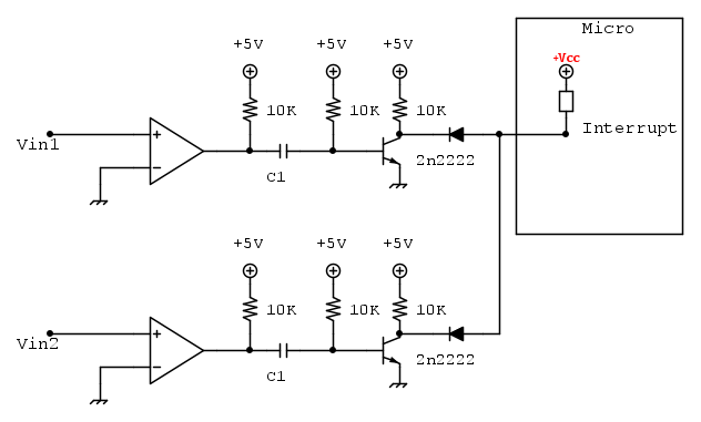
Ciao a tutti, avendo la necessità di generare un interrupt quando un livello analogico è maggiore di zero, mi chiedo se il seguente metodo è valido:
Generare impulso da segnale costante
Moderatori:
carloc,
g.schgor,
BrunoValente,
IsidoroKZ
11 messaggi
• Pagina 1 di 2 • 1, 2
0
voti
daniele1996 ha scritto:avendo la necessità di generare un interrupt quando un livello analogico è maggiore di zero
Questo potrebbe (molto forse) risolvere il tuo problema.
Dovresti dettagliare (molto) meglio il tuo problema.
0
voti
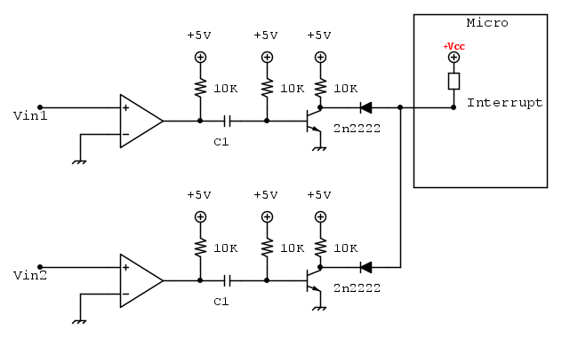
..avendo la necessità di generare un interrupt quando un livello analogico è maggiore di zero, mi chiedo se il seguente metodo è valido:
Conferma che la tua specifica è la seguente:
Quando la Vin sale passando da negativa a positiva genera un impulso.
Quando scende passando da positiva a negativa nulla.
con quale velocità varia la Vin ? volt al secondo ? al minuto ?
L'interrupt del micro viene attivato quando l'ingresso va basso ?
Nel tuo schema per la conduzione del transistor è sempre basso !! Quindi forse NON funziona.
0
voti
MarcoD ha scritto:Conferma che la tua specifica è la seguente:
Quando la Vin sale passando da negativa a positiva genera un impulso.
Si, questo, ora che ci faccio caso manca un altro transistor che inverte il livello logico (prima del diodo)
MarcoD ha scritto:con quale velocità varia la Vin ? volt al secondo ? al minuto ?
L'interrupt del micro viene attivato quando l'ingresso va basso ?
Nel tuo schema per la conduzione del transistor è sempre basso !! Quindi forse NON funziona.
Su Vin non posso caricare nulla, L'interrupt va generato quando la tensione è maggiore di zero e il comparatore è importate che saturi subito perché la tensione può assumere valori bassi (da circa 5mV a salire)
La Vin viene impostata ad una tensione e rimane tale fino a quando il micro non invia al dispositivo che "trasmette" un reset.
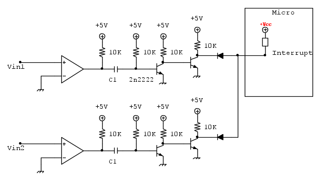
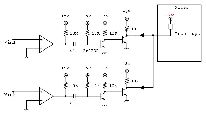
Aggiorno lo schema:
-

daniele1996
610 3 8 11 - Sostenitore

- Messaggi: 1554
- Iscritto il: 29 ago 2011, 11:29
0
voti
daniele1996 ha scritto:Su Vin non posso caricare nulla, L'interrupt va generato quando la tensione è maggiore di zero e il comparatore è importate che saturi subito perché la tensione può assumere valori bassi (da circa 5mV a salire)
Cerchiamo di definire le specs del comparatore:
- "nulla" quanto vale?
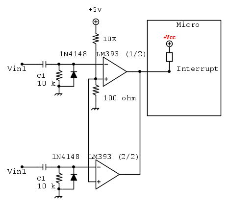
- l'LM393 ha un offset 2 mV typ 5 mV max @ T 25 C -> No bbbuono?
- l'LMV761 (precision comparator) ha un offset 0.2 mV typ 1 mV max @ Tmax -> OK?
- se vuoi un comparatore "1 ppm (1 LSB at 20 bits=1 ppm) of trip point noise" guarda questo Application Report di Jim Williams.
Pag 4 Filling out the Blocks (ultimo paragrafo) e Fig. 5 Pag. 5
https://www.ti.com/lit/an/snoa597b/snoa597b.pdf
- "saturi subito": subito quanto vale? di che "velocita" hai bisogno con 5 mV di overdirive?
PS. se vuoi invertire la logica del funzionamento del circuito inverti gli ingressi del comparatore e non aggiungere un ulteriore transistor per invertire.
0
voti
C'è un mosfet remoto che apre su una resistenza a massa, teoricamente non sarebbe un problema aggiungere qualcosina, ma preferirei non disturbare la linea, per quanto riguarda il comparatore, come detto in precedenza il segnale cambia valore non appena viene inviato un reset di lettura avvenuta, le tempistiche potrebbero passare anche alcuni millisecondi dalla ricezione del segnale all'elaborazione...
ho messo i componenti dopo il comparatore compreso la parte del condensatore per non toccare il segnale all'ingresso...
Un comparatore più sensibile credo non sia troppo necessario, il segnale partirebbe da 5mV che sarebbe il primo scalino dell'ADC ma in realtà nel software il primo scalino è compreso tra 25mV e 75mV
elfo ha scritto:PS. se vuoi invertire la logica del funzionamento del circuito inverti gli ingressi del comparatore e non aggiungere un ulteriore transistor per invertire.
ho messo i componenti dopo il comparatore compreso la parte del condensatore per non toccare il segnale all'ingresso...
Un comparatore più sensibile credo non sia troppo necessario, il segnale partirebbe da 5mV che sarebbe il primo scalino dell'ADC ma in realtà nel software il primo scalino è compreso tra 25mV e 75mV
-

daniele1996
610 3 8 11 - Sostenitore

- Messaggi: 1554
- Iscritto il: 29 ago 2011, 11:29
1
voti
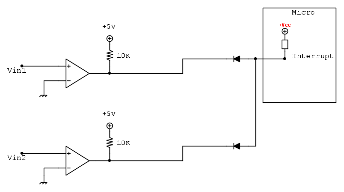
Semplificherei il circuito come sopra, forse funzionerebbe ugualmente male, ma almeno è più semplice
Anche il titolo è un ossimoro (contraddizione):
Generare impulso da segnale costante
Se è costante come fa a cambiare e generare l'impulso!
Avresti potuto scrivere " a lenta variazione" , ma forse non è quello che intendi.
Come nelle tue discussioni precedenti, non spieghi cosa vuoi fare ( è forse qualcosa di illegale o pericoloso?) e non rispondi alle domande, forse non sai le risposte.
Pubblichi schemi sbagliati, è poco probabile che tu giunga a qualcosa di funzionante.
ho messo i componenti dopo il comparatore compreso la parte del condensatore per non toccare il segnale all'ingresso...
Un comparatore più sensibile credo non sia troppo necessario
Non esiste il troppo necessario, o è necessario o è auspicabile o superfluo
E' come la frase " Sono solo un poco incinta "

0
voti
Il segnale costante sarebbe dopo il comparatore, in quel modo l'interrupt viene generato alla prima variazione di un ingresso, rendendo insensibile ad un altro ingresso la possibilità di generare nuovamente l'interrupt.
Nulla di illegale o di pericoloso, si tratta della domotica che come argomento è abbastanza vasto, quindi ne discuto a "moduli", questo magari può non piacere, ma credo sia meglio così.
Nulla di illegale o di pericoloso, si tratta della domotica che come argomento è abbastanza vasto, quindi ne discuto a "moduli", questo magari può non piacere, ma credo sia meglio così.
-

daniele1996
610 3 8 11 - Sostenitore

- Messaggi: 1554
- Iscritto il: 29 ago 2011, 11:29
0
voti
il tempo dell'impulso lo calcolo con il T = R*C dove R di carica sarà 10K e un altro impulso non si può verificare se prima non si scarica il condensatore quindi si considera R di scarica 20K?
-

daniele1996
610 3 8 11 - Sostenitore

- Messaggi: 1554
- Iscritto il: 29 ago 2011, 11:29
11 messaggi
• Pagina 1 di 2 • 1, 2
Chi c’è in linea
Visitano il forum: Google Adsense [Bot] e 272 ospiti

Elettrotecnica e non solo (admin)
Un gatto tra gli elettroni (IsidoroKZ)
Esperienza e simulazioni (g.schgor)
Moleskine di un idraulico (RenzoDF)
Il Blog di ElectroYou (webmaster)
Idee microcontrollate (TardoFreak)
PICcoli grandi PICMicro (Paolino)
Il blog elettrico di carloc (carloc)
DirtEYblooog (dirtydeeds)
Di tutto... un po' (jordan20)
AK47 (lillo)
Esperienze elettroniche (marco438)
Telecomunicazioni musicali (clavicordo)
Automazione ed Elettronica (gustavo)
Direttive per la sicurezza (ErnestoCappelletti)
EYnfo dall'Alaska (mir)
Apriamo il quadro! (attilio)
H7-25 (asdf)
Passione Elettrica (massimob)
Elettroni a spasso (guidob)
Bloguerra (guerra)






