No per due motivi. Il primo è che quei relé sono passo-passo (bistabili comandati ad impulsi) e non monostabili. Il secondo è che comunque lo schema non è giusto. Come minimo bisogna realizzare questo:
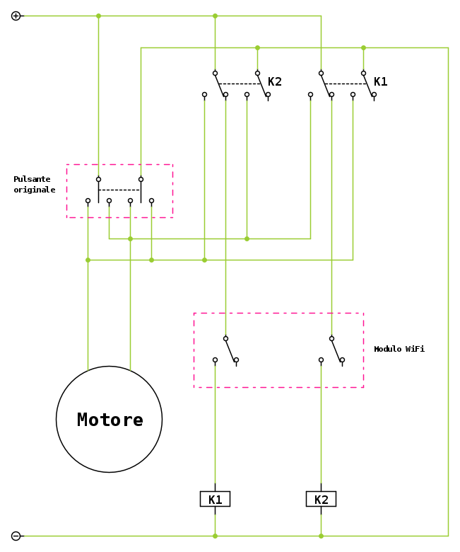
È previsto l'interblocco dei due relé K1 e K2, ma rimane la possibilità di cortocircuito se si comanda contemporanemante il motore sia da pulsante a muro che da telecomando.
Impianto per pistone
Moderatori:
sebago,
MASSIMO-G,
lillo,
Mike
32 messaggi
• Pagina 3 di 4 • 1, 2, 3, 4
0
voti
Per eliminare il problema del cortocircuito il modo più semplice sarebbe usare relé a quattro scambi, in modo da disalimentare il pulsante preesistente quando uno dei relé viene attivato:
Una domanda ben posta è già mezza risposta.
1
voti
Salve,
seguendo questo schema, se la bobina non e alimentata dal dispositivo wifi, il rele a doppio scambio dovrebbe essere sempre aperto e dovrebbe andare solo il pulsante. Al momento che attivo il rele alla bobina passa corrente e utilizzare e a quel punto dvrei utilizzare il normalmente chiuso, e utilizzare il wifi.
Grazie a tutti per l'aiuto.
seguendo questo schema, se la bobina non e alimentata dal dispositivo wifi, il rele a doppio scambio dovrebbe essere sempre aperto e dovrebbe andare solo il pulsante. Al momento che attivo il rele alla bobina passa corrente e utilizzare e a quel punto dvrei utilizzare il normalmente chiuso, e utilizzare il wifi.
Grazie a tutti per l'aiuto.
-

Attimino76
10 2 - Messaggi: 11
- Iscritto il: 3 dic 2024, 10:46
0
voti
Questo direi che funziona
Basta che la bobina del relé si possa alimentare con entrambe le polarità (al limite si aggiunge un ponte raddrizzatore).
Basta che la bobina del relé si possa alimentare con entrambe le polarità (al limite si aggiunge un ponte raddrizzatore).Una domanda ben posta è già mezza risposta.
0
voti
Attimino76 ha scritto:Salve,
seguendo questo schema, se la bobina non e alimentata dal dispositivo wifi,
come può essere non alimentata, l'uscita contatto del wifi ha due NC? quindi alimenta sempre il relè!
no?
cosa mi sono perso?
-

lelerelele
4.899 3 7 9 - Master

- Messaggi: 5505
- Iscritto il: 8 giu 2011, 8:57
- Località: Reggio Emilia
0
voti
Ciao lelerelele,
controlla ora lo schema se ti torna.
Se non ho sbagliato quando non utilizzo il rele WIFI nelle uscite com1 e com2 sono chiuse pertanto non alimenta la bobina, e i contatti sono chiusi, e utilizzo il pulsante, al momento che viene utilizzato il Wifi manda corrente alla bobina e apro i contatti e utilizzo il wifi.
fammi sapere se ho sbagliato qualcosa.
Saluti
controlla ora lo schema se ti torna.
Se non ho sbagliato quando non utilizzo il rele WIFI nelle uscite com1 e com2 sono chiuse pertanto non alimenta la bobina, e i contatti sono chiusi, e utilizzo il pulsante, al momento che viene utilizzato il Wifi manda corrente alla bobina e apro i contatti e utilizzo il wifi.
fammi sapere se ho sbagliato qualcosa.
Saluti
-

Attimino76
10 2 - Messaggi: 11
- Iscritto il: 3 dic 2024, 10:46
0
voti
Ti mando il disegno del tuo schema, ho chiamato KWI1 e KWI2 i due relè del tuo modulo e KMA il relè che fa manuale/automatico.
Ora se tu attivi il relè KWI1 che tensione trovi ai morsetti A1 e A2 di KMA?
E se ecciti KWI2?
Ora se tu attivi il relè KWI1 che tensione trovi ai morsetti A1 e A2 di KMA?
E se ecciti KWI2?
0
voti
Aria ha scritto:Ti mando il disegno del tuo schema, ho chiamato KWI1 e KWI2 i due relè del tuo modulo e KMA il relè che fa manuale/automatico.
Ora se tu attivi il relè KWI1 che tensione trovi ai morsetti A1 e A2 di KMA?
E se ecciti KWI2?
Ok Grazie.
-

Attimino76
10 2 - Messaggi: 11
- Iscritto il: 3 dic 2024, 10:46
32 messaggi
• Pagina 3 di 4 • 1, 2, 3, 4
Torna a Impianti, sicurezza e quadristica
Chi c’è in linea
Visitano il forum: Google Adsense [Bot] e 49 ospiti

Elettrotecnica e non solo (admin)
Un gatto tra gli elettroni (IsidoroKZ)
Esperienza e simulazioni (g.schgor)
Moleskine di un idraulico (RenzoDF)
Il Blog di ElectroYou (webmaster)
Idee microcontrollate (TardoFreak)
PICcoli grandi PICMicro (Paolino)
Il blog elettrico di carloc (carloc)
DirtEYblooog (dirtydeeds)
Di tutto... un po' (jordan20)
AK47 (lillo)
Esperienze elettroniche (marco438)
Telecomunicazioni musicali (clavicordo)
Automazione ed Elettronica (gustavo)
Direttive per la sicurezza (ErnestoCappelletti)
EYnfo dall'Alaska (mir)
Apriamo il quadro! (attilio)
H7-25 (asdf)
Passione Elettrica (massimob)
Elettroni a spasso (guidob)
Bloguerra (guerra)




