Salve a tutti,
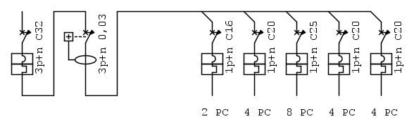
in un grande ufficio con 22 postazioni computer è presente un quadro principale con un interruttore magnetotermico da 32A trifase , che alimenta 5 quadri secondari distribuiti sulle pareti dell'ufficio, ognuno di questi quadri secondari ha un interruttore generale da 20/25 Ampere curva C e alimenta alcuni blocchi-prese, protetti singolarmente da MT da 16A.
Nel quadro principale sono presenti anche MTD illuminazione e linee dedicate ad alcuni piccoli macchinari e dispositivi che al momento non ritengo rilevanti.
Nel quadro che alimenta le 8 workstation (più un grande televisore), scatta quasi sempre il magnetico quando, la mattina, viene tirato sù l'interruttore generale. L'anno scorso è stato sostituto il vecchio C20 con un C25, ma senza risolvere il problema. Voi che corrente di spunto considerate quando sono presenti molti alimentatori da computer fisso?
Ufficio con 22 computer, corrente di spunto
Moderatori:
sebago,
MASSIMO-G,
lillo,
Mike
43 messaggi
• Pagina 1 di 5 • 1, 2, 3, 4, 5
0
voti
Sicuramente non piccola, hai tanti trasformatori.
Comunque abbiamo
22 * x < 10*32
ma
8 * x > 10*25
Allora i PC non sono tutti uguali? o c'è qualche anomalia.
Più che aumentare la corrente nominale forse passare a curva D aiuterebbe?
Comunque abbiamo
22 * x < 10*32
ma
8 * x > 10*25
Allora i PC non sono tutti uguali? o c'è qualche anomalia.
Più che aumentare la corrente nominale forse passare a curva D aiuterebbe?
0
voti
Ho disegnato lo schema con poca cura, il C32 generale è trifase e evidentemente i carichi sono ben distribuiti tra le tre fasi, perché questo non scatta
Il problema è in uno dei quadri secondari, particolarmente "pieno"
I computer sono tutti uguali, ma non so la potenza perché non c'è scritta (non sono alimentatori normali, sono alti e stretti), mi posso informare
Il problema è in uno dei quadri secondari, particolarmente "pieno"
I computer sono tutti uguali, ma non so la potenza perché non c'è scritta (non sono alimentatori normali, sono alti e stretti), mi posso informare
-

SediciAmpere
4.187 5 5 8 - Master

- Messaggi: 4847
- Iscritto il: 31 ott 2013, 15:00
1
voti
Ma il differenziale da 30 mA sei sicuro che funzioni?
(scherzo)
--
Michele Lysander Guetta
--
"Non pensare mai al dolore, al pericolo o ai nemici un momento più lungo del necessario per combatterli." — Ayn Rand
Michele Lysander Guetta
--
"Non pensare mai al dolore, al pericolo o ai nemici un momento più lungo del necessario per combatterli." — Ayn Rand
-

Mike
55,6k 7 10 12 - G.Master EY

- Messaggi: 17005
- Iscritto il: 1 ott 2004, 18:25
- Località: Conegliano (TV)
1
voti
Gli alim da PC hanno anche loro un grande problema con la corrente di picco in fase di accensione .
Anche gli alim dei monitor non sono da meno.
Quindi 22 postazioni sono 44 alim switching da accendere contemporaneamente.
Si potrebbe fare in modo che, con alcuni relè ritardati di qualche secondo, le diverse zone degli uffici vengano alimentate non contemporaneamente .
Altrimenti in questa discussione si era parlato del sistema ad NTC che funziona ugualmente bene.
viewtopic.php?f=18&t=91316#p982424
Cambiare il magnetotermico secondo me non è la vera soluzione.
Naturalmente in alternativa si potrebbe suddividere la linea della postazione con 8 PC creandone due da 4.
Ciao
Anche gli alim dei monitor non sono da meno.
Quindi 22 postazioni sono 44 alim switching da accendere contemporaneamente.
Si potrebbe fare in modo che, con alcuni relè ritardati di qualche secondo, le diverse zone degli uffici vengano alimentate non contemporaneamente .
Altrimenti in questa discussione si era parlato del sistema ad NTC che funziona ugualmente bene.
viewtopic.php?f=18&t=91316#p982424
Cambiare il magnetotermico secondo me non è la vera soluzione.
Naturalmente in alternativa si potrebbe suddividere la linea della postazione con 8 PC creandone due da 4.
Ciao
600 Elettra
2
voti
Ciascun PC dovrà essere dotato di ciabatta con interruttore e la sera dovranno essere spenti. La mattina successiva ciascun operatore accenderà singolarmente il proprio PC e tutto funziona.
0
voti
Grazie a tutti per le risposte
Alcuni computer hanno anche due monitor
Generalmente, quando avete una somma di alimentatori switching di potenza rilevante, quanto stimate la corrente di picco, maggiore di 10 In ?
È normale che 8 computer + monitor facciano scattare il magnetico di un C25 ?
Alcuni computer hanno anche due monitor
Generalmente, quando avete una somma di alimentatori switching di potenza rilevante, quanto stimate la corrente di picco, maggiore di 10 In ?
È normale che 8 computer + monitor facciano scattare il magnetico di un C25 ?
-

SediciAmpere
4.187 5 5 8 - Master

- Messaggi: 4847
- Iscritto il: 31 ott 2013, 15:00
0
voti
SediciAmpere ha scritto:Generalmente, quando avete una somma di alimentatori switching di potenza rilevante, quanto stimate la corrente di picco, maggiore di 10 In ?
Il circuito in ingresso ad un alimentatore per PC non è molto diverso da quello di un driver per LED.
Questi ultimi, visto che spesso vengono usati in gran numero controllati tutti dallo stesso interruttore (per esempio in un supermercato) specificano bene la corrente di picco.
Vedi per esempio qui a pagina 6:
https://www.lighting.philips.com/api/as ... 33_sXt.pdf
E qui con una spiegazione piú dettagliata, pagina 21-22:
https://www.docs.lighting.philips.com/e ... -guide.pdf
Puoi usare queste informazioni per farti un'idea delle grandezze in gioco.
È normale che 8 computer + monitor facciano scattare il magnetico di un C25 ?
Io mi chiedo piuttosto se è normale usare il magnetotermico per staccare tutti i PC tutte le sere. Che razza di operazione da ghetto è mai questa?
Boiler
0
voti
boiler ha scritto:Io mi chiedo piuttosto se è normale usare il magnetotermico per staccare tutti i PC tutte le sere. Che razza di operazione da ghetto è mai questa?
perché?
-

SediciAmpere
4.187 5 5 8 - Master

- Messaggi: 4847
- Iscritto il: 31 ott 2013, 15:00
43 messaggi
• Pagina 1 di 5 • 1, 2, 3, 4, 5
Torna a Impianti, sicurezza e quadristica
Chi c’è in linea
Visitano il forum: Nessuno e 34 ospiti

Elettrotecnica e non solo (admin)
Un gatto tra gli elettroni (IsidoroKZ)
Esperienza e simulazioni (g.schgor)
Moleskine di un idraulico (RenzoDF)
Il Blog di ElectroYou (webmaster)
Idee microcontrollate (TardoFreak)
PICcoli grandi PICMicro (Paolino)
Il blog elettrico di carloc (carloc)
DirtEYblooog (dirtydeeds)
Di tutto... un po' (jordan20)
AK47 (lillo)
Esperienze elettroniche (marco438)
Telecomunicazioni musicali (clavicordo)
Automazione ed Elettronica (gustavo)
Direttive per la sicurezza (ErnestoCappelletti)
EYnfo dall'Alaska (mir)
Apriamo il quadro! (attilio)
H7-25 (asdf)
Passione Elettrica (massimob)
Elettroni a spasso (guidob)
Bloguerra (guerra)




