Salve a tutti.
attraverso un dispositivo zigbee volevo far funzionare l'accensione di una lampada da 12 v al verificarsi di un determinato scenario.
il dispositivo zigbee funziona con corrente alternata da 220 lo scenario che vorrei applicare è riferito alla temperatura tramite sonda collegata allo zigbee. In pratica al raggiungimento di una temperatura deve attivarsi una lampada da 12 v in corrente continua. Al verificarsi dello scenario quindi lo zigbee che funziona a 220 v dovrebbe attivare un dispositivo (teleruttore?) che permetta il passaggio di corrente continua a 12v per l'accensione della lampadina. Ho cercato il dispositivo che permetta di controllare il passaggio di corrente continua alimentato da quella alternata, ma non sono riuscito a capire quale sia quello corretto. Mi potreste dare qualche suggerimento su quale dispositivo teleruttore da acquistare? Grazie. Antonio
Accensione lampada 12 V tramite zigbee
7 messaggi
• Pagina 1 di 1
0
voti
Per questo genere di applicazione mi sembra sia sufficiente un relè connesso.
Una veloce ricerca su internet mi ha portato a questo prodotto. Se invece hai già uno di quei moduli che hanno la loro uscita a 240 V che vuoi riciclare, potrebbe bastare collegarci l'alimentatore della lampadina (se possibile.)
Altra soluzione può essere comprare un semplice relè con bobina a 240 V e comandarlo dal modulo ZigBee.
Si risolve in tanti modi, dipende da cosa ti viene più comodo. Se hai già un dispositivo ZigBee che vuoi usare, scrivi marca e modello, altrimenti non possiamo sapere di cosa stai parlando.
Una veloce ricerca su internet mi ha portato a questo prodotto. Se invece hai già uno di quei moduli che hanno la loro uscita a 240 V che vuoi riciclare, potrebbe bastare collegarci l'alimentatore della lampadina (se possibile.)
Altra soluzione può essere comprare un semplice relè con bobina a 240 V e comandarlo dal modulo ZigBee.
Si risolve in tanti modi, dipende da cosa ti viene più comodo. Se hai già un dispositivo ZigBee che vuoi usare, scrivi marca e modello, altrimenti non possiamo sapere di cosa stai parlando.
"Computers, operating systems, networks are a hot mess. They're barely manageable, even if you know a decent amount about what you're doing. Nine out of ten software engineers agree: it's a miracle anything works at all."
@fasterthanlime
@fasterthanlime
0
voti
Grazie. Si ho già il modulo zigbee tuya con uscita 240 non riesco a trovare quale sia il modello di relè con bobina alimentata da 240 che gestisce l'apertura e la chiusura di un circuito da 12 v.
Grazie
Grazie
-

antonio1971
3 3 - Messaggi: 37
- Iscritto il: 9 apr 2019, 18:37
0
voti
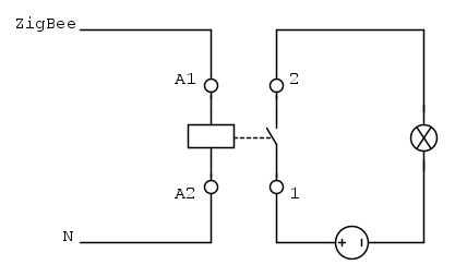
Penso basti un qualunque relè con contatti puliti. Questo ad esempio è un relè ad uso civile: [Link]
Si alimenta la bobina tramite A1 e A2 a 240V e si usano i contatti 1-2 o 3-4 per il carico.
Occhio alla potenza della lampadina che deve essere nei limiti del contattore.
Si alimenta la bobina tramite A1 e A2 a 240V e si usano i contatti 1-2 o 3-4 per il carico.
Occhio alla potenza della lampadina che deve essere nei limiti del contattore.
"Computers, operating systems, networks are a hot mess. They're barely manageable, even if you know a decent amount about what you're doing. Nine out of ten software engineers agree: it's a miracle anything works at all."
@fasterthanlime
@fasterthanlime
0
voti
Dentro c'è un relè, puoi aprirlo e tagliare la pista ottenendo un contatto pulito che puoi usare per aprire o chiudere un alimentatore 12V
Il principio di base è questo: Link
Io preferisco comunque i moduli con ESP32/ESP8266 : Link o shelly 1 + mini
Solitamente uso i sensori a batteria in zigbee (+ qualche router tipo lampadina) perché consumano meno se ho a disposizione la tensione di rete meglio ESP32/ESP8266 che puoi configurarlo come vuoi
Puoi farlo anche DIY con un ESP32 escludendo la rete e alimentando tutto dall'alimentatore della lampadina
NDR: Comunque sconsiglio la modifica/costruzione e consiglio di acquistare un prodotto finito dato che stai usando la tensione di rete

Il principio di base è questo: Link
Io preferisco comunque i moduli con ESP32/ESP8266 : Link o shelly 1 + mini
Solitamente uso i sensori a batteria in zigbee (+ qualche router tipo lampadina) perché consumano meno se ho a disposizione la tensione di rete meglio ESP32/ESP8266 che puoi configurarlo come vuoi
Puoi farlo anche DIY con un ESP32 escludendo la rete e alimentando tutto dall'alimentatore della lampadina
NDR: Comunque sconsiglio la modifica/costruzione e consiglio di acquistare un prodotto finito dato che stai usando la tensione di rete

0
voti
DonJ ha scritto:Penso basti un qualunque relè con contatti puliti. Questo ad esempio è un relè ad uso civile: [Link]
Si alimenta la bobina tramite A1 e A2 a 240V e si usano i contatti 1-2 o 3-4 per il carico.
Occhio alla potenza della lampadina che deve essere nei limiti del contattore.
quindi ai contatti 1-2 si collegano i fili di uscita del trasformatore 24 V ma bisogna rispettare la polarità + o - visto che è corrente continua? oppure ad esempio si utilizza solo il contatto 1-2 per interrompere una polarità qualunque es. + l'altra rimane collegata direttamente alla lampada?
Grazie
-

antonio1971
3 3 - Messaggi: 37
- Iscritto il: 9 apr 2019, 18:37
0
voti
I contatti 1-2 sono l'equivalente di un interruttore. Vanno messi in serie al circuito per interrompere il passaggio di corrente.
"Computers, operating systems, networks are a hot mess. They're barely manageable, even if you know a decent amount about what you're doing. Nine out of ten software engineers agree: it's a miracle anything works at all."
@fasterthanlime
@fasterthanlime
7 messaggi
• Pagina 1 di 1
Chi c’è in linea
Visitano il forum: Nessuno e 18 ospiti

Elettrotecnica e non solo (admin)
Un gatto tra gli elettroni (IsidoroKZ)
Esperienza e simulazioni (g.schgor)
Moleskine di un idraulico (RenzoDF)
Il Blog di ElectroYou (webmaster)
Idee microcontrollate (TardoFreak)
PICcoli grandi PICMicro (Paolino)
Il blog elettrico di carloc (carloc)
DirtEYblooog (dirtydeeds)
Di tutto... un po' (jordan20)
AK47 (lillo)
Esperienze elettroniche (marco438)
Telecomunicazioni musicali (clavicordo)
Automazione ed Elettronica (gustavo)
Direttive per la sicurezza (ErnestoCappelletti)
EYnfo dall'Alaska (mir)
Apriamo il quadro! (attilio)
H7-25 (asdf)
Passione Elettrica (massimob)
Elettroni a spasso (guidob)
Bloguerra (guerra)



