Cos'è ElectroYou | Login Iscriviti

ElectroYou - la comunità dei professionisti del mondo elettrico

Mancato funzionamento desolfatatore con NE555

Tecniche per la costruzione e la riparazione di apparecchiature elettriche e non. Ricerca guasti. Adattamenti e riutilizzazioni
0
voti

[31] Re: Mancato funzionamento desolfatatore con NE555

Messaggioda Foto Utenteboiler » 26 gen 2025, 0:09

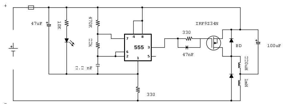
Foto Utentepino81 disegna tu in fidocad l'esatto schema di come hai collegato il transistor e specifica quale transistor hai usato.
Se davvero è collegato come nello schema di Foto UtenteThEnGi (anche se il simbolo è quello sbagliato), allora la batteria è praticamente cortocircuitata via body-diode del transistor e la corrente è limitata dalla DCR delle bobine (che non mi stupisce si scaldino).

E cos'è quel "GND locale" derivato via 330 ohm dal negativo della batteria? Questo è uno di quei casi di cui parlava un mio ex collega di lavoro: "Se la cosa sembra non avere nessun senso, allora qualcuno s'è veramente spremuto le meningi nello svilupparla".

Boiler
Avatar utente
Foto Utenteboiler
26,4k 5 9 13
G.Master EY
G.Master EY
 
Messaggi: 5602
Iscritto il: 9 nov 2011, 12:27

0
voti

[32] Re: Mancato funzionamento desolfatatore con NE555

Messaggioda Foto UtenteThEnGi » 26 gen 2025, 0:24

boiler ha scritto:Se davvero è collegato come nello schema di Foto UtenteThEnGi
E cos'è quel "GND locale" derivato via 330 ohm dal negativo della batteria?


Io lo ho solo trascritto dal post 26 ma errore mio nel disegnare il senso del mosfet, nel sostituirlo con un P (27/28) :ok:
Schema "corretto" e messo in evidenza il Body Diode, ora dovrebbe vedersi la "protezione integrata" :mrgreen:

Che condensatore + resistenza da 330 ohm servano da filtro ?



Rimaniamo in attesa dello schema ufficiale Foto Utentepino81

O_/
Avatar utente
Foto UtenteThEnGi
2.230 3 6 9
Expert EY
Expert EY
 
Messaggi: 2228
Iscritto il: 6 ott 2022, 18:43

0
voti

[33] Re: Mancato funzionamento desolfatatore con NE555

Messaggioda Foto Utentepino81 » 26 gen 2025, 9:55

buongiorno e buona domenica,il progetto l'ho preso da questa pagina,dove ci sono anche i layout da scaricare
https://www.pcbway.com/project/sharepro ... 21762.html
non me lo sono inventato io,ho visto inoltre su youtube che altri lo hanno replicato con successo,quindi ci sto provando anchio..
poi che le piste di rame non siano venute il massimo è colpa mia,avrei fatto meglio ad usare la millefori dato che ho dovuto comunque ricablare alcune piste dato che l'acido se le pappate...
ps il mosfet è esattamente quello richiesto ossia l'IRF9Z34N
Avatar utente
Foto Utentepino81
189 1 3 6
Sostenitore
Sostenitore
 
Messaggi: 976
Iscritto il: 14 lug 2009, 17:13
Località: Biancavilla

0
voti

[34] Re: Mancato funzionamento desolfatatore con NE555

Messaggioda Foto Utentestandardoil » 26 gen 2025, 11:15

Io non saprei se fidarmi di uno schema che riporta in lista componenti un led che non c'è in foto
Non mette la corrente del fusibile

A domanda esplicita non risponde

E alla richiesta delle caratteristiche di un diodo che non c'è dice che e' un led

Sembra dissociato l'autore
Dubito che vada il circuito
Avatar utente
Foto Utentestandardoil
547 2 4
Stabilizzato
Stabilizzato
 
Messaggi: 420
Iscritto il: 15 lug 2022, 19:14

0
voti

[35] Re: Mancato funzionamento desolfatatore con NE555

Messaggioda Foto UtenteEtemenanki » 26 gen 2025, 12:17

Magari ha sbagliato a disegnare lo schema (mi sembra strano, pero' tutto e' possibile) ... pero' se pubblichi qualcosa nella sezione "share" di PCBWAY, il minimo sarebbe controllare bene e rispondere ai commenti, credo.
"Sopravvivere" e' attualmente l'unico lusso che la maggior parte dei Cittadini italiani,
sia pure a costo di enormi sacrifici, riesce ancora a permettersi.
Avatar utente
Foto UtenteEtemenanki
9.517 3 6 10
Master
Master
 
Messaggi: 5940
Iscritto il: 2 apr 2021, 23:42
Località: Dalle parti di un grande lago ... :)

0
voti

[36] Re: Mancato funzionamento desolfatatore con NE555

Messaggioda Foto Utenteboiler » 26 gen 2025, 13:55

Sweet summer's children... :mrgreen:

Benvenuti su internet, dove per ottenere clicks e/o likes non è necessario che il contenuto abbia un qualsivoglia valore aggiunto.
Avatar utente
Foto Utenteboiler
26,4k 5 9 13
G.Master EY
G.Master EY
 
Messaggi: 5602
Iscritto il: 9 nov 2011, 12:27

0
voti

[37] Re: Mancato funzionamento desolfatatore con NE555

Messaggioda Foto UtenteThEnGi » 26 gen 2025, 14:04

boiler ha scritto:Benvenuti su internet, dove per ottenere clicks e/o likes non è necessario che il contenuto abbia un qualsivoglia valore aggiunto.


Ne è pieno a bizzeffe, anche easyeda stessa solfa(tazione)

Facciamo un catalogo, apro io il topic ? (se non c'è già) :mrgreen:

Youtube penso sia il regno del male per queste cose, il led si accende metto like

O_/
Avatar utente
Foto UtenteThEnGi
2.230 3 6 9
Expert EY
Expert EY
 
Messaggi: 2228
Iscritto il: 6 ott 2022, 18:43

0
voti

[38] Re: Mancato funzionamento desolfatatore con NE555

Messaggioda Foto UtenteEtemenanki » 26 gen 2025, 14:55

[OT]

Youtube e' ormai diventato uno dei regni incontrastati del lucro di google (o meglio, di alphabet, che controlla anche google), dato che incassa piu di 15 miliardi l'anno (senza pagare tasse), non ci si puo aspettare altro che la piu sfrenata caccia al soldo, di sicuro non controllo, responsabilita', onesta', trasparenza, integrita', ne alcuna altra caratteristica anche solo potenzialmente utile per la gente.

Vivono, letteralmente, di me*da pubblicitaria, e per spanderla dappertutto non si fanno certo scrupoli.

Un suggerimento per chi volesse aprire link di youtube, o usare duckduckgo come motore di ricerca (che consente di visualizzare i link dentro se stesso senza aprire le pagine di youtube e senza impestarsi di me*ra pubblicitaria il browser, e che tra l'altro e' migliore di google, io uso solo quello da tempo ormai), oppure copiate il link (senza cliccarci sopra), incollatelo in una finestra, e poi aggiungete un trattino (segno meno) fra la "t" e la "u" del nome prima di lanciarlo (esempio, da "youtube punto com\eccetera" a "yout-ube punto com\eccetera" ), questo apre il video a tutto schermo senza menu laterali, senza commenti, e senza me*da pubblicitaria (a volte appare l'errore "questo video non e' disponibile", ma e' quasi sempre un falso messaggio, di solito basta ricaricare la pagina e parte lo stesso)

Scusate l'OT
"Sopravvivere" e' attualmente l'unico lusso che la maggior parte dei Cittadini italiani,
sia pure a costo di enormi sacrifici, riesce ancora a permettersi.
Avatar utente
Foto UtenteEtemenanki
9.517 3 6 10
Master
Master
 
Messaggi: 5940
Iscritto il: 2 apr 2021, 23:42
Località: Dalle parti di un grande lago ... :)

0
voti

[39] Re: Mancato funzionamento desolfatatore con NE555

Messaggioda Foto Utentepino81 » 26 gen 2025, 19:54

il circuito che ho assemblato è in vendita in kit anche su aliexpress,
https://it.aliexpress.com/item/32295560968.html
solo che a me mi scalda la bobina da 220 ųH ( che ho avvolto io stesso),non riesco a capire dove sbaglio.... ho anche provato a diminuire la resistenza R11 ( nel mio ma è R1 nel kit)perché in partenza l'oscilloscopio mi dava circa 800 Hz al gate del MOS,portandola a oltre 2 kHz ,ho anche sostituito D9 con uno scottky,ma il tutto senza successo
che debba avere più impedenza dei 220 ųH di progetto? :roll:
Ultima modifica di Foto Utentepino81 il 26 gen 2025, 20:23, modificato 3 volte in totale.
Avatar utente
Foto Utentepino81
189 1 3 6
Sostenitore
Sostenitore
 
Messaggi: 976
Iscritto il: 14 lug 2009, 17:13
Località: Biancavilla

0
voti

[40] Re: Mancato funzionamento desolfatatore con NE555

Messaggioda Foto UtenteThEnGi » 26 gen 2025, 19:59

pino81 ha scritto:il circuito che ho assemblato è in vendita in kit anche su aliexpress,


Il fatto che sia su aliexpress non è automaticamente sinonimo di garanzia :mrgreen:
Anzi il fatto che sia disponibile li e non altrove suggerisce proprio il contrario :twisted:

EDIT: C'è anche su amazon, allora siamo sicuri :-P
Infatti le recensioni dicono tutte una cosa: "Non funziona" :ok:

pino81 ha scritto:solo che a me mi scalda la bobina da 220 ųH ( che ho avvolto io stesso),non riesco a capire dove sbaglio


La hai misurata ?

Ai capi della batteria tramite oscilloscopio vedi l'impulso generato ? (che dovrebbe essere ciò che fa)
Qualcuno ha voglia di simulare il circuito ?

O_/
Avatar utente
Foto UtenteThEnGi
2.230 3 6 9
Expert EY
Expert EY
 
Messaggi: 2228
Iscritto il: 6 ott 2022, 18:43

PrecedenteProssimo

Torna a Costruzione, riparazione, riutilizzo

Chi c’è in linea

Visitano il forum: Nessuno e 12 ospiti