Salve
Qualcuno ha esperienza di cablaggio con i "pettini" (sbarrette) Siemens per interruttori ad ingombro ridotto (1p+n = 1 modulo)? Vorrei valutare di utilizzare Siemens, ma non riesco a capire come si assemblano. Come è che si alimentano?
Esperienze pettini /barrette Siemens
Moderatori:
sebago,
MASSIMO-G,
lillo,
Mike
8 messaggi
• Pagina 1 di 1
0
voti
Ciao,
le istruzioni mi sembrano un po carenti. Ho utilizzato una sola volta la barra 5ST3784, che ti permette di cablare un interruttore differenziale su 2 moduli con a valle i vari magnetotermici 1P+N su 1 modulo. Si installa a valle dell' ID (uscita dal basso) e sempre dal basso vai ad alimentare i MT, hai poi le uscite di tutti i MT nella parte superiore.
Riguardo a Siemens la sto valutando in alternativa al marchio che uso solitamente, tu come ti trovi con ID e MTD Siemens (tipo A e F), intendo a livello qualitativo, hai avuto modo di installarne e verificarli anche dopo l'installazione ?
le istruzioni mi sembrano un po carenti. Ho utilizzato una sola volta la barra 5ST3784, che ti permette di cablare un interruttore differenziale su 2 moduli con a valle i vari magnetotermici 1P+N su 1 modulo. Si installa a valle dell' ID (uscita dal basso) e sempre dal basso vai ad alimentare i MT, hai poi le uscite di tutti i MT nella parte superiore.
Riguardo a Siemens la sto valutando in alternativa al marchio che uso solitamente, tu come ti trovi con ID e MTD Siemens (tipo A e F), intendo a livello qualitativo, hai avuto modo di installarne e verificarli anche dopo l'installazione ?
-

Cristian75
0 2 - Messaggi: 12
- Iscritto il: 25 ago 2018, 14:10
0
voti
Per usare i ponti a pettine devi usare interruttori stesso tipo, in modo che i fori degli interruttori siano sfalsati e uguali.Si installa a valle dell' ID (uscita dal basso) e sempre dal basso vai ad alimentare i MT, hai poi le uscite di tutti i MT nella parte superiore
Non è bene entrare con l’alimentazione da basso e uscire dall’altro. Conviene Inserire il ponte a pettine dall’alto, di tutti i MT e l’uscita dell’interruttore differenziale farlo in cavo, e collegare i ponti a pettine, in questo modo le uscite sono da sotto.
-

StefanoSunda
2.880 3 6 10 - Master

- Messaggi: 1962
- Iscritto il: 16 set 2010, 19:29
0
voti
però se prendi i codici "preassemblati" utilizzano il collegamento in cavo (o sbarrette) unendo differenziale e magnetotermico nella parte in basso. quindi ingresso ed uscita linea sono entrambi sulla parte superiore...
non mi è mai piaciuto ma è così...
non mi è mai piaciuto ma è così...
0
voti
Ma se uno è abituato che l'alimentazione viene da sopra, allora con questa configurazione in cui sotto è tutto coperto dal "pettine" dovrebbe essere ancor più tutelato in quanto tratterebbe come in tensione una parte che ormai non lo è.
Io non faccio mai affidamento a sopra e sotto, ma seguo i cavi.
Io non faccio mai affidamento a sopra e sotto, ma seguo i cavi.
0
voti
Grazie a tutti per i contributi.
Ho postato questa domanda perché non riuscivo a capire se i pettini consentono una "spina" di collegamento o meno in parallelo al PIN stesso, visto che come ha già detto qualcuno (e confermo) la documentazione non è chiara, quindi, o qualcuno li ha già utilizzati oppure è difficile capire che opzioni di collegamento ci sono.
Non so come mai, ma ho l'impressione che la documentazione tedesca sia sempre. . un po' carente.
Per quanto riguarda il collegamento da sotto, sinceramente anche se la logica vorrebbe l'alimentazione sempre dall'alto, la soluzione barretta dall'alto e prima alimentazione dal basso è troppo più pulita in termini di cablaggio.
Ho postato questa domanda perché non riuscivo a capire se i pettini consentono una "spina" di collegamento o meno in parallelo al PIN stesso, visto che come ha già detto qualcuno (e confermo) la documentazione non è chiara, quindi, o qualcuno li ha già utilizzati oppure è difficile capire che opzioni di collegamento ci sono.
Non so come mai, ma ho l'impressione che la documentazione tedesca sia sempre. . un po' carente.
Per quanto riguarda il collegamento da sotto, sinceramente anche se la logica vorrebbe l'alimentazione sempre dall'alto, la soluzione barretta dall'alto e prima alimentazione dal basso è troppo più pulita in termini di cablaggio.
Altrove. .Volutamente Anonimo
0
voti
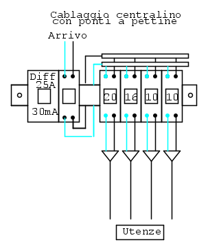
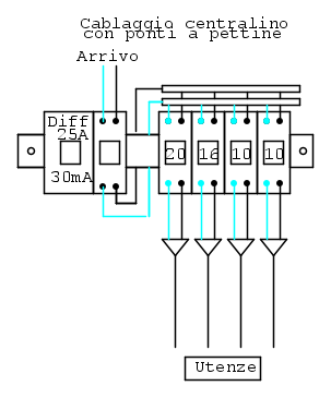
Ti ho fatto un piccolo disegno, come l'ho eseguito in casa.
-

StefanoSunda
2.880 3 6 10 - Master

- Messaggi: 1962
- Iscritto il: 16 set 2010, 19:29
0
voti
NSE ha scritto:Per quanto riguarda il collegamento da sotto, sinceramente anche se la logica vorrebbe l'alimentazione sempre dall'alto,
Non è una questione di di logica ma delle nostre abitudini.
Di logica bisognerebbe seguire le indicazioni del costruttore.
Hai poi avuto modo di provare le barrette e i modulari Siemens?
-

Cristian75
0 2 - Messaggi: 12
- Iscritto il: 25 ago 2018, 14:10
8 messaggi
• Pagina 1 di 1
Torna a Impianti, sicurezza e quadristica
Chi c’è in linea
Visitano il forum: Nessuno e 36 ospiti

Elettrotecnica e non solo (admin)
Un gatto tra gli elettroni (IsidoroKZ)
Esperienza e simulazioni (g.schgor)
Moleskine di un idraulico (RenzoDF)
Il Blog di ElectroYou (webmaster)
Idee microcontrollate (TardoFreak)
PICcoli grandi PICMicro (Paolino)
Il blog elettrico di carloc (carloc)
DirtEYblooog (dirtydeeds)
Di tutto... un po' (jordan20)
AK47 (lillo)
Esperienze elettroniche (marco438)
Telecomunicazioni musicali (clavicordo)
Automazione ed Elettronica (gustavo)
Direttive per la sicurezza (ErnestoCappelletti)
EYnfo dall'Alaska (mir)
Apriamo il quadro! (attilio)
H7-25 (asdf)
Passione Elettrica (massimob)
Elettroni a spasso (guidob)
Bloguerra (guerra)





