Cos'è ElectroYou | Login Iscriviti

ElectroYou - la comunità dei professionisti del mondo elettrico

Lampeggio lampada se rileva tensione AC

Elettronica lineare e digitale: didattica ed applicazioni

Moderatori: Foto Utentecarloc, Foto Utenteg.schgor, Foto UtenteBrunoValente, Foto UtenteIsidoroKZ

0
voti

[21] Re: Lampeggio lampada se rileva tensione AC

Messaggioda Foto Utentetheking0 » 8 feb 2025, 22:21

Foto Utentestefanopc, scusa ma non ho capito perché hai messo la 12V in comune con la 60VAC per la rilevazione del segnale. #-o
Di 555 normali ne ho una vagonata in casa, volevo usare quelli.
Io avevo optato per due 555 in modo da poter settare il tempo totale di lampeggio e la frequenza in modo da avere un minimo di configurazione del sistema.
Avatar utente
Foto Utentetheking0
1.442 1 6 11
Master
Master
 
Messaggi: 605
Iscritto il: 11 feb 2012, 22:37

1
voti

[22] Re: Lampeggio lampada se rileva tensione AC

Messaggioda Foto UtenteThEnGi » 8 feb 2025, 22:26

theking0 ha scritto:Foto Utentestefanopc, scusa ma non ho capito perché hai messo la 12V in comune con la 60VAC per la rilevazione del segnale. #-o


Dovrai avere un riferimento comune no ? In questo caso ha usato il + 12V rispetto al più classico GND (0V)

Io però preferisco la soluzione "isolata" evitando di "mischiare" le due (anche se in realtà c'è il diodo :ok: )
+1 perché non posso darti di più

Nel caso non si può attingere la corrente potenza dalla linea 60VAC ? :mrgreen:

Non so come sia fisicamente discolati, ma immaginando il classico ritorno nel quadro forse ci si può risparmiare l'alimetatore 12V

O_/
Avatar utente
Foto UtenteThEnGi
2.230 3 6 9
Expert EY
Expert EY
 
Messaggi: 2228
Iscritto il: 6 ott 2022, 18:43

0
voti

[23] Re: Lampeggio lampada se rileva tensione AC

Messaggioda Foto Utentetheking0 » 8 feb 2025, 22:44

Ok ora ho capito. Giustamente per riferimento.
No non è possibile attingere alla 60VAC perché la campana e il punto dove dovrei mettere la lampada è distante dal quadro elettrico e la campana ovviamente è alimentata solo se premono il campanello esterno.
Comunque si, preferirei usare la versione isolata. Domani provo a buttare giù qualcosa su breadboard e vedo cosa ne esce.
Avatar utente
Foto Utentetheking0
1.442 1 6 11
Master
Master
 
Messaggi: 605
Iscritto il: 11 feb 2012, 22:37

1
voti

[24] Re: Lampeggio lampada se rileva tensione AC

Messaggioda Foto Utentestefanopc » 8 feb 2025, 23:08

Con due 555 standard il risultato è assicurato.
Altrimenti si potrebbe utilizzare un 555 e un comparatore.
Anche io preferisco normalmente isolare ingresso e uscita anche perché gli optoisolatori non mi mancano e ci si risparmiano una marea di problemi.
Nel caso metti la versione con lo schema aggiornato se ti dovesse servire qualche suggerimento.
Ciao
P. S.
Attenzione con gli SSR non sempre funzionano bene con correnti di carico molto basse e/o fortemente sfasate.
600 Elettra
Avatar utente
Foto Utentestefanopc
13,3k 5 9 13
Master EY
Master EY
 
Messaggi: 5565
Iscritto il: 4 ago 2020, 9:11

0
voti

[25] Re: Lampeggio lampada se rileva tensione AC

Messaggioda Foto Utentetheking0 » 8 feb 2025, 23:39

Foto Utentestefanopc ho praticamente tutto in casa, domani provo e poi vi aggiorno sul risultato :ok:

Grazie per l'aiuto
Avatar utente
Foto Utentetheking0
1.442 1 6 11
Master
Master
 
Messaggi: 605
Iscritto il: 11 feb 2012, 22:37

0
voti

[26] Re: Lampeggio lampada se rileva tensione AC

Messaggioda Foto UtenteSediciAmpere » 9 feb 2025, 11:38

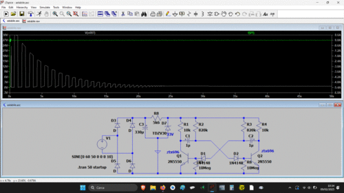
Senza titolo.gif


Volendo un corcuito che si alimenta dall'impulso, mettendo il relè a stato solido in parallelo al transistor Q2 e usando un condensatore da 330uF , dovrebbe lampeggiare per circa una decina di secondi (finche il relè non distingue più il livello alto)
Se interessa questa strada rifaccio lo schema con fidoCad

EDIT: il diodo Zener da 33V è inutile
Avatar utente
Foto UtenteSediciAmpere
4.187 5 5 8
Master
Master
 
Messaggi: 4846
Iscritto il: 31 ott 2013, 15:00

1
voti

[27] Re: Lampeggio lampada se rileva tensione AC

Messaggioda Foto Utenteboiler » 9 feb 2025, 13:52

Vedo che hai plottato anche la corrente assorbita sulla linea a 60 V.

Quanto probabile è che questa sia in grado di fornire 5 A? Direi zero :mrgreen:

Io starei sul circuito originale: due 555 in cascata, il primo per la durata, il secondo per la frequenza.
Dalla linea a 60 V dobbiamo solo derivare un trigger che duri almeno 1 us.

Eviterei soluzioni capacitive (non ci si guadagna nulla, realisticamente il circuito sarà in funzione per 5 secondi al giorno, forse).

L'optoisolatore non serve, visto che l'alimentazione a 12 V è isolata di suo.

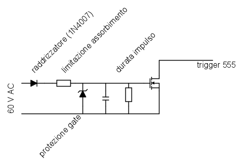
Secondo la mia modesta opinione, in questo caso la soluzione semplice, robusta e affidabile è questa:



Ha anche il vantaggio di funzionare con tutte le tensioni che superano quella dello zener e anche in DC, nel caso si dovesse cambiare la campanella in futuro.
Dato che usiamo un mosfet, il condensatore che determina la durata dell'impulso può essere molto piccolo, limitando così l'assorbimento sulla linea a 60 V.

Non so cosa tu abbia nel cassettino, per i calcoli prendo il comunissimo IRF540, se usi qualcosa di differente, non è difficile adattare i calcoli.

Threshold massimo: 4 V
Prendiamo uno zener da 5.1 V (che si trovano anche dal salumiere e sono indipendenti dalla temperatura)

Vogliamo che il condensatore si carichi da 0 V a 5.1 V in un periodo di tempo che sia molto minore del periodo della sinusoide, in modo che basti un solo ciclo di rete per triggerare il circuito.

Se prendiamo un condensatore da 10 nF e una resistenza da 10k, otteniamo una costante di tempo di 100 us.
Le approssimazioni spannometriche da ingegnere ci dicono che dopo tre costanti di tempo abbiamo raggiunto il 95% della tensione di ingresso.

In altre parole, se la tensione di ingresso è sufficientemente alta per una durata minima di 300 us, siamo a cavallo (cosa vuol dire sufficientemente alta? dipende dal resistore di scarica, che genera un partitore resistivo, vedi sotto).
La formula non è in realtà totalmente corretta perché la tensione in ingresso non è costante, ma vista la differenza tra le scale temporali, possiamo assumere la tensione di ingresso come quasi-costante durante il processo di carica.

Allo stesso tempo, con 10k limitiamo l'assorbimento dalla linea a 60 V a 6 mA, che mi sembra un valore accettabile. Se non lo fosse, gioca un po' con i valori fino ad avere qualcosa di accettabile.

Il bello del circuito è che funziona bene anche con una tensione alternata in ingresso di 12 V. Oppure 400 V. Oppure 230V. Oppure 24 V in continua.

Adesso che abbiamo caricato il nostro condensatore a 5.1 V (circa), sappiamo che il mosfet è sicuramente in conduzione. Vogliamo che ci resti per almeno 1 us. Nella peggiore delle ipotesi smette di condurre a 4 V.
Se prendiamo un resistore da 10k anche per la scarica ci semplifichiamo la vita e otteniamo una durata di scarica da 5 V a 4 V di circa 22 us, abbondati per triggerare il 555, ma molto al di sotto di quello che potrebbe causare un secondo trigger.
Consideriamo adesso però anche il caso in cui il transistor abbia un threshold al minimo delle sue specifiche tecniche: 2 V. In tal caso arriviamo a 90 us di durata dell'impulso. Anche in questo caso non dovrebbe causare trigger secondari indesiderati.

La corrente attraverso il resistore durante questo periodo passa da 0.5 a 0.4 mA, molto molto al di sopra di quella che è la corrente di leakage di un 1N4007 (anche sotto il sole d'agosto :cool: ). Questo significa che il leakage attraverso il diodo raddrizzatore non ha nessun effetto sulla durata dell'impulso.

Diversa è la questione per lo zener. Ovviamente per sua natura ha un leakage importante nei pressi della sua tensione di lavoro. Ho guardato un paio di datasheets e non ho trovato informazioni concrete. Abbiamo diverse possibilità per ovviare al problema:
- fregarcene. Probabilmente funziona tutto comunque, abbiamo un fatto 22 di sicurezza sulla durata del trigger, nemmeno gli ascensori sono dimensionati con cotanto margine :mrgreen:
- aggiungere un diodo tra zener e condensatore, però bisogna considerarne la caduta di tensione
- correggere la resistenza di scarica sul prototipo fino ad ottenere un risultato che ci soddisfa

Come vedi, lo sviluppo di un circuito è un processo iterativo. Siamo arrivati alla fine e mi sono accorto che il leakage dello zener potrebbe causarmi rogne. A questo punto si tratta di decidere se è davvero un problema e forse tornare indietro nel processo e cambiare una scelta.

Buon divertimento :ok:

Boiler
Avatar utente
Foto Utenteboiler
26,4k 5 9 13
G.Master EY
G.Master EY
 
Messaggi: 5599
Iscritto il: 9 nov 2011, 12:27

0
voti

[28] Re: Lampeggio lampada se rileva tensione AC

Messaggioda Foto Utentetheking0 » 9 feb 2025, 14:11

Interessante soluzione Foto Utenteboiler, faccio qualche esperimento visto che di IRF540 ne diversi nel cassetto. =D>
Effettivamente diventerebbe molto versatile e quindi riutilizzabile su altri casi.

Grazie
Avatar utente
Foto Utentetheking0
1.442 1 6 11
Master
Master
 
Messaggi: 605
Iscritto il: 11 feb 2012, 22:37

0
voti

[29] Re: Lampeggio lampada se rileva tensione AC

Messaggioda Foto UtenteSediciAmpere » 9 feb 2025, 14:51

boiler ha scritto:Quanto probabile è che questa sia in grado di fornire 5 A? Direi zero :mrgreen:

Direi anch'io zero :mrgreen: il circuito assorbe meno di 4mA , 5A è il picco di carica del condensatore secondo la simulazione, perché ho lasciato il generatore di tensione ideale di default con resistenza interna zero
Avatar utente
Foto UtenteSediciAmpere
4.187 5 5 8
Master
Master
 
Messaggi: 4846
Iscritto il: 31 ott 2013, 15:00

0
voti

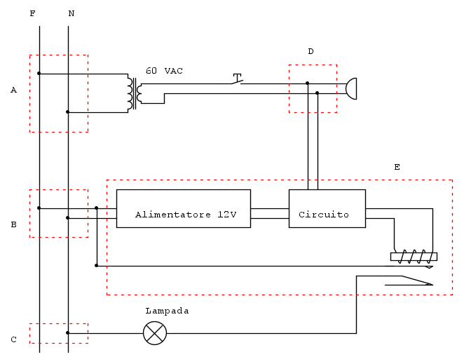
[30] Re: Lampeggio lampada se rileva tensione AC

Messaggioda Foto UtenteThEnGi » 9 feb 2025, 15:06

theking0 ha scritto:No non è possibile attingere alla 60VAC perché la campana e il punto dove dovrei mettere la lampada è distante dal quadro elettrico e la campana ovviamente è alimentata solo se premono il campanello esterno.


No capile :mrgreen:

Un fidocadj e passa la paura :ok:

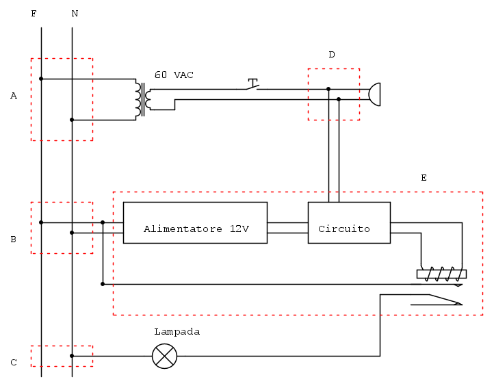
Così è come ho immaginao io il tutto (a blocchi) di come verrà il circuito. Perdona il relè ma fidocadj non ha un "ssr pronto"



A, B e C partono dallo stesso quadro ? (spero siano almeno sotto lo stesso MT/MTD)
D fisicamente dove è posizionata ?
E dove andrà posizionato ?

perché se puoi mettere tutto nello "stesso quadro" (o fissarlo a fianco) a valle del trasformatore. Puoi uscire con due fili Fase-Neutro (e terra eventualmente) e andare dove vuoi



Ho modificato la misura da Tensione a Corrente, perché credo che in questo caso sia più facile da eseguire e può essere inserita sul filo di ritorno/andata vicino al trasformatore. Dopotutto non ti serve avere un dato preciso ti serve sapere "sta scorrendo corrente ?"
Questo permette di inserire la rilevazione del "segnale" in qualsiasi punto del circuito, nel nostro caso a "monte" del pulsante :ok:

Considera che comunque il filo (fase) pilotato dal circuito devi portarlo alla lampada (ovunque essa sia)... A sto punto porti 2 fili che lo sbattimento è lo stesso (anche eventuali canaline :mrgreen: )
Parere mio ma preferisco portare in "giro" la tensione di rete che non il 60VAC

NO Non va bene è accettata come risposta :ok:

O_/
Avatar utente
Foto UtenteThEnGi
2.230 3 6 9
Expert EY
Expert EY
 
Messaggi: 2228
Iscritto il: 6 ott 2022, 18:43

PrecedenteProssimo

Torna a Elettronica generale

Chi c’è in linea

Visitano il forum: Nessuno e 47 ospiti