è arrivata la richiesta di rifacimento impianto civile con potenza inferiore ai 6 kW.
Per il momento la richiesta in sospeso, ma devo dare una risposta a breve. (anche rifiuto, ma non fa bella figura)
Il committente purtroppo è un so tutto io e ha avanzato pretese un po' su tutto, non pago io ma avere tipo un MTD per le luci per ogni stanza... Mi sembra esagerato
Tornando al problema:
La richiesta esplicita in modo chiaro che il comando delle luci/tapparelle deve avvenire tramite SHELLY e pulsanti.
Non avendoci mai lavorato direttamente non saprei come gestirli nella parte documentale. L'installazione è "facile" basta seguire le prescrizioni del produttore
Vengono considerati parte integrante dell'impianto o esterni ?
Posso considerarli alla stregua di un relè passo passo, inserito in scatoletta ?
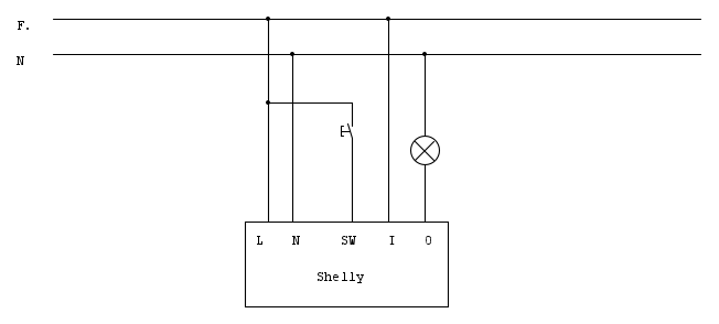
Posso disegnarli "vuoti" indicando come collegare la morsettiera ? (es sotto)*
*Non conoscendo la componentistica interna, non credo sia opportuno disegnare anche solo il contatto, l'esempio è una trasposizione delle indicazioni del produttore.
Inoltre a parte qualche smanettone non ho una vera e propria figura qualificata per la configurazione dei device, da una veloce chiacchierata giustamente il ragazzo a citato tutta una serie di requisiti di "sicurezza informatica" (si aprono 10 mondi
Leggendo il manuale di uno Shelly sembra che possa essere configurato per lavorare con l'impianto "classico" (deviato-invertito),
Nel caso sia possibile provo a contrattare per la realizzazione classica e l'installazione degli Shelly in modo postumo ?
Eventualmente posso dichiarare che eseguirò l'installazione ma la programmazione dei device è a carico del committente ?
Ringrazio per la disponibilità


Elettrotecnica e non solo (admin)
Un gatto tra gli elettroni (IsidoroKZ)
Esperienza e simulazioni (g.schgor)
Moleskine di un idraulico (RenzoDF)
Il Blog di ElectroYou (webmaster)
Idee microcontrollate (TardoFreak)
PICcoli grandi PICMicro (Paolino)
Il blog elettrico di carloc (carloc)
DirtEYblooog (dirtydeeds)
Di tutto... un po' (jordan20)
AK47 (lillo)
Esperienze elettroniche (marco438)
Telecomunicazioni musicali (clavicordo)
Automazione ed Elettronica (gustavo)
Direttive per la sicurezza (ErnestoCappelletti)
EYnfo dall'Alaska (mir)
Apriamo il quadro! (attilio)
H7-25 (asdf)
Passione Elettrica (massimob)
Elettroni a spasso (guidob)
Bloguerra (guerra)









