blueice80 ha scritto:Scusate ma, senza reinventare la ruota... altri utenti in altri forum? Vedi link al post [19]?
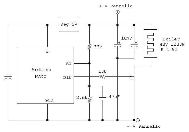
Diciamo che il condensatore è il PWM erano già stati inventati io ho solo pensato di usarli.
La idea è circa la stessa ma adattata alla diversa situazione e molto semplificata rispetto al progetto del link.
No induttanza no sensore di corrente ecc.
Le potenze da gestire sono un decimo la tensione è inferiore ai 40 V non servono precauzioni particolari perché la tensione non viene elevata.
Nel progetto del link vedo abbastanza male l'interruttore termico di sicurezza che va ad interrompere la alimentazione a 200 Vcc nel caso non fosse adatto alla corrente continua .
Ciao

Elettrotecnica e non solo (admin)
Un gatto tra gli elettroni (IsidoroKZ)
Esperienza e simulazioni (g.schgor)
Moleskine di un idraulico (RenzoDF)
Il Blog di ElectroYou (webmaster)
Idee microcontrollate (TardoFreak)
PICcoli grandi PICMicro (Paolino)
Il blog elettrico di carloc (carloc)
DirtEYblooog (dirtydeeds)
Di tutto... un po' (jordan20)
AK47 (lillo)
Esperienze elettroniche (marco438)
Telecomunicazioni musicali (clavicordo)
Automazione ed Elettronica (gustavo)
Direttive per la sicurezza (ErnestoCappelletti)
EYnfo dall'Alaska (mir)
Apriamo il quadro! (attilio)
H7-25 (asdf)
Passione Elettrica (massimob)
Elettroni a spasso (guidob)
Bloguerra (guerra)






