Una vecchia scheda di controllo che gestisce un frigo chimico usa una batteria CR2032 per tenere in memoria temporanea i dati. Purtroppo la sostituzione di questa batteria richiede tempo perché è posta in un punto poco accessibile; dopo averla rimossa occorre sostituirla con quella nuova nell'arco di pochi minuti per non perdere i dati memorizzati in una memoria volatile.
Ogni volta, invece, il dispositivo si azzera perdendo le impostazioni a causa della difficoltà della sostituzione.
Mi hanno chiesto di realizzare un semplice circuito posizionabile all'esterno del frigo e collegato ai contatti della batteria, con 2 x CR2032, una per alimentare la scheda e l'altra che funzioni da backup quando deve essere sostituita la prima, in modo da non perdere le impostazioni.
Avevo pensato di utilizzare due diodi veloci in serie alle batterie, tipo 1N5817 o BAT54, con eventualmente due interruttori, ma la tensione di uscita si riduce a ~ 2.7V rispetto ai 3.0V previsti.
Non potendo utilizzare un alimentatore perché non ci sono prese vicine, quale soluzione conviene adottare?
Usare mosfet al posto dei diodi sarebbe utilizzabile per ridurre il drop di tensione?
Grazie di ogni suggerimento.
Sostituzione CR2032
Moderatori:
carloc,
g.schgor,
BrunoValente,
IsidoroKZ
12 messaggi
• Pagina 1 di 2 • 1, 2
0
voti
0
voti
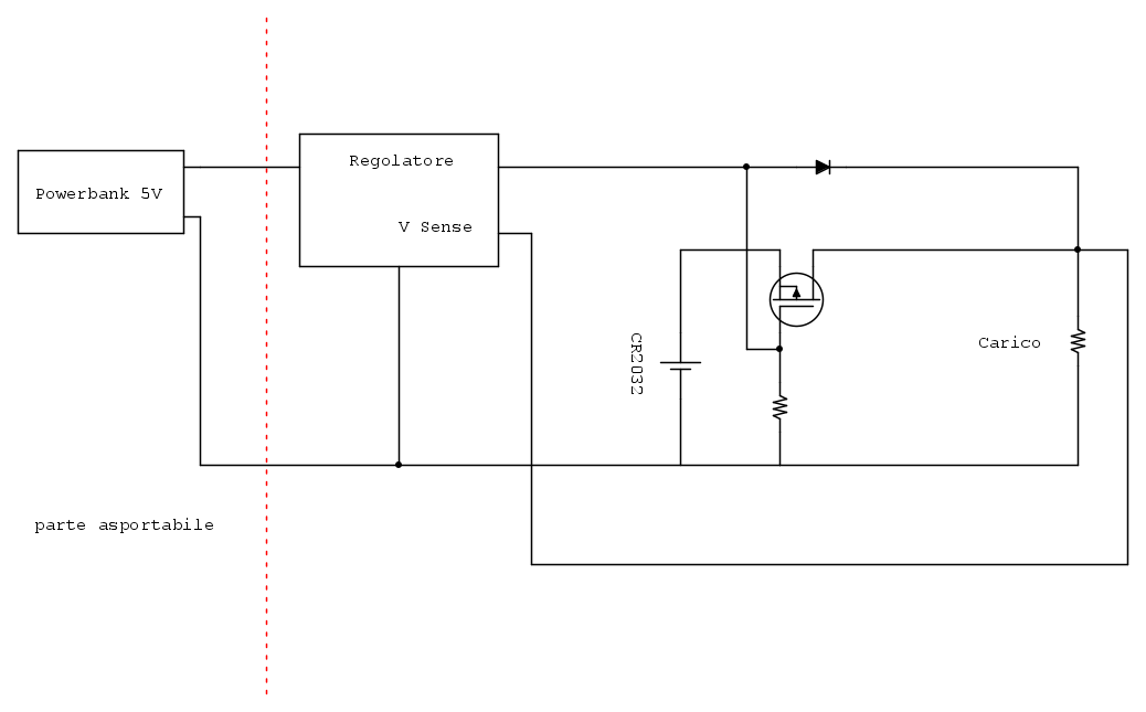
Così tipiace ? (va raffinato è solo un idea)
Attacchi il powerbank e sostituisci la pila, dietro l'apparato rimane giusto il cavo USB e 5 componenti in croce

0
voti
Grazie della pronta risposta.
Non capisco però il riferimento al cavo USB. Di fatto non esce nulla dall'apparato che contiene la CR2032.
L'idea era quella di saldare un cavetto bipolare per spostare l'alimentazione verso l'esterno e su cui intervenire con comodità all'occorrenza.
Forse mi ero spiegato male?
Non capisco però il riferimento al cavo USB. Di fatto non esce nulla dall'apparato che contiene la CR2032.
L'idea era quella di saldare un cavetto bipolare per spostare l'alimentazione verso l'esterno e su cui intervenire con comodità all'occorrenza.
Forse mi ero spiegato male?

0
voti
Per due apparecchiature di casa (una sveglia ed il cronotermostato del riscaldamento) ho avuto lo stesso problema, entrambe funzionanti con delle batterie AA
Mi sono limitato a preparare un "pacco" batterie secondario che, quando le batterie principali sono in via di esaurimento, collego ad un connettore a 2 poli messo in parallelo all'alloggiamento delle batterie principali
Essendo un parallelo tra pacchi batterie di uguali caratteristiche, non mi sono posto il problema di mettere diodi oppure altro (a quale scopo, poi?), eventuali differenze di tensione e corrente tra le due fonti di alimentazione mi sono sembrate trascurabili per i piccoli valori in gioco (3 V e 6 V, nei due apparecchi) anche per il poco tempo necessario a fare il cambio delle batterie principali
Quando devo sostituire le batterie principali, attacco il pacco secondario e poi sostituisco le batterie principali, infine stacco il pacco secondario
Mi sono limitato a preparare un "pacco" batterie secondario che, quando le batterie principali sono in via di esaurimento, collego ad un connettore a 2 poli messo in parallelo all'alloggiamento delle batterie principali
Essendo un parallelo tra pacchi batterie di uguali caratteristiche, non mi sono posto il problema di mettere diodi oppure altro (a quale scopo, poi?), eventuali differenze di tensione e corrente tra le due fonti di alimentazione mi sono sembrate trascurabili per i piccoli valori in gioco (3 V e 6 V, nei due apparecchi) anche per il poco tempo necessario a fare il cambio delle batterie principali
Quando devo sostituire le batterie principali, attacco il pacco secondario e poi sostituisco le batterie principali, infine stacco il pacco secondario
0
voti
Beh si, anche questa è una soluzione rapida.
Si tratta solo di portare fuori un cavetto bipolare saldato al portabatteria al posto della CR2032 e mettere un plug.
Ci penserò.
Si tratta solo di portare fuori un cavetto bipolare saldato al portabatteria al posto della CR2032 e mettere un plug.
Ci penserò.
0
voti
GaAsFET ha scritto:Purtroppo la sostituzione di questa batteria richiede tempo perché è posta in un punto poco accessibile
Non ci sarebbe un po' di spazio per mettere un secondo portabatteria in parallelo? Prima inserire la batteria nuova poi togliere quella vecchia.
0
voti
Solo per informazione: esistono dei componenti per la gestione di sorgenti alimentazione diverse
TI li chiama Oring
https://www.ti.com/power-management/pow ... rview.html
Non so se sono adatti per lo switch di una batteria di backup CR2032
TI li chiama Oring
https://www.ti.com/power-management/pow ... rview.html
Non so se sono adatti per lo switch di una batteria di backup CR2032
-

luxinterior
4.311 3 4 9 - Master EY

- Messaggi: 2690
- Iscritto il: 6 gen 2016, 17:48
0
voti
EcoTan ha scritto:GaAsFET ha scritto:Purtroppo la sostituzione di questa batteria richiede tempo perché è posta in un punto poco accessibile
Non ci sarebbe un po' di spazio per mettere un secondo portabatteria in parallelo? Prima inserire la batteria nuova poi togliere quella vecchia.
Credo sia una soluzione simile a quella proposta da alev: devo cercare un porta batteria adatto alle CR2032.
Direi questa è l'idea più semplice.
0
voti
luxinterior ha scritto:Solo per informazione: esistono dei componenti per la gestione di sorgenti alimentazione diverse
TI li chiama Oring
https://www.ti.com/power-management/pow ... rview.html
Non so se sono adatti per lo switch di una batteria di backup CR2032
Interessante anche questa solizione, grazie!
Sai che non ricordavo proprio questi componenti? Se fossero a buon mercato e adatti alle CR2032 potrebbero essere un'alternativa elegante.
Bene bene, tante idee!
0
voti
La CR2032 va sostituita troppo spesso?
Potrebbe essere l'occasione di passare a pile di maggior capacità.
Una CR2032 ha una capacità di 225 mAh, una CR2450 di 600 mAh, una CR123A di 1500 mAh, ma queste ultime potrebbero essere più care e meno facilmente reperibili.
Due comuni pile alcaline AA (in serie) danno 3 V e hanno una capacità di 2500 mAh. Non so se il cambio di chimica potrebbe dar problemi (non dovrebbe).
La soluzione dei due portapile in parallelo da utilizzare alternativamente a ogni cambio mi sembra buona.
Ma anche un grosso condensatore in parallelo potrebbe allungare a sufficienza il tempo disponibile per il cambio pile.
Potrebbe essere l'occasione di passare a pile di maggior capacità.
Una CR2032 ha una capacità di 225 mAh, una CR2450 di 600 mAh, una CR123A di 1500 mAh, ma queste ultime potrebbero essere più care e meno facilmente reperibili.
Due comuni pile alcaline AA (in serie) danno 3 V e hanno una capacità di 2500 mAh. Non so se il cambio di chimica potrebbe dar problemi (non dovrebbe).
La soluzione dei due portapile in parallelo da utilizzare alternativamente a ogni cambio mi sembra buona.
Ma anche un grosso condensatore in parallelo potrebbe allungare a sufficienza il tempo disponibile per il cambio pile.
Big fan of ⋮ƎlectroYou! Ausili per disabili e anziani su ⋮ƎlectroYou
Caratteri utili: À È É Ì Ò Ó Ù α β γ δ ε η θ λ μ π ρ σ τ φ ω Ω º ª ² ³ √ ∛ ∜ ₀ ₁ ₂ ₃ ₄ ₅ ₆ ∃ ∄ ∆ ∈ ∉ ± ∓ ∾ ≃ ≈ ≠ ≤ ≥
Caratteri utili: À È É Ì Ò Ó Ù α β γ δ ε η θ λ μ π ρ σ τ φ ω Ω º ª ² ³ √ ∛ ∜ ₀ ₁ ₂ ₃ ₄ ₅ ₆ ∃ ∄ ∆ ∈ ∉ ± ∓ ∾ ≃ ≈ ≠ ≤ ≥
12 messaggi
• Pagina 1 di 2 • 1, 2
Chi c’è in linea
Visitano il forum: Nessuno e 227 ospiti

Elettrotecnica e non solo (admin)
Un gatto tra gli elettroni (IsidoroKZ)
Esperienza e simulazioni (g.schgor)
Moleskine di un idraulico (RenzoDF)
Il Blog di ElectroYou (webmaster)
Idee microcontrollate (TardoFreak)
PICcoli grandi PICMicro (Paolino)
Il blog elettrico di carloc (carloc)
DirtEYblooog (dirtydeeds)
Di tutto... un po' (jordan20)
AK47 (lillo)
Esperienze elettroniche (marco438)
Telecomunicazioni musicali (clavicordo)
Automazione ed Elettronica (gustavo)
Direttive per la sicurezza (ErnestoCappelletti)
EYnfo dall'Alaska (mir)
Apriamo il quadro! (attilio)
H7-25 (asdf)
Passione Elettrica (massimob)
Elettroni a spasso (guidob)
Bloguerra (guerra)







