Se non hai un oscilloscopio penso che dovrai ingegnarti in qualche altro modo.
Il funzionamento
l'atmega conta il tempo e decide che cosa ti vuole fare apparire, ma per evitare un consumo di corrente troppo elevato, accenderà ogni singola cifra per un breve tempo, ripetendo questa cosa molto velocemente, l'occhio viene ingannato, ed appare come se fossero tutte accese.
Un integrato serve per scegliere quale delle 5 cifre usare e l'altro serve per scegliere quale numero fare apparire.
Come verificare ULN 2803A
Moderatori:
carloc,
g.schgor,
BrunoValente,
IsidoroKZ
47 messaggi
• Pagina 2 di 5 • 1, 2, 3, 4, 5
1
voti
markc ha scritto:La connessione tra il pannello led e il dispositivo che lo comanda, avviene solo con 2 fili. Mi sono chiesto se allora il tutto lavora variando la tensione in n modi, la quale viene interpretata dai chip appena elencati
Tutto può essere, ma di solito si usano protocolli seriali digitali, quindi segnali "alti" o "bassi" che eventualmente cambiano, ma non tensioni intermedie.
Nei casi più semplici potrebbe essere anche un contatto "aperto" o "chiuso".
markc ha scritto:il difetto è che collegata l'alimentazione non si accende nulla
In questi casi la prima indiziata è l'alimentazione.
Arrivano le tensioni di alimentazione giuste nei vari punti del circuito?
Se arrivano, allora si possono controllare le varie parti. Ma iniziare a controllare un integrato a caso è procedere alla cieca.
Big fan of ⋮ƎlectroYou! Ausili per disabili e anziani su ⋮ƎlectroYou
Caratteri utili: À È É Ì Ò Ó Ù α β γ δ ε η θ λ μ π ρ σ τ φ ω Ω º ª ² ³ √ ∛ ∜ ₀ ₁ ₂ ₃ ₄ ₅ ₆ ∃ ∄ ∆ ∈ ∉ ± ∓ ∾ ≃ ≈ ≠ ≤ ≥
Caratteri utili: À È É Ì Ò Ó Ù α β γ δ ε η θ λ μ π ρ σ τ φ ω Ω º ª ² ³ √ ∛ ∜ ₀ ₁ ₂ ₃ ₄ ₅ ₆ ∃ ∄ ∆ ∈ ∉ ± ∓ ∾ ≃ ≈ ≠ ≤ ≥
0
voti
Ho collegato l'alimentazione e misurato la tensione sui piedini appositi 9 e 10 del 2803 e leggo 12 volt circa, sinceramente a volte 5.4 volt, come se oscillasse. Ciò mi fa pensare che l'alimentazione è a posto.
3
voti
markc ha scritto:........... leggo 12 volt circa, sinceramente a volte 5.4 volt, come se oscillasse. ......
Non mi sembra il caso di dire " Ciò mi fa pensare che l'alimentazione è a posto ". La tensione deve essere stabile.
Alex
https://www.facebook.com/Elettronicaeelettrotecnica
<< vedi di pigliare arditamente in mano, il dizionario che ti suona in bocca,
se non altro è schietto e paesano.
(Giuseppe Giusti) <<
https://www.facebook.com/Elettronicaeelettrotecnica
<< vedi di pigliare arditamente in mano, il dizionario che ti suona in bocca,
se non altro è schietto e paesano.
(Giuseppe Giusti) <<
0
voti
Stavo ipotizzando che forse il quarzo presente è l'artefice di quel comportamento?
Ora ho collegato un alimentatore stabilizzato 12 volt 3,5 ampere e sui piedini 9 e 10 leggo 1, 23 volt, mentre con alimentatore originale sempre da 12 volt 2 ampere, leggo una tensione che continua a cambiare.
Potrebbe essere il 7805T il colpevole?
Ora ho collegato un alimentatore stabilizzato 12 volt 3,5 ampere e sui piedini 9 e 10 leggo 1, 23 volt, mentre con alimentatore originale sempre da 12 volt 2 ampere, leggo una tensione che continua a cambiare.
Potrebbe essere il 7805T il colpevole?
1
voti
Considera che sul ULN il pin 10 potrebbe anche non essere stato connesso ( è per il diodo)
- misura col tester tra 9 10 del MIC
- misura col tester sul 7805 la tensione che trovi tra la tab e il piedino d'uscita, quello tutto a destra.
non si vede bene ma cosa c'è sul primo piedino del 7805? un diodo o una ferrite?
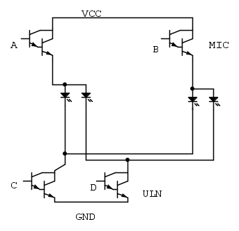
lo schema elettrico non è molto complesso, hai 2 driver l'uln ed il mic che multiplexano i led, mentre l'atmega fa la logica .
è come se avessi 5 display a 7 segmenti ad anodo comune dove ogni anodo è gestito da un uscita del MIC, mentre il catodi sono parallelati per posizione, in schema al volo prime 2 cifre e così via:
- misura col tester tra 9 10 del MIC
- misura col tester sul 7805 la tensione che trovi tra la tab e il piedino d'uscita, quello tutto a destra.
non si vede bene ma cosa c'è sul primo piedino del 7805? un diodo o una ferrite?
lo schema elettrico non è molto complesso, hai 2 driver l'uln ed il mic che multiplexano i led, mentre l'atmega fa la logica .
è come se avessi 5 display a 7 segmenti ad anodo comune dove ogni anodo è gestito da un uscita del MIC, mentre il catodi sono parallelati per posizione, in schema al volo prime 2 cifre e così via:
- Codice: Seleziona tutto
[code=php]per il codice a colori[/code]
0
voti
Tra il 9 e il 10 del mic2981/82yn leggo 10.5 volt.
Testando i pin in uscita dello ULN, dato che pilota LED, non dovrei notare una tensione che varia nel tempo?
Leggo in uscita valori minori di 1 volt
Testando i pin in uscita dello ULN, dato che pilota LED, non dovrei notare una tensione che varia nel tempo?
Leggo in uscita valori minori di 1 volt
2
voti
- 10,5V sarebbero pochini se sei sicuro che l'alimentatore eroghi 12V? potrebbe esserci qualcosa di rotto che assorbe troppo.
- hai controllato se escono i 5V dal 7805? e che cosa sia quella cosa sul pin di ingresso ?
- gli integrati ULN e MIC sono montati su zoccoli? in caso affermativo, ne togli uno alla volta e controlli la tensione di alimentazione il più a monte possibile, per vedere se restringiamo il campo.
Per rispondere alla tua domanda, semplificando estremamente,
i transistor A e B sono all'interno del MIC
i transistor C e D sono all'interno del ULN
Per fare accendere un segmento che compone il numero, devi comandare simultaneamente sia un uscita del MIC, che porta VCC ai led e sia un uscita del ULN che li va a collegare a GND chiudendo il circuito.
diciamo che vogliamo accendre il primo led a sinistra a mano dovremo pilotare i transistor A e C perché:
- A fa arrivare VCC all'anodo comune del modulo di sinistra
- C fa collegare il catodo di tutti i primi segmenti con GND.
Il "problema" è che per fare funzionare questo contatore, ed alimentare 5 cifre, il passaggio dell'alimentazione tra un segmento e l'altro è piuttosto veloce. Per questo ti dissi all'inizio che un oscilloscopio avrebbe dato una mano.
Se proprio vuoi tentar di vedere qualcosa dall'uscita del ULN, dovresti mettere il tester con un puntale su VCC e l'altro sull'uscita dell'uln ma la trovo un operazione che trova il tempo che trova, essendo che mi aspetto di trovare un onda quadra a qualche decina kHz, per cui difficilmnte misurabil col tester
- hai controllato se escono i 5V dal 7805? e che cosa sia quella cosa sul pin di ingresso ?
- gli integrati ULN e MIC sono montati su zoccoli? in caso affermativo, ne togli uno alla volta e controlli la tensione di alimentazione il più a monte possibile, per vedere se restringiamo il campo.
Per rispondere alla tua domanda, semplificando estremamente,
i transistor A e B sono all'interno del MIC
i transistor C e D sono all'interno del ULN
Per fare accendere un segmento che compone il numero, devi comandare simultaneamente sia un uscita del MIC, che porta VCC ai led e sia un uscita del ULN che li va a collegare a GND chiudendo il circuito.
diciamo che vogliamo accendre il primo led a sinistra a mano dovremo pilotare i transistor A e C perché:
- A fa arrivare VCC all'anodo comune del modulo di sinistra
- C fa collegare il catodo di tutti i primi segmenti con GND.
Il "problema" è che per fare funzionare questo contatore, ed alimentare 5 cifre, il passaggio dell'alimentazione tra un segmento e l'altro è piuttosto veloce. Per questo ti dissi all'inizio che un oscilloscopio avrebbe dato una mano.
Se proprio vuoi tentar di vedere qualcosa dall'uscita del ULN, dovresti mettere il tester con un puntale su VCC e l'altro sull'uscita dell'uln ma la trovo un operazione che trova il tempo che trova, essendo che mi aspetto di trovare un onda quadra a qualche decina kHz, per cui difficilmnte misurabil col tester
- Codice: Seleziona tutto
[code=php]per il codice a colori[/code]
1
voti
markc ha scritto:Stavo ipotizzando che forse il quarzo presente è l'artefice di quel comportamento?
........
E' semplice, metti la sonda dell'oscilloscopio sui pin del quarzo e vedi se oscilla ono.
Ora ho collegato un alimentatore stabilizzato 12 volt 3,5 ampere e sui piedini 9 e 10 leggo 1, 23 volt, mentre con alimentatore originale sempre da 12 volt 2 ampere, leggo una tensione che continua a cambiare......
Ti è stato spiegato que questo IC non ha i 2 pin classici di massa e positivo e il pin 10 non è l'aslimentazione dell'IC è il catodo dei diodi .
I darlington dell'ULN hanno i collettori aperti, per cui hanno bisogno di un carico tra loro e il positivo, che può essere un resistore, gli schemi sono molto chiari.
Dici : sui piedini 9 e 10 leggo 1, 23 volt,. Non sei chiaro! Te leggi 1,23V tra massa ( 9 ) e pin 10, starebbe a significare che il darlington è in conduzione e perciò misuri la tensione di ON che ha il darlington in questo caso.
Ancora non hai misurato a modo la tensione sul 7805 !
Alex
https://www.facebook.com/Elettronicaeelettrotecnica
<< vedi di pigliare arditamente in mano, il dizionario che ti suona in bocca,
se non altro è schietto e paesano.
(Giuseppe Giusti) <<
https://www.facebook.com/Elettronicaeelettrotecnica
<< vedi di pigliare arditamente in mano, il dizionario che ti suona in bocca,
se non altro è schietto e paesano.
(Giuseppe Giusti) <<
0
voti
Quello che mi chiedi sul 7805 c'è sull'input un diodo e li la tensione è 10,5 volt, in output, se ho visto lo schema corretto, 5 volt.
47 messaggi
• Pagina 2 di 5 • 1, 2, 3, 4, 5
Chi c’è in linea
Visitano il forum: Nessuno e 38 ospiti

Elettrotecnica e non solo (admin)
Un gatto tra gli elettroni (IsidoroKZ)
Esperienza e simulazioni (g.schgor)
Moleskine di un idraulico (RenzoDF)
Il Blog di ElectroYou (webmaster)
Idee microcontrollate (TardoFreak)
PICcoli grandi PICMicro (Paolino)
Il blog elettrico di carloc (carloc)
DirtEYblooog (dirtydeeds)
Di tutto... un po' (jordan20)
AK47 (lillo)
Esperienze elettroniche (marco438)
Telecomunicazioni musicali (clavicordo)
Automazione ed Elettronica (gustavo)
Direttive per la sicurezza (ErnestoCappelletti)
EYnfo dall'Alaska (mir)
Apriamo il quadro! (attilio)
H7-25 (asdf)
Passione Elettrica (massimob)
Elettroni a spasso (guidob)
Bloguerra (guerra)








